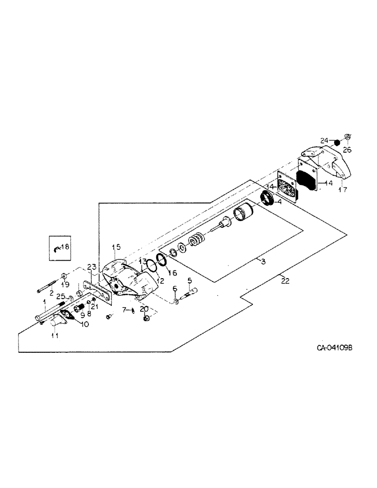
Запчасти Case IH 4386 (04-14) - BRAKES, MASTER BRAKE CALIPER, 4386 TRACTORS WITH SERIAL NO. 1500 AND BELOW, ALL 4366 TRACTORS (5.1) - BRAKES

Схема запчастей Case IH 4386 - (04-14) - BRAKES, MASTER BRAKE CALIPER, 4386 TRACTORS WITH SERIAL NO. 1500 AND BELOW, ALL 4366 TRACTORS (5.1) - BRAKES
23
16
21
25
7
13
1
15
22
2
4
14
3
5
19
24
12
6
17
9
11
20
26
10
8
18
14
FIT
1:1
100%

Артикул

Название

Примечание

Количество

69841C93

BRAKE

CALIPER ASSY, master brake

1шт.

1

70584C1

AXLE PIN

PIN, pad retainer, 4386 tractors, Serial Range: -736

2шт.

1

70584C1

AXLE PIN

PIN, pad retainer, all 4366 tractors

2шт.

1

138792C1

BOLT

pad retainer, 4386 tractors, Start Serial: 737

2шт.

2

70423C1

SCREW

4шт.

3

70585C1

PISTON

ASSY, retractor, Consists of

1шт.

NSS

NOT SOLD SEPARAT

RING

1шт.

NSS

NOT SOLD SEPARAT

WASHER

1шт.

NSS

NOT SOLD SEPARAT

SPRING

1шт.

NSS

NOT SOLD SEPARAT

PIN

1шт.

4

70586C1

BOOT

dust

1шт.

5

70587C2

SUPPORT

STUD, mounting

2шт.

6

70421C1

WASHER

flat

2шт.

7

70588C1

FITTING

bleeder

3шт.

8

70589C1

WASHER

COLLET

1шт.

9

70590C1

NUT

torque adj.

1шт.

10

70591C1

GASKET

1шт.

11

70592C1

COVER

retractor

1шт.

593749R1

SELF-TAP SCREW,Hex Wash Hd, #10 x 1/2"

SCREW, 10-24 x 1/2 C-Z hex-washer-hd tap

2шт.

12

70593C1

O-RING

O-RING

1шт.

13

70594C1

O-RING

O-RING

1шт.

14

114226C2

SHOE (ASSY)

HOLDER ASSY, master brake pad, Replaces 70877C1

2шт.

Ref. #14 - complaint that this part would not mount properly. Solution found was that the bottom portion of the steel plate that the friction pad mounts to had to be ground down to match the lines of the friction pad. Mounted properly after this was done. TSG 3/98.

1шт.

15

HOUSING, piston side, 4386 tractors, Not serviced separately, Order caliper assy, Serial Range: -736

1шт.

15

HOUSING, piston side, all 4366 tractors, Not serviced separately, Order caliper assy

1шт.

16

70880C1

RING

back-up

1шт.

17

HOUSING, carrier side, 4386 tractors, Not serviced separately, Order caliper assy, Serial Range: -736

1шт.

17

HOUSING, carrier side, all 4366 tractors, Not serviced separately, Order caliper assy

1шт.

17

138795C1

CARRIER

HOUSING, caliper, 4386 tractors, Start Serial: 737

1шт.

18

70878C1

CLIP

spring, 4386 tractors, Serial Range: -736

2шт.

18

70878C1

CLIP

spring, all 4366 tractors

2шт.

19

70879C1

WASHER

flat

4шт.

20

70883C1

NUT

1/2-20 zn hex. flange

2шт.

21

70882C1

WASHER

flat

1шт.

22

75435C91

HOUSING ASSY.

HOUSING ASSY, caliper piston, 4386 tractors, Consists of ref. nos. 3, 4, 5, 6, 7, 8, 9, 10, 11, 12, 13, 16, 20 & 21, Start Serial: 737

1шт.

23

138790C1

PLATE

pad holder screw support, 4586 tractors, Start Serial: 858

1шт.

24

138794C1

BUSHING

pad holder screw, 4586 tractors, Start Serial: 858

4шт.

25

138791C1

WASHER

pad holder screw, 4586 tractors, Start Serial: 858

2шт.

26

138793C1

NUT

flange, 4586 tractors, Start Serial: 858

2шт.

Выбрано товаров: 39