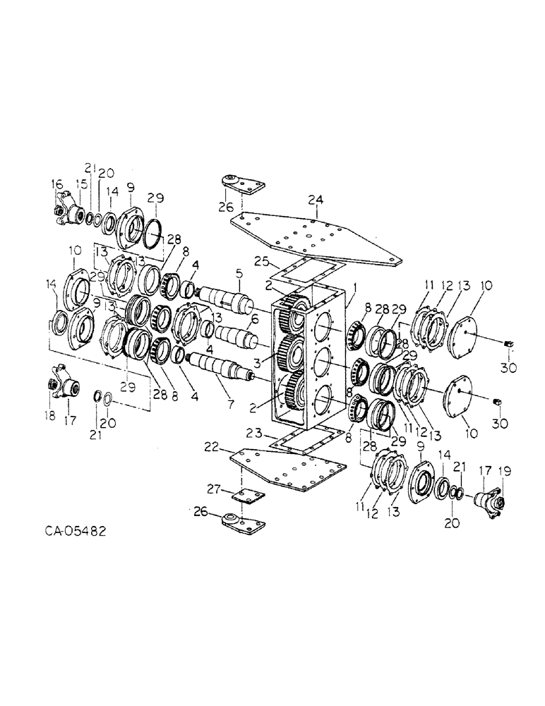
Запчасти Case IH 4386 (07-13) - DRIVE TRAIN, TRANSFER CASE, 4386 TRACTOR (04) - Drive Train

Схема запчастей Case IH 4386 - (07-13) - DRIVE TRAIN, TRANSFER CASE, 4386 TRACTOR (04) - Drive Train
12
21
13
2
10
11
28
28
11
13
29
1
19
10
28
3
29
8
13
16
4
12
8
12
6
18
13
30
10
5
2
14
4
28
9
29
8
13
21
13
8
29
20
11
13
21
7
17
14
25
22
24
9
23
28
8
4
29
27
17
29
20
14
9
20
26
30
26
15
FIT
1:1
100%

Артикул

Название

Примечание

Количество

129073C93

CATALOG

CASE ASSY, transfer

1шт.

1

127423C1

CASE

transfer

1шт.

2

69070C1

GEAR

top & bottom

2шт.

3

69071C1

GEAR WHEEL

GEAR, middle

1шт.

Q55

KEY,3/8" Sq x 2", Par

3/8 x 2 sq parallel

2шт.

4

127414C1

SPACER

gear

2шт.

5

127418C1

SHAFT

top

1шт.

6

127419C1

SHAFT

middle

1шт.

7

127420C1

SHAFT

bottom

1шт.

8

66117R91

BEARING

ASSY, cone

6шт.

9

127421C1

CAGE

bearing & seal

3шт.

26315R1

BOLT,Hex, 7/16" - 14 x 1 1/4", Gr 8

SCREW, 7/16-14 x 1-1/4 znd prevail torque grd 8

18шт.

10

127422C1

CYLINDER END CAP

CAP, center bearing

3шт.

26315R1

BOLT,Hex, 7/16" - 14 x 1 1/4", Gr 8

SCREW, 7/16-14 x 1-1/4 znd prevail torque grd 8

18шт.

111316

ELBOW

3/8 x 90 deg street, transfer case front bearing cap

1шт.

91916R91

BREATHER,3/8"-18 NPT, Short, w/washer

FITTING, 3/8 ptf breather type, transfer case front bearing cap

1шт.

11

127417C1

SHIM

brg cage gasket, .005, Use 9 or as required

1шт.

12

127416C1

SHIM

brg cage gasekt, .007, Use 6 or as required

1шт.

13

127415C1

SHIM

brg cage gasket, .020, Use 6 or as required

1шт.

14

69367C1

SEAL

SEAL, brg cage

3шт.

15

69081C1

FORK

YOKE, top end

1шт.

16

69082C1

NUT

1-1/4-18 RH thd self locking

1шт.

17

69083C1

YOKE

bottom end

2шт.

18

69082C1

NUT

1-1/4-18 RH thd self locking

1шт.

19

69084C1

NUT

1-1/4-18 LH thd self locking

1шт.

20

127413C1

GASKET

drive yoke

3шт.

21

69086C1

WASHER

PLATE, bottom link cover

1шт.

180177

BOLT,Hex, 1/2" - 13 x 1 1/2", Gr 5

SCREW, 1/2-13 x 1-1/2 znd hex-hd cap

12шт.

444577

DRAIN PLUG,Sq Hd, 1/4"-18 NPTF

PLUG, 1/4-18 C-Z sq-hd pipe

1шт.

23

69088C2

GASKET

bottom cover

1шт.

24

129176C1

LARGE PLATE

PLATE, top link cover

1шт.

180177

BOLT,Hex, 1/2" - 13 x 1 1/2", Gr 5

SCREW, 1/2-13 x 1-1/2 znd hex-hd cap

8шт.

25

69088C2

GASKET

top cover

1шт.

26

69091C1

PLATE ASSY.

PLATE ASSY, transfer case brg

2шт.

87337

BOLT,Hex, 3/4" - 10 x 3", Gr 5

3шт.

413-1240

BOLT,Hex, 3/4" - 10 x 2-1/2", Gr 5

Hex, 3/4"-10 x 2-1/2", G5

3шт.

130017

COTTER PIN,M8 x 63

WASHER, .812 x 1.469 x .134 znd

6шт.

9413971

LOCK NUT,3/4"-10, GB

NUT, 3/4-10 cad hex.

6шт.

27

69092C1

SHIM

uniball

1шт.

28

54404R1

BEARING ASSY,2.25" ID x 112.712 mm OD x 23.812 mm

BEARING, cup

6шт.

29

390610R1

O-RING,5.109" ID x 0.139" Width

5-1/8 O.D. tube

6шт.

30

20972R1

DRAIN PLUG,Sq Hd, 3/8"-18 NPTF

PLUG, 3/8-18 automotive sq-hd pipe, transfer case rear

2шт.

Выбрано товаров: 42