Запчасти Case IH 4386 (07-21) - DRIVE TRAIN, REAR AXLE CENTER FRAME, 4386 TRACTOR (04) - Drive Train

Схема запчастей Case IH 4386 - (07-21) - DRIVE TRAIN, REAR AXLE CENTER FRAME, 4386 TRACTOR (04) - Drive Train
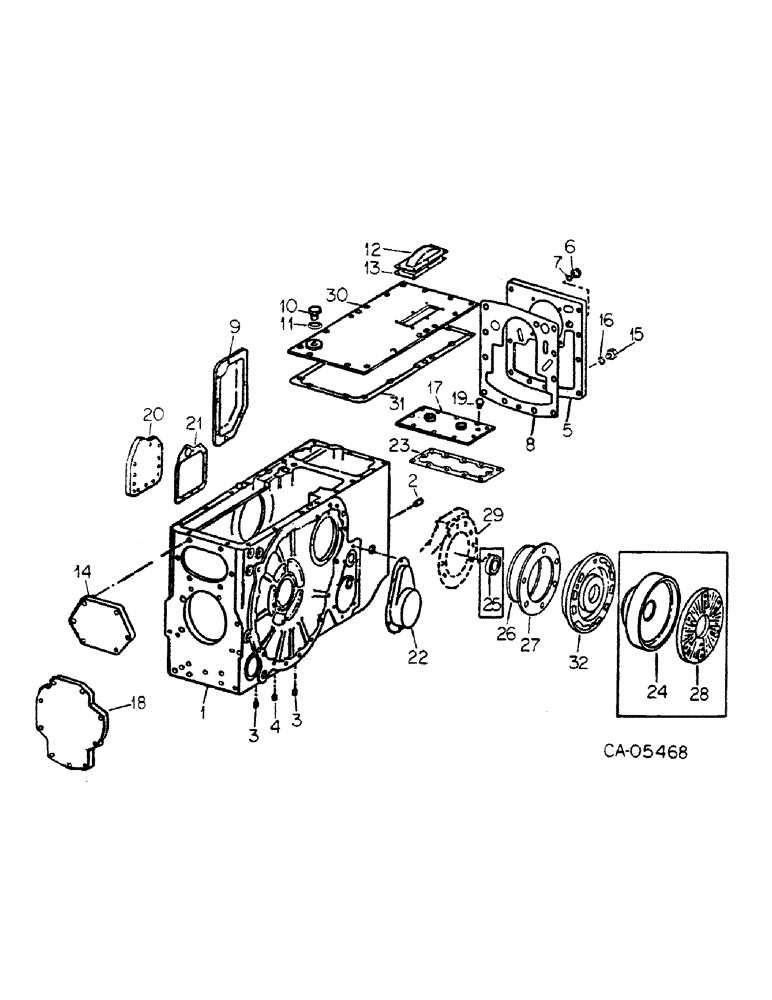
28
31
24
17
21
20
13
32
19
16
6
8
26
15
16
4
14
2
29
7
23
3
9
25
12
3
22
10
30
27
5
1
11
FIT
1:1
100%

Артикул

Название

Примечание

Количество

1

67890C91

FRAME ASSY

rear, Includes ref. nos. 2, 3 and 4

1шт.

383331R1

PLUG,Cup, 4.26"

torsion bar cup

1шт.

2

19846R1

DOWEL,1/2" x 1 1/4"

PIN, 1/2 x 1-1/4 dowel

1шт.

3

444788

DRAIN PLUG,Sq Soc, 1/2"-14 NPTF

PLUG, 1/2-14 auto sq-soc-hd drain

1шт.

4

9409947

DRAIN PLUG,Sq Soc, 3/4"-14 NPTF

PLUG, 3/4-14 auto sq-soc-hd pipe

1шт.

5

67892C2

COVER, input

1шт.

271562

SHIELD,Hex, 5/8" - 11 x 2", Gr 5

5/8 x 2 pln type 5

10шт.

6

9410362

PLUG,Hex Hd, 1 3/16"-12 ORB

1-3/16-12 C-Z str thd o-ring boss, oil level 31 gallon

1шт.

7

297459R1

O-RING,0.116" Thk x 1.048" ID, -914, Cl 6, 90 Duro

7/8 OD tube

1шт.

8

71902C1

GASKET

GASKET, input cover

1шт.

9

380330R3

COVER

drive attach opening

1шт.

179883

BOLT,Hex, 1/2" - 13 x 1 1/4", Gr 5

8шт.

474517C2

GASKET

TUBE, gasket eliminator

1шт.

10

9410362

PLUG,Hex Hd, 1 3/16"-12 ORB

1-3/16-12 str-thd o-ring boss, oil fill

1шт.

11

297459R1

O-RING,0.116" Thk x 1.048" ID, -914, Cl 6, 90 Duro

7/8 OD tube

1шт.

12

67903C2

COVER, diff bevel gear

1шт.

179816

BOLT,Hex, 5/16" - 18 x 3/4", Gr 5

6шт.

474517C2

GASKET

TUBE, gasket eliminator

1шт.

13

NOT USED IN THIS APPLICATION

1шт.

14

383329R1

COVER

draft control adj opening

1шт.

271556

WHEEL CYLINDER,Hex, 5/8" - 11 x 1 1/4", Gr 5

SCREW, 5/8-11 x 1-1/4 hex-hd cap

6шт.

474517C2

GASKET

TUBE, gasket eliminator

1шт.

15

9410356

PLUG

7/16-20 C-Z str thd o-ring boss, oil level

1шт.

17

67922C1

COVER

diff top small

1шт.

NLS

NO LONGER SERVICED

10шт.

18

380272R1

COVER

IPTO opening

1шт.

179882

PIN

SCREW, 1/2-13 x 1-1/8 hex-hd cap

9шт.

474517C2

GASKET

TUBE, gasket eliminator

1шт.

19

152127H1

BREATHER,1/8"-27, Short

1/8-27 axle

1шт.

20

382243R1

COVER ASSY

COVER, pump opening

1шт.

179838

BOLT,Hex, 3/8" - 16 x 7/8", Gr 5, Full Thd

3/8-16 x 7/8 hex-hd cap

12шт.

21

382244R4

GASKET

pump opening cover

1шт.

22

382256R1

COVER ASSY

COVER, oil filter

1шт.

179837

BOLT,Hex, 3/8" - 16 x 3/4", Gr 5

8шт.

23

67905C1

GASKET

diff top small cover

1шт.

24

71865C91

HOUSING

ASSY, bull pinion brg

2шт.

21280R1

PLUG,Cup, 3"

3 in. OD cup

2шт.

26322R1

BOLT, 5/8 x 2 phc p/t type 8 Locking, 5/8"-11 x 2", G8

8шт.

25

NOT USED IN THIS APPLICATION

1шт.

26

530789R1

O-RING,6.712" ID x 0.139" Width

O-RING, bull pinion brg and oil seal retainer

2шт.

27

391816R1

SHIM

retainer housing, .035, 2 or as required

1шт.

27

391817R1

SHIM

retainer housing, .012, 4 or as required

1шт.

27

391818R1

SHIM

retainer housing, .007, 6 or as required

1шт.

27

391819R1

SHIM

retainer housing, .004

1шт.

27

391820R1

SHIM

retainer housing, .003

1шт.

28

NOT USED IN THIS APPLICATION

1шт.

29

CARRIER, axle, Refer to axle listing this group

1шт.

30

134529C91

COVER ASSY, diff top main, Replaces 67899C1

1шт.

271556

WHEEL CYLINDER,Hex, 5/8" - 11 x 1 1/4", Gr 5

SCREW, 5/8-11 x 1-1/4 hex-hd cap

16шт.

31

GASKET, diff top main cover, For service use

1шт.

474517C2

GASKET

TUBE, gasket eliminator

1шт.

32

NOT USED IN THIS APPLICATION

1шт.

528493R3

HYDRAULIC OIL FILTER

1шт.

16

369751R1

O-RING,0.072" Thk x 0.351" ID, -904, Cl 6, 90 Duro

4-1, 90 Duro, .351" ID x .072" Thk, 1/4 OD tube

1шт.

Выбрано товаров: 54