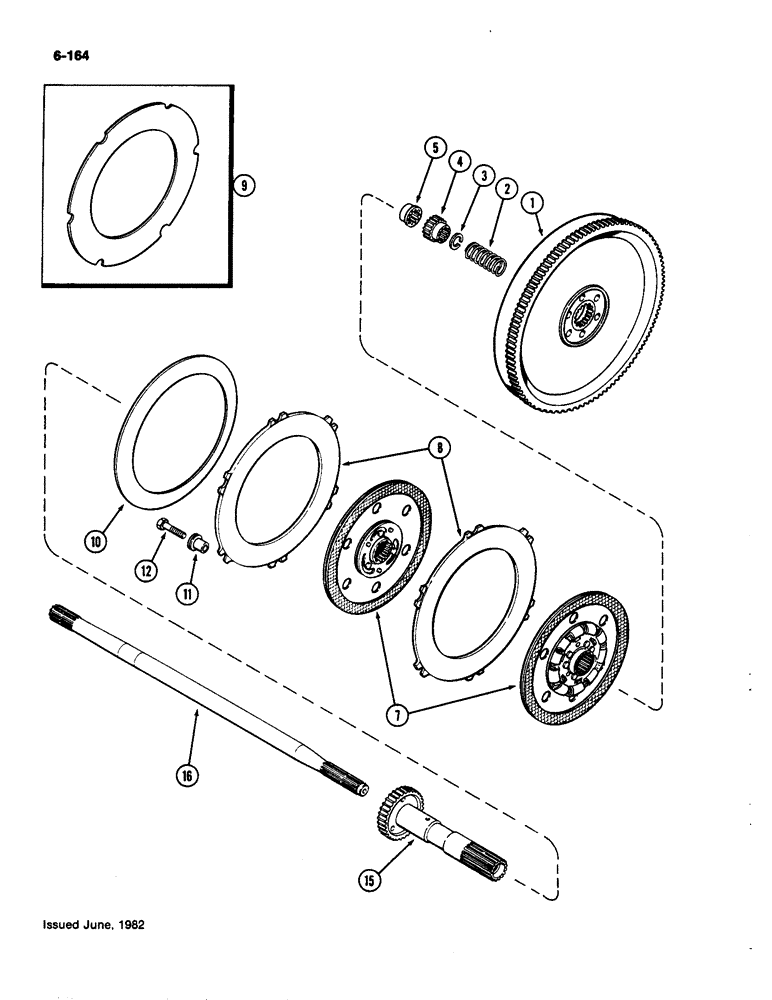
Запчасти Case IH 4490 (6-164) - TRANSMISSION CLUTCH ASSEMBLY, TORQUE LIMITER (06) - POWER TRAIN

Схема запчастей Case IH 4490 - (6-164) - TRANSMISSION CLUTCH ASSEMBLY, TORQUE LIMITER (06) - POWER TRAIN
5
1
10
15
3
7
4
2
9
16
11
8
12
FIT
1:1
100%

Артикул

Название

Примечание

Количество

1

REF

INSTRUCTION

FLYWHEEL ASSEMBLY - engine (See Figure 2-040)

1шт.

2

A65416

SPRING

- drive sleeve, PTO shaft

1шт.

3

A76480

RING

- snap, drive shaft

1шт.

4

A66610

SLEEVE

- pump drive shaft

1шт.

5

A76482

BUSHING,20T

- pump drive shaft

1шт.

7

A155490

PLATE

- torque limiter, 11-7/8" (301.62 mm) diameter

2шт.

8

A155859

PLATE

- pressure, with tabs

2шт.

9

A58036

PLATE

- pressure, without tabs

2шт.

For repairs order 2-A155859 plate, 6A155865 retainer, and 6-26-840 bolt.

1шт.

10

A64370

SPRING

- belleville (yellow color code)

1шт.

11

A155865

RETAINER

- spring, (Replaces A153849)

6шт.

12

26-840

BOLT,Hex, 1/2" - 13 x 2-1/2", Gr 8

- 1/2 x 2-1/2" NC hex (Grade 8)(Replaces 26-836)

6шт.

15

A148695

SHAFT

- input gear

1шт.

16

A76488

SHAFT

- PTO and pump drive

1шт.

A153169

CLUTCH

ASSEMBLY- powershift and planetary (Complete Unit) (Includes parts listed on Figure 6-164 thru 6-172)

1шт.

Выбрано товаров: 15