Запчасти Case IH 4490 (6-194) - REAR AXLE AND DIFFERENTIAL ASSEMBLY (06) - POWER TRAIN

Схема запчастей Case IH 4490 - (6-194) - REAR AXLE AND DIFFERENTIAL ASSEMBLY (06) - POWER TRAIN
16
6
13
10
3
5
2
13
3
2
7
11
12
1
15
FIT
1:1
100%

Артикул

Название

Примечание

Количество

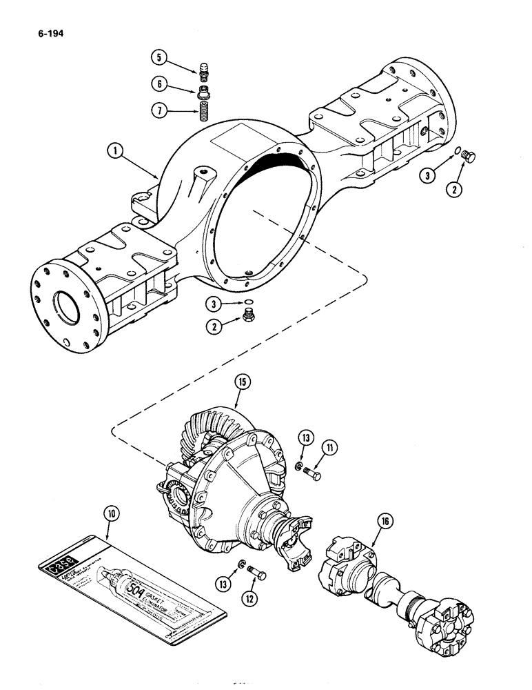
1

A150717

HOUSING

- axle

1шт.

2

A140222

PLUG

- drain, axle housing

2шт.

3

A51759

GASKET

- drain plug

2шт.

5

A12928

BREATHER

- differential oil

1шт.

6

221-1345

COUPLING, BREAK AWAY

COUPLING - reducer, 3/8" PT x 1/8 PT

1шт.

7

221-1158

FITTING

NIPPLE - 3/8 PT x 1" long

1шт.

10

B17428

LOCTITE

- gasket eliminator 2 oz (50 cc) tube

1шт.

11

26-824

BOLT,Hex, 1/2" - 13 x 1-1/2", Gr 8

(Differential to Housing) Hex, 1/2"-13 x 1 1/2", G8, Full Thd

8шт.

12

26-828

BOLT,Hex, 1/2" - 13 x 1-3/4", Gr 8

- 1/2 x 1-3/4" NC hex (differential to housing)

4шт.

13

92-8

LOCK WASHER,1/2"

12шт.

15

REF

INSTRUCTION

DIFFERENTIAL ASSEMBLY - axle (See Figure 6-206)

1шт.

16

REF

INSTRUCTION

SHAFT ASSEMBLY - drive, rear axle (See Figure 6-204)

1шт.

Выбрано товаров: 12