Качественные детали и логистика
Оригинальные и аналоговые запчасти с доставкой по России, Казахстану и Беларуси
©2022 PartSell ООО "Система" ИНН 2463123282 ОГРН 1212400004838
Центральный офис: г. Красноярск, Академика Киренского, д.87, пом.4
Телефон: 8 (800) 777-65-74 Email: zakaz@partsell.ru
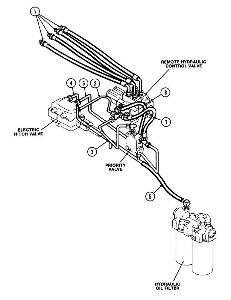
(1-012) - PICTORIAL INDEX, REMOTE HYDRAULICS
№
Артикул
Название
Примечание
Количество
1
Control Valve to Coupling Hoses, Page 8-283
1шт.
2
Hitch Valve Sensing Tube, Page 8-281
3
Priority Valve to Hitch Valve Tube, Page 8-281
4
Hitch Valve Drain Tube, Page 8-281
5
Tube to Filter Hose, Page 8-281
6
7
Remote Valve to Priority Valve Hose, Page 8-281
8
Remote Valve Drain Hose, Page 8-281
Выбрано товаров: 0