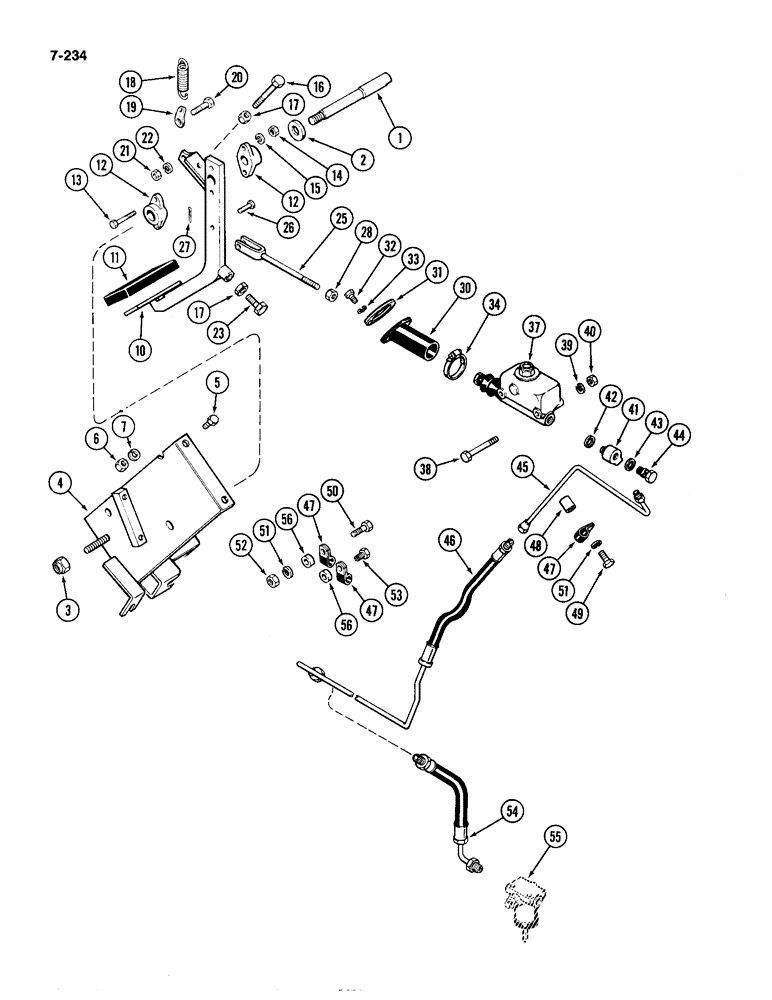
Запчасти Case IH 4490 (7-234) - BRAKE PEDAL AND CYLINDER (07) - BRAKES

Схема запчастей Case IH 4490 - (7-234) - BRAKE PEDAL AND CYLINDER (07) - BRAKES
33
26
15
32
48
46
56
53
41
56
13
19
6
3
34
2
51
12
50
10
45
16
43
55
25
39
47
42
5
7
21
20
22
14
30
52
18
49
1
12
31
47
28
17
27
47
37
40
17
4
54
23
44
38
51
11
FIT
1:1
100%

Артикул

Название

Примечание

Количество

1

A75373

SHAFT

- pivot, brake pedal

1шт.

2

A138830

BUSHING

SPACER - pedal

1шт.

3

131-14

LOCK NUT,5/8"-11, GC

NUT, LOCK, 5/8"-11, GC

1шт.

4

A138833

BRACKET

- control mounting

1шт.

5

113-207

BOLT,Hex, 3/8" - 16 x 1", Gr 5

4шт.

6

129-103

NUT,Hex, 3/8" - 16, Gr 5

NUT, 3/8"-16, G5

4шт.

7

92-6

LOCK WASHER,3/8"

4шт.

10

A138837

PEDAL

- brake

1шт.

11

F9197

PAD

- foot, brake pedal

1шт.

12

A77310

SUPPORT,0.754" ID x 1.375" OD x 0.81"

- pivot, brake pedal

2шт.

13

113-122

BOLT,Hex, 5/16" - 18 x 1-1/2", Gr 5

2шт.

14

9635082

NUT,5/16" - 18, Gr 5

2шт.

15

192-20

LOCK WASHER,Helical Spring, 0.318" ID, CST, ZND

WASHER, LOCK, 5/16"

2шт.

16

113-252

BOLT,Hex, 3/8" - 16 x 3-3/4", Gr 5

(Pedal return stop) Hex, 3/8"-16 x 3 3/4", G5

1шт.

17

25-146

JAM NUT,Jam, 3/8"-16, G5

- jam, 3/8" NC hex

2шт.

18

A20093

SPRING

- return, pedal

1шт.

19

L50541

CLIP

- return spring

1шт.

20

113-262

BOLT,Hex, 3/8" - 16 x 1-1/8", Gr 5, Full Thd

1шт.

21

129-103

NUT,Hex, 3/8" - 16, Gr 5

NUT, 3/8"-16, G5

1шт.

22

92-6

LOCK WASHER,3/8"

1шт.

23

113-208

BOLT,Hex, 3/8" - 16 x 1-1/4", Gr 5

(Pedal down stop) Hex, 3/8"-16 x 1 1/4", G5, Full Thd

1шт.

25

A138827

ROD

- pedal to master cylinder

1шт.

26

141-12

CLEVIS PIN,3/8" x 1 5/16"

PIN - yoke (3/8")

1шт.

27

132-26

COTTER PIN

Pin, Split (Cotter), 3/32" x 3/4"

1шт.

28

87016560

JAM NUT,Jam, 3/8"-16, G5

1шт.

30

A152514

COVER

- brake rod

1шт.

31

A152515

RING

-, Serial Range: retainer-firewall

1шт.

32

113-101

BOLT,Hex, 5/16" - 18 x 1-1/2", Gr 5

3шт.

33

192-20

LOCK WASHER,Helical Spring, 0.318" ID, CST, ZND

WASHER, LOCK, 5/16"

3шт.

34

214-256

HOSE CLAMP,#20, 0.81" - 1.75", Type F Worm

CLAMP - tube to cylinder, 1-3/16 to 1-3/4"

1шт.

37

REF

INSTRUCTION

CYLINDER - master (See Figure 7-236)

1шт.

38

113-241

BOLT,Hex, 3/8" - 16 x 3", Gr 5

2шт.

39

192-21

LOCK WASHER,3/8"

WASHER, LOCK, 3/8"

2шт.

40

129-103

NUT,Hex, 3/8" - 16, Gr 5

NUT, 3/8"-16, G5

2шт.

41

A18531

FITTING

- tube to master cylinder

1шт.

42

L114099

WASHER,13.64mm ID x 21.21mm OD x 1.59mm Thk

GASKET - inner, 1/2" ID x 13/16" OD (12.7 x 20.64 mm)

1шт.

43

51200242

SEAL,15.24mm ID x 20.64mm OD x 0.81mm Thk

- outer, 5/8" ID x 13/16" OD (15.87 x 20.64 mm)

1шт.

44

A12864

BOLT

- fitting

1шт.

45

A138829

TUBE

- master cylinder

1шт.

46

A144830

HOSE

- center

1шт.

47

49851

SHIELD

- tube

3шт.

48

A140442

BUSHING

SPACER - clamp

1шт.

49

113-209

BOLT,Hex, 3/8" - 16 x 1-1/2", Gr 5

1шт.

50

113-2225

BOLT,Hex, 3/8" - 16 x 1-3/8", Gr 5

1шт.

51

192-21

LOCK WASHER,3/8"

WASHER, LOCK, 3/8"

2шт.

52

129-103

NUT,Hex, 3/8" - 16, Gr 5

NUT, 3/8"-16, G5

1шт.

53

187-1300

SELF-TAP SCREW,Hex, 3/8" - 18 x 1"

SCREW - self-tapping, 3/8 x 1" hex head

1шт.

54

A138949

HOSE

- slave cylinder

1шт.

55

REF

INSTRUCTION

CYLINDER - slave (See Figure 7-236)

1шт.

56

A140435

BUSHING

SPACER - hose clamp, 18/64" (5.7 mm) thick

2шт.

Выбрано товаров: 50