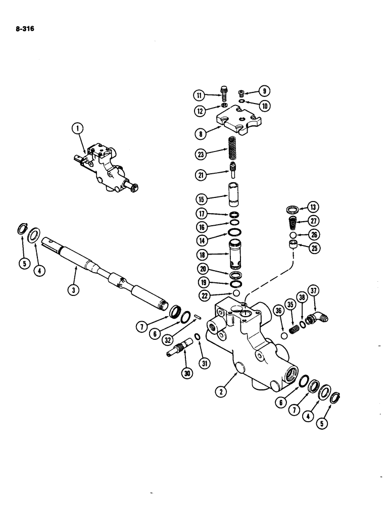
Запчасти Case IH 4490 (8-316) - HITCH CONTROL VALVE ASSEMBLY, PRIOR TO P.I.N. 8860450 (08) - HYDRAULICS

Схема запчастей Case IH 4490 - (8-316) - HITCH CONTROL VALVE ASSEMBLY, PRIOR TO P.I.N. 8860450 (08) - HYDRAULICS
10
7
25
38
31
23
35
4
27
7
18
26
14
5
32
15
16
3
13
6
37
36
20
2
11
30
5
12
8
6
9
19
22
4
17
21
1
FIT
1:1
100%

Артикул

Название

Примечание

Количество

1

A143173

VALVE

ASSEMBLY - hitch control

1шт.

2

NSS

NOT SOLD SEPARAT

BODY - valve (Order A143173)

1шт.

3

NSS

NOT SOLD SEPARAT

SPOOL - control (Order A143173)

1шт.

4

A35093

WASHER

- spool stop

2шт.

5

A35094

SNAP RING,#81, Ext

Ring, Snap, #81, Ext

2шт.

6

A27352

O-RING,0.859" ID x 1.137" OD x 0.139"

- spool

2шт.

7

A56340

OIL SEAL

- oil, spool

2шт.

8

A162629

COVER

- valve opening (Replaces A137351 and A143712) (Also order Ref 9)

1шт.

10

218-5004

O-RING,0.072" Thk x 0.414" ID, -905, Cl 6, 90 Duro

5-1, 90 Duro, .414" ID x .072" Thk (10.5 ID x 1.8 mm width)

1шт.

9

86632547

PLUG,Hex, 5/16"-24 ORB

Assy, 3/8" tube, Includes Ref. 10 Hex Soc, 5/16"-24 ORB

1шт.

11

166-26

12 PT SCREW,Flg, 5/16" - 18 x 1", Gr 8

SCREW - cap, 5/16 x 3/4" NF 12 point head

4шт.

12

A148875

WASHER,8.2mm ID x 12.7mm OD x 0.86mm Thk

- cover screw, hardened

4шт.

13

A35547

RING

- seal, load check port

1шт.

14

A35104

O-RING,0.103" Thk x 0.862" ID, -118, Cl 5, 75 Duro

- sleeve

1шт.

15

A149767

PISTON

- lowering

1шт.

16

A17526

O-RING,0.614" ID x 0.754" OD x 0.7"

- piston

1шт.

17

A34493

RING,16.33mm ID x 19.02mm OD x 1.25mm Thk

- backup

1шт.

18

A149768

SLEEVE

- lowering piston

1шт.

19

A15888

O-RING,0.801" ID x 0.941" OD x 0.07"

- sleeve

1шт.

20

A149775

RING

- backup

1шт.

21

A149766

ADJUSTMENT SCREW,3/8" - 24 x 0.75"

SCREW - adjusting, lowering piston

1шт.

22

211-13

BALL,1/2" Dia

(12.7 mm) - lowering piston 1/2" Dia

1шт.

23

A149794

SPRING

- lowering piston, 1-29/32" (48.6 mm) free length

1шт.

25

L10120

SEAT

- load check ball

1шт.

26

211-12

BALL,7/16 Dia

- load check, 7/16" (11.1 mm) diameter

1шт.

27

A35099

SPRING

- load check

1шт.

30

A161270

SCREW,5/8" - 11 x 2 3/16"

- throttle (Replaces A32363)

1шт.

31

A40109

O-RING,0.07" Thk x 0.364" ID, -12, Cl 6, 90 Duro

- spool

1шт.

32

138-39

LOCK PIN,3/32" x 5/8", Slotted

PIN, 3/32" x 5/8", Slotted

1шт.

35

A61510

SPRING

- sensing, 21/32" (16.69 mm) free length

1шт.

36

211-12

BALL,7/16 Dia

- sensing, 7/16" (11.1 mm) diameter

1шт.

37

218-5105

ELBOW,90 Degree Elbow, 9/16" - 18 Male JIC x 9/16" - 18 Male ORB

ASSEMBLY - 90 degrees, 3/8" tube x 9/16"-18, Includes: Ref. 38

1шт.

38

218-5005

O-RING,0.078" Thk x 0.468" ID, -906, Cl 6, 90 Duro

6-1, 90 Duro, .468" ID x .078" Thk (11.89 ID x 1.98 mm width)

1шт.

Выбрано товаров: 33