Запчасти Case IH 4490 (9-332) - THREE POINT HITCH, ADJUSTING TURNBUCKLE, PRIOR TO P.I.N. 8860450 (09) - CHASSIS/ATTACHMENTS

Схема запчастей Case IH 4490 - (9-332) - THREE POINT HITCH, ADJUSTING TURNBUCKLE, PRIOR TO P.I.N. 8860450 (09) - CHASSIS/ATTACHMENTS
30
4
10
7
11
19
17
15
4
5
3
2
3
13
1
16
12
10
9
14
2
28
20
6
6
21
21
18
27
5
25
7
26
FIT
1:1
100%

Артикул

Название

Примечание

Количество

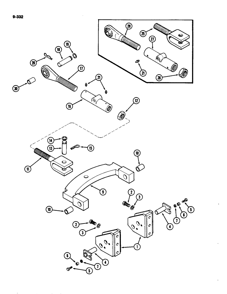
1

A146714

BRACKET

- pivot

2шт.

2

113-709

BOLT,Hex, 3/4" - 10 x 1-1/2", Gr 5

6шт.

3

192-27

LOCK WASHER,3/4"

WASHER, LOCK, 3/4"

6шт.

4

A138905

PIN

- pivot, mounting plate

2шт.

5

113-481

BOLT,Locking, 1/2" - 13 x 1-1/4", Gr 5, Full Thd

- lock, 1/2 x 1-1/4" NC hex (Grade 5)

2шт.

6

A148908

SPACER

- pivot lock (Replaces 192-23)

2шт.

7

L30674

WASHER

- spacer, 1/2 x 7/8 x 1/8" (12.7 x 22.22 x 3.17 mm)

2шт.

9

A162318

PLATE

ASSEMBLY - turnbuckle mounting (Replaces A148269)

1шт.

10

A24633

BUSHING,31.7mm ID x 38.18mm OD x 51.16mm L

- pin pivot

2шт.

11

A138907

CLEVIS

- turnbuckle (1-1/2" NF RH thread) (See Ref 25)

1шт.

12

127-174

NUT

- jam, 1-1/2" NF hex (See Ref 26)

1шт.

13

A76283

PIN

- clevis, 1-1/4 x 4-1/4" (31.75 x 132.95 mm)

1шт.

14

17406

RING

- snap

1шт.

15

A56393

PIN

- lock

1шт.

16

A160905

TURNBUCKLE

- adjusting (1-1/2" thread)(See Ref 27) (Replaces A75964)

1шт.

17

A141051

ROD

- third point (1-1/2" NF LH thread)(See Ref 28)

1шт.

18

A76285

PIN

- third point, 1-1/4 x 4-7/8" (31.75 x 123.82 mm)

1шт.

19

17406

RING

- snap

1шт.

20

A56393

PIN

- lock

1шт.

21

219-1

LUBE NIPPLE,1/8" - 27 NPTF

FITTING - lube, 1/8" PT straight

2шт.

25

A161040

CLEVIS

- turnbuckle (1-3/4" NF RH thread)(Heavy Duty)

1шт.

26

129-16-

NUT - jam, 1-3/4" NF hex (Heavy Duty)

1шт.

27

A161049

TURNBUCKLE

- adjusting (1-3/4" thread)(Heavy Duty)

1шт.

28

A161059

ROD

- third point (1-3/4" NF LH thread)(Heavy Duty)

1шт.

30

L10462

BUSHING

- hitch pin (Category ll)

1шт.

Выбрано товаров: 25