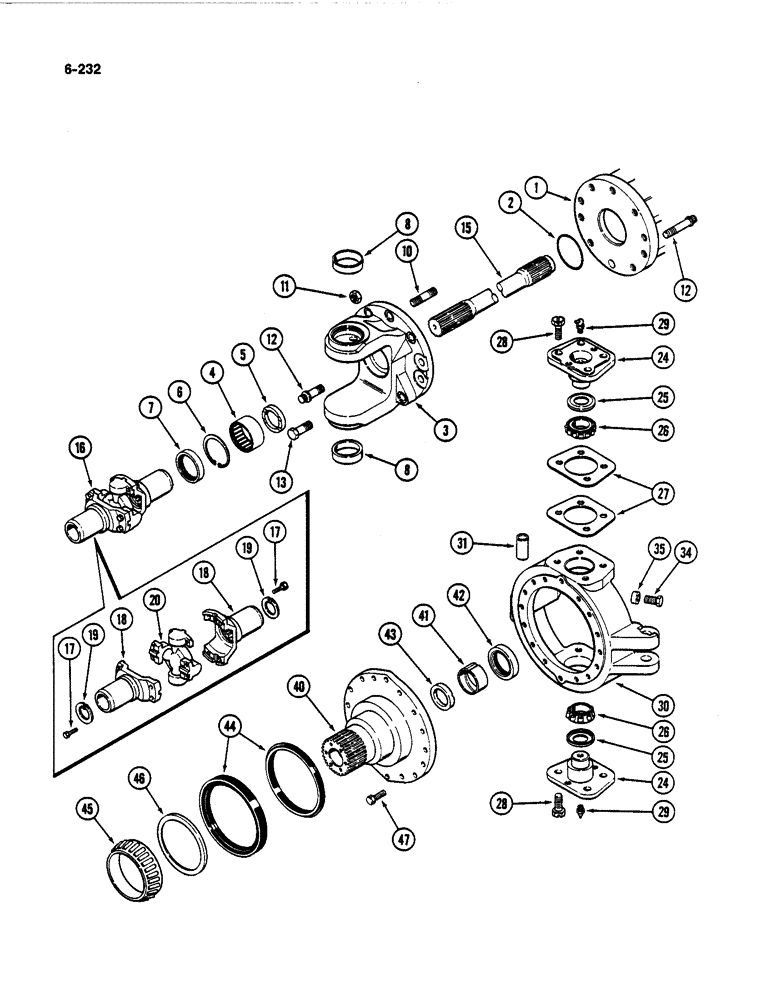
Запчасти Case IH 4494 (6-232) - REAR AXLE ASSEMBLY RIGHT TRUNNION & SPINDLE, TRUNNION WITH BEARING, AXLE SERIAL NO. 1305953 & AFTER (06) - POWER TRAIN

Схема запчастей Case IH 4494 - (6-232) - REAR AXLE ASSEMBLY RIGHT TRUNNION & SPINDLE, TRUNNION WITH BEARING, AXLE SERIAL NO. 1305953 & AFTER (06) - POWER TRAIN
18
7
1
29
4
5
10
5
8
24
17
6
45
25
24
11
13
19
48
31
35
28
12
47
2
6
15
20
41
19
29
16
3
34
42
12
17
18
44
43
27
30
5
40
26
28
FIT
1:1
100%

Артикул

Название

Примечание

Количество

1

REF

INSTRUCTION

HOUSING - axle (See Figure 6-226)

1шт.

2

A21301

O-RING,0.139" Thk x 3.609" ID, -239, Cl 5, 75 Duro

- housing

1шт.

3

A156467

TRUNNION

ASSEMBLY - axle, Includes: Ref. 4 - 8

1шт.

4

A144093

NEEDLE BEARING,Needle, 63.53mm ID x 82.55mm OD x 38.1mm W

BEARING - needle

1шт.

5

A168815

WASHER,52.07mm ID x 64.07mm OD x 11.71mm Thk

- thrust

1шт.

6

S97613

SNAP RING,3.25", Int, #325

Ring, Snap, 3.25", Int, #325

1шт.

7

A168810

OIL SEAL,61.4mm ID x 89.31mm OD x 16mm Thk

- oil

1шт.

8

A156466

BEARING, CUP

CUP - bearing

2шт.

10

A77281

STUD

- trunnion to axle housing, 3/4 NC x 2-7/8 inch

1шт.

11

25-1612

NUT,3/4"-10, G5, Hvy

- hex, 3/4 inch NC

1шт.

12

166-134

12 PT SCREW,Flg, 3/4" - 10 x 2", Gr 8

BOLT - 12 point head, 3/4 NC x 2 inch, Grade 8

2шт.

12

166-139

12 PT SCREW,Flg, 3/4" - 10 x 3 1/4", Gr 8

BOLT - 12 point head, 3/4 NC x 3-1/4 inch, Grade 8

2шт.

13

26-1232

BOLT,Hex, 3/4" - 10 x 2", Gr 8

4шт.

13

26-1240

BOLT,Hex, 3/4" - 10 x 2-1/2", Gr 8

- hex, 3/4 NC x 2-1/2 inch, grade 8

1шт.

15

A179306

SHAFT

- axle, 32-1/2 inch long

1шт.

16

A168812

JOINT

ASSEMBLY - universal, Includes: Ref. 17 - 20

1шт.

17

A12870

BOLT,Hex, 7/16" - 20 x 1 1/16"

- universal joint to slip yoke

8шт.

18

A52004

YOKE

ASSEMBLY - slip

2шт.

19

A44249

SNAP RING,1.812", Int, #181

Ring, Snap, 1.812", Int, #181

1шт.

20

D50866

SPIDER,49.28mm Cap Dia, 117.35mm L, Grease-able

U-joint - universal (Includes bearings)

1шт.

24

A156468

PIN

ASSEMBLY - king, lower and upper, Includes: Ref. 25 and 26

2шт.

25

A179808

SEALING RING

RING - sealing

1шт.

26

A31257

ROLLER BEARING,1.5" ID x 1.01"

CONE - bearing

1шт.

27

A182553

SHIM,.002" Thk

King pin .002" Thk

1шт.

27

A136186

SHIM,82.96mm ID x 126.75mm OD x 0.13mm Thk

King pin .005" Thk

1шт.

27

A136187

SHIM,82.96mm ID x 126.75mm OD x 0.38mm Thk

King pin .015" Thk

1шт.

28

26-1028

BOLT,Hex, 5/8" - 11 x 1-3/4", Gr 8

- hex, 5/8 NC x 1-3/4 inch, Grade 8

8шт.

29

219-3

LUBE NIPPLE,1/8" - 27 NPTF

FITTING - straight lube, 1/8 inch PT

2шт.

30

A152552

HOUSING

ASSEMBLY - spindle, Includes: Ref. 31

1шт.

31

A75239

BUSHING,22.28mm ID x 28.66mm OD x 56.34mm L

- tie rod pivot bolt

1шт.

34

26-1020

BOLT,Hex, 5/8" - 11 x 1-1/4", Gr 8

- hex, stop, 5/8 NC x 1-1/4 inch, Grade 8

1шт.

35

A140011

BUSHING

SPACER - 21/32 x 1 x 5/16 inch

1шт.

40

A179717

HUB

SPINDLE ASSEMBLY - wheel, Includes: Ref. 41 - 46

1шт.

41

A179704

BUSHING,63.55mm ID x 68.43mm OD x 38.1mm L

- universal joint, 2-11/16 O.D. x 1-1/2 inch wide

1шт.

42

A168810

OIL SEAL,61.4mm ID x 89.31mm OD x 16mm Thk

- oil

1шт.

43

A168815

WASHER,52.07mm ID x 64.07mm OD x 11.71mm Thk

- thrust

1шт.

44

A76272

OIL SEAL,174.22mm ID x 219.53mm OD x 20.95mm Thk

ASSEMBLY - oil, spindle

1шт.

45

306854C91

BEARING

CONE - bearing, wheel

1шт.

46

A75256

RING

- backup, bearing cone

1шт.

47

26-824

BOLT,Hex, 1/2" - 13 x 1-1/2", Gr 8

14шт.

47

26-820

BOLT,Hex, 1/2" - 13 x 1-1/4", Gr 8

2шт.

Выбрано товаров: 41