Запчасти Case IH 4494 (8-306) - TRANSMISSION TOP COVER AND CIRCUITRY (08) - HYDRAULICS

Схема запчастей Case IH 4494 - (8-306) - TRANSMISSION TOP COVER AND CIRCUITRY (08) - HYDRAULICS
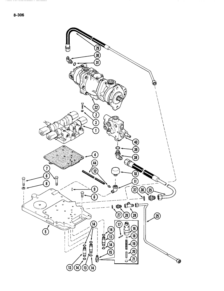
44
39
27
36
37
14
29
6
31
2
4
18
14
13
13
9
12
14
38
14
1
11
7
35
13
10
3
26
21
30
9
29
14
20
6
49
15
32
10
17
19
8
FIT
1:1
100%

Артикул

Название

Примечание

Количество

1

REF

INSTRUCTION

MANIFOLD ASSEMBLY - electric shift (See Figure 6-148)

1шт.

2

113-233

BOLT,Hex, 3/8" - 16 x 1-3/4", Gr 5

9шт.

3

192-21

LOCK WASHER,3/8"

WASHER, LOCK, 3/8"

9шт.

4

A157776

MANIFOLD GASKET

-, Serial Range: valve-cover

1шт.

5

A157774

COVER

- top, transmission case

1шт.

6

113-441

BOLT,Hex, 1/2" - 13 x 2-1/4", Gr 5

Hex, 1/2"-13 x 2 1/4", G5

7шт.

6

113-442

PREV TORQUE BOLT,Locking, 1/2"-13 x 2 1/4", G5

BOLT - hex, 1/2 NC x 2-1/2 inch

3шт.

7

113-417

BOLT,Hex, 1/2" - 13 x 1-1/4", Gr 5, Full Thd

1шт.

8

92-8

LOCK WASHER,1/2"

5шт.

9

D24005

PIN

- dowel, cover to case (If equipped)

1шт.

10

A75179

BREATHER

- transmission oil

1шт.

11

A169038

ELBOW UNION

ELBOW - seat adapter

1шт.

12

218-441

HYD CONNECTOR,7/16" - 20 Male JIC x 1/8" - 27 Male NPTF

CONNECTOR - straight, 1/4 tube 7/16-20 thread x 1/8 inch PT

1шт.

13

A76120

TUBE

- oil distributor

3шт.

14

D31409

O-RING,0.07" Thk x 0.489" ID, -14, Cl 6, 90 Duro

- tube seal (Order G102845)

6шт.

15

A60890

VALVE

ASSEMBLY - relief, lube oil, Includes: Ref. 16 - 21

1шт.

16

NSS

NOT SOLD SEPARAT

BODY - valve (Order A60890)

1шт.

17

138-57

LOCK PIN,1/8" x 3/4", Slotted

PIN, 1/8" x 3/4", Slotted

1шт.

18

211-9

BALL,5/16" Dia

- 5/16 inch (8 mm) diameter

1шт.

19

A60889

SPRING

- relief ball

1шт.

20

138-96

LOCK PIN,3/16" x 1", Slotted

PIN, 3/16" x 1", Slotted

1шт.

21

195-6

WASHER,#6

- 5/32 x 5/16 x 1/32 inch (4 x 8 x 1 mm)

1шт.

25

A169976

TUBE

- return oil from cooler

1шт.

26

218-5059

HYD CONNECTOR,3/4"-16, 37 Degree x 3/4"-16, O-Ring

CONNECTOR ASSEMBLY - straight, 1/2 tube 3/4-16 thread, Incl. Ref 27

1шт.

28

218-845

TEE,37 Degree, 3/4"-16 x 3/4"-16, Fem Sw Run

ASSEMBLY - swivel, 1/2 tube 3/4-16 inch thread

1шт.

29

A151128

TUBE

- pump to tee, relief valve drain

1шт.

30

218-5106

90 ELBOW,90 Degree Elbow, 3/4" - 16 Male JIC x 3/4" - 16 Male ORB

ASSEMBLY - 90 degree, 1/2 tube x 3/4-16 thread, Includes: Ref. 31

1шт.

32

REF

INSTRUCTION

PUMP ASSEMBLY - hydraulic (See Figure 8-308)

1шт.

35

A77019

HOSE

- hydraulic pressure regulator, Serial Range: valve-cover

1шт.

36

218-5064

HYD CONNECTOR,1-1/16" - 12 Male JIC x 1-1/16" - 12 Male ORB

CONNECTOR ASSEMBLY - straight, 3/4 tube 1-1/16-12 inch thread, Incl. Ref. 37

1шт.

37

218-5008

O-RING,0.116" Thk x 0.924" ID, -912, Cl 6, 90 Duro

- 15/16 ID x 7/64 inch width (23 ID x 3 mm width)

1шт.

38

218-5108

ELBOW,90 Degree Elbow, 1-1/16" - 12 Male JIC x 1-1/16" - 12 Male ORB

ASSEMBLY - 90 degree, 3/4 tube 1-1/16-12 inch thread, Incl. Ref. 39

1шт.

39

218-5008

O-RING,0.116" Thk x 0.924" ID, -912, Cl 6, 90 Duro

- 15/16 ID x 7/64 inch width (23 ID x 3 mm width)

1шт.

40

REF

INSTRUCTION

VALVE ASSEMBLY - regulator (See Figure 8-296)

1шт.

44

A164247

HOSE ASSY.

HOSE - seat vent to breather (Order A167912 and, Serial Range: cut-length)

1шт.

A167912

TUBE

HOSE - seat vent, 152 inch (3861 mm)

1шт.

27

218-5006

O-RING,0.087" Thk x 0.644" ID, -908, Cl 6, 90 Duro

- 41/64 ID x 3/32 inch width (16 ID x 2 mm width)

1шт.

31

218-5006

O-RING,0.087" Thk x 0.644" ID, -908, Cl 6, 90 Duro

- 41/64 ID x 3/32 inch width (16 ID x 2 mm width)

1шт.

Выбрано товаров: 38