Запчасти Case IH 4494 (9-386) - DRAWBAR AND SUPPORTS (09) - CHASSIS/ATTACHMENTS

Схема запчастей Case IH 4494 - (9-386) - DRAWBAR AND SUPPORTS (09) - CHASSIS/ATTACHMENTS
43
41
12
5
18
5
47
19
10
22
20
25
17
11
14
18
28
31
15
21
10
23
13
1
3
29
46
2
27
4
11
10
8
44
26
40
35
43
10
FIT
1:1
100%

Артикул

Название

Примечание

Количество

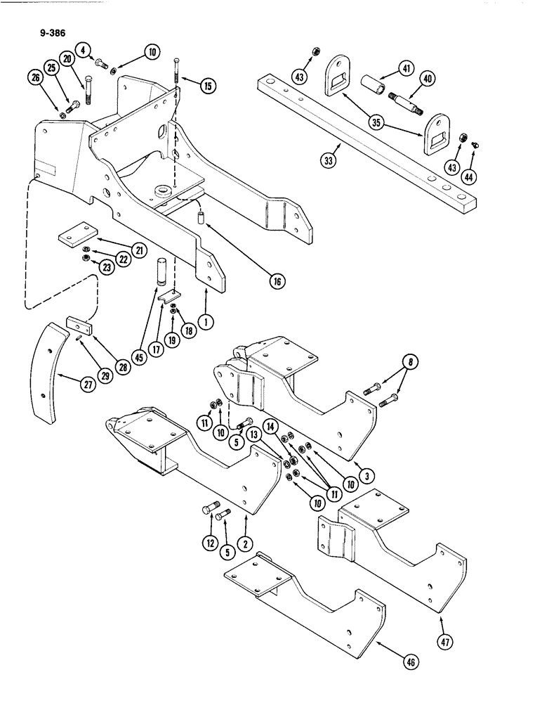
1

A166948

SUPPORT ASSY.

SUPPORT - drawbar

1шт.

2

A163272

BRACE

- drawbar, right (With hitch)

1шт.

3

A163273

BRACE

- drawbar, left (With hitch)

1шт.

4

113-713

BOLT,Hex, 3/4" - 10 x 1-3/4", Gr 5

6шт.

5

113-705

BOLT,Hex, 3/4" - 10 x 2-1/2", Gr 5

- hex, 3/4 NC x 2-1/2 inch

5шт.

8

113-730

BOLT,Hex, 3/4" - 10 x 2-3/4", Gr 5

- hex, 3/4 NC x 2-3/4 inch

6шт.

10

192-27

LOCK WASHER,3/4"

WASHER, LOCK, 3/4"

16шт.

11

129-108

NUT,3/4"-10, G5

10шт.

12

113-917

BOLT,Hex, 1" - 8 x 2-3/4", Gr 5, Full Thd

2шт.

13

192-31

LOCK WASHER,1"

WASHER, LOCK, 1"

2шт.

14

129-110

NUT,1"-8, G5

2шт.

15

113-411

BOLT,Hex, 1/2" - 13 x 4-1/2", Gr 5

2шт.

16

R40103

SPACER

- drawbar bolt lock

2шт.

17

T38570

LOCK

- strap, drawbar pin

1шт.

18

192-23

LOCK WASHER,1/2"

WASHER, LOCK, 1/2"

2шт.

19

129-105

NUT,Hex, 1/2" - 13, Gr 5

2шт.

20

113-725

BOLT,Hex, 3/4" - 10 x 5-1/2", Gr 5

- hex, 3/4 NC x 5-1/2 inch

2шт.

21

T38563

PLATE

- fixed, drawbar

1шт.

22

192-27

LOCK WASHER,3/4"

WASHER, LOCK, 3/4"

2шт.

23

129-108

NUT,3/4"-10, G5

2шт.

25

113-705

BOLT,Hex, 3/4" - 10 x 2-1/2", Gr 5

- hex, 3/4 NC x 2-1/2 inch

4шт.

26

192-27

LOCK WASHER,3/4"

WASHER, LOCK, 3/4"

4шт.

27

A165275

BLOCK

- sway

2шт.

28

A162548

BUSHING

SPACER ASSEMBLY - sway block, Includes: Ref. 29

4шт.

29

138-304

LOCK PIN,1/4" x 1 1/4", Slotted

PIN, (6 mm x 32 mm) 1/4" x 1 1/4", Slotted

1шт.

33

A167103

DRAWBAR

- towing

1шт.

35

A167104

PLATE

HANGER - drawbar roller

2шт.

40

T38572

PIN

- drawbar roller

1шт.

41

A145831

BUSHING

- roller, drawbar

1шт.

43

131-477

LOCK NUT,1"-8

NUT - hex lock, 1 inch NC

2шт.

44

219-55

LUBE NIPPLE,90 Degree Elbow, 1/8" - 27 NPTF

NIPPLE, LUBE, , Short 90º, 1/8" NPT x .84" lg

1шт.

45

T38569

PIN,38.1mm OD x 127mm L

- front, drawbar

1шт.

46

A75470

BRACE

- drawbar, right (Without hitch)

1шт.

47

A75471

BRACKET

BRACE - drawbar, left (Without hitch)

1шт.

Выбрано товаров: 34