Запчасти Case IH 4494 (2-036) - CYLINDER BLOCK, 504BDT DIESEL ENGINE (02) - ENGINE

Схема запчастей Case IH 4494 - (2-036) - CYLINDER BLOCK, 504BDT DIESEL ENGINE (02) - ENGINE
26
2
12
20
33
17
20
3
6
32
7
15
29
8
6
27
7
4
31
18
25
7
28
5
11
1
19
2
13
10
9
FIT
1:1
100%

Артикул

Название

Примечание

Количество

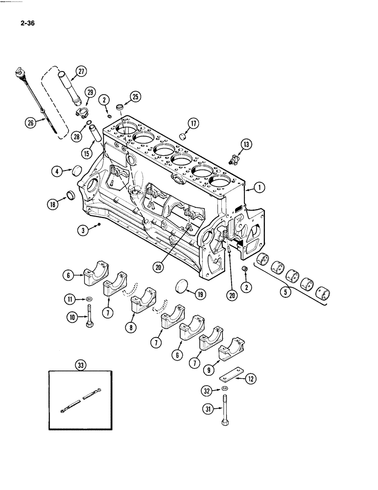
A166095

CRANKCASE

BLOCK ASSEMBLY - short (Includes stripped block, piston assembly, connecting rods and bearing, crankshaft and bearing, camshaft, timing gears and lifters) (Casting No. A66527), Includes: Ref. 2 - 19

1шт.

AR77827

REMAN-BASIC ENGINE

Remanufactured

1шт.

AC77827

CORE-BASIC ENGINE

Return Number, Engine Basic

1шт.

1

A44077

CRANKCASE

BLOCK ASSEMBLY - stripped, Includes: Ref. 2 - 19

1шт.

2

221-843

PLUG,Hex Soc, 3/8"-18

PLUG - socket head, 3/8 inch PT

4шт.

3

221-1849

PLUG

PLUG - socket head, 1/8 inch PT

6шт.

4

A24361

PLUG

PLUG - cup type, 2-3/8 inch (60 mm)

1шт.

5

REF

INSTRUCTION

BUSHINGS - camshaft (See Figure 2-34)

1шт.

6

A154398

BEARING CAP

CAP - wide, crankshaft bearing

2шт.

7

A154397

BEARING CAP

CAP - narrow, crankshaft bearing

3шт.

8

A154395

CAP

CAP - thrust, crankshaft bearing

1шт.

9

A154396

BEARING CAP

CAP - front, crankshaft bearing

1шт.

10

A66948

STEP BOLT

BOLT - bearing cap

12шт.

11

A58629

BEARING WASHER,16.66mm ID x 25.4mm OD x 3.04mm Thk

WASHER - 21/32 x 1 x 1/8 inch (17 x 25 x 3 mm)

12шт.

12

A58859

SHIM,.005" Thk

SHIM, , Oil pump .005" Thk

1шт.

13

A23656

COCK, DRAIN

VALVE - drain

1шт.

15

A34540

TUBE

TUBE - oil filler and dipstick

1шт.

17

A58568

PLUG,Cup, 1 3/8", Stainless

PLUG - cup type, 1-3/8 inch (35 mm)

3шт.

18

A58569

PLUG,Cup, 2", Stainless

PLUG - cup type, 2 inch (51 mm)

1шт.

19

41-1052

PLUG,Cup, 3 1/4"

PLUG - cup type, 3-1/4 inch (88 mm)

1шт.

20

A63903

NOZZLE CAP

NOZZLE - piston cooling

6шт.

25

41-1022

PLUG,Cup, 1 3/8"

PLUG - cup

1шт.

26

A154243

DIPSTICK

DIPSTICK - oil level

1шт.

27

A153835

TUBE

TUBE - extension, oil filler and dipstick

1шт.

28

A27342

O-RING,1.109" ID x 1.387" OD x 0.139"

O-RING - 1-1/8 ID x 1/8 inch width (29 ID x 3 mm wide)

1шт.

29

L47766

CLAMP

CLAMP - tube

1шт.

31

A66949

STEP BOLT

BOLT - oil pump and bearing cap

2шт.

32

A58629

BEARING WASHER,16.66mm ID x 25.4mm OD x 3.04mm Thk

WASHER - 21/32 x 1 x 1/8 inch (17 x 25 x 3 mm)

2шт.

33

A165302

CABLE

STRAP - ground, Serial Range: engine-frame

1шт.

Выбрано товаров: 29