Запчасти Case IH 4494 (6-160) - TRANSMISSION CLUTCH ASSEMBLY, TORQUE LIMITER (06) - POWER TRAIN

Схема запчастей Case IH 4494 - (6-160) - TRANSMISSION CLUTCH ASSEMBLY, TORQUE LIMITER (06) - POWER TRAIN
16
5
7
7
8
8
1
12
101
17
11
15
4
2
3
FIT
1:1
100%

Артикул

Название

Примечание

Количество

1

REF

INSTRUCTION

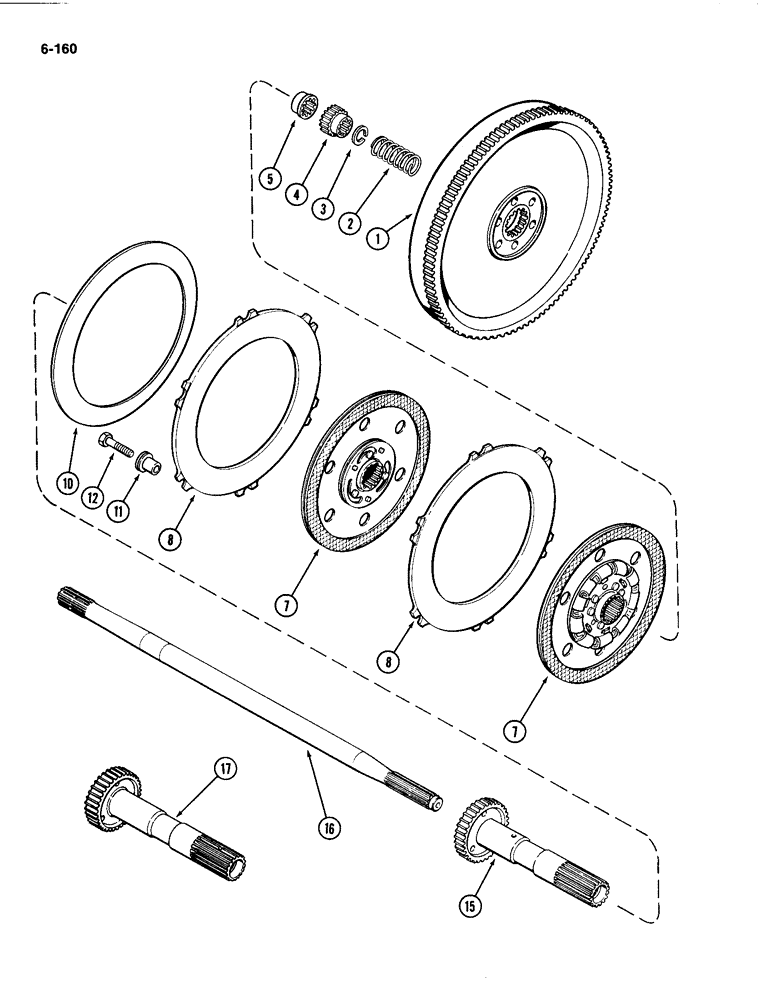
FLYWHEEL ASSEMBLY - engine (See Figure 2-38)

1шт.

2

A65416

SPRING

SPRING - drive sleeve, PTO shaft

1шт.

3

A76480

RING

RING - snap, drive shaft

1шт.

4

A66610

SLEEVE

SLEEVE - pump drive shaft

1шт.

5

A76482

BUSHING,20T

BUSHING - pump drive shaft

1шт.

7

A157381

PLATE

PLATE - torque limiter, 11-7/8 inch (302 mm) diameter

2шт.

7

1981314C1R

REMAN-CLUTCH DISC

Clutch Plate

2шт.

7

1981314C1C

CORE-CLUTCH DISC

Return Part Number

2шт.

8

A155859

PLATE

PLATE - pressure, with tabs

2шт.

10

A64370

SPRING

SPRING - belleville (Yellow color code)

1шт.

11

A155865

RETAINER

RETAINER - spring

6шт.

12

26-840

BOLT,Hex, 1/2" - 13 x 2-1/2", Gr 8

BOLT - hex, 1/2 NC x 2-1/2 inch (Grade 8)

6шт.

15

A148695

SHAFT

SHAFT - input gear

1шт.

Prior to transmission serial No. 1628468

1шт.

16

A76488

SHAFT

SHAFT - pto and pump drive

1шт.

17

A168992

SHAFT

SHAFT - input gear

1шт.

Transmission Serial No. 16258468 and after

1шт.

A168300

CLUTCH

CLUTCH ASSEMBLY - power shift (Complete Unit) (Includes Refs. 16,17 and parts listed on Figures 6-164 through 6-176)

1шт.

Transmission Serial No. 16258468 and after

1шт.

A153169

CLUTCH

CLUTCH ASSEMBLY - power shift (Complete Unit) (Includes Refs. 15,16 and parts on Figures 6-164 through 6-176)

1шт.

Prior to Transmission Serial No. 16258468

1шт.

Выбрано товаров: 21