Запчасти Case IH 4568 (07-20) - DRIVE TRAIN, REAR AXLE CENTER FRAME (04) - Drive Train

Схема запчастей Case IH 4568 - (07-20) - DRIVE TRAIN, REAR AXLE CENTER FRAME (04) - Drive Train
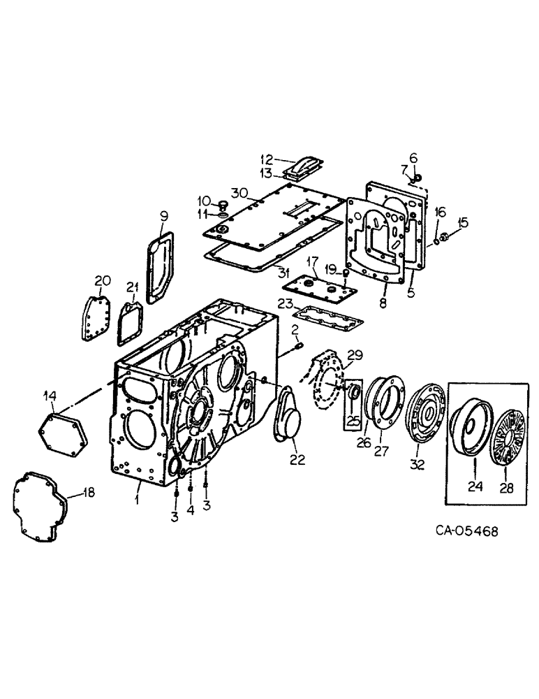
19
3
17
3
2
13
26
6
4
1
29
11
9
20
16
23
5
21
28
31
8
30
27
7
24
25
22
12
14
10
18
5
32
FIT
1:1
100%

Артикул

Название

Примечание

Количество

1

67890C91

FRAME ASSY

rear, Includes ref. nos. 2, 3 and 4

1шт.

383331R1

PLUG,Cup, 4.26"

torsion bar cup

1шт.

2

19846R1

DOWEL,1/2" x 1 1/4"

PIN, 1/2 x 1-1/4 dowel

1шт.

3

444788

DRAIN PLUG,Sq Soc, 1/2"-14 NPTF

PLUG, 1/2-14 automotive sq-soc-hd drain

2шт.

4

9409947

DRAIN PLUG,Sq Soc, 3/4"-14 NPTF

PLUG, 3/4-14 automotive sq-soc-hd pipe

1шт.

5

67892C2

COVER, input

1шт.

413-1032

BOLT,Hex, 5/8" - 11 x 2", Gr 5

5/8 x 2 pln type 5

10шт.

6

9410362

PLUG,Hex Hd, 1 3/16"-12 ORB

1-3/16-12 C-Z str thd o-ring boss oil level

1шт.

7

297459R1

O-RING,0.116" Thk x 1.048" ID, -914, Cl 6, 90 Duro

7/8 OD tube

1шт.

8

71902C1

GASKET

GASKET, input cover

1шт.

9

380330R3

COVER

drive attach opening

1шт.

179883

BOLT,Hex, 1/2" - 13 x 1 1/4", Gr 5

8шт.

474517C2

GASKET

TUBE, gasket eliminator

1шт.

10

9410362

PLUG,Hex Hd, 1 3/16"-12 ORB

1-3/16-12 str thd o-ring boss oil fill

1шт.

11

297459R1

O-RING,0.116" Thk x 1.048" ID, -914, Cl 6, 90 Duro

7/8 OD tube

1шт.

12

67903C2

COVER, diff bevel gear

1шт.

179816

BOLT,Hex, 5/16" - 18 x 3/4", Gr 5

6шт.

13

GASKET, diff bevel gear cover, For service use

1шт.

474517C2

GASKET

TUBE, gasket eliminator

1шт.

14

383329R1

COVER

draft control adj opening

1шт.

271556

WHEEL CYLINDER,Hex, 5/8" - 11 x 1 1/4", Gr 5

SCREW 5/8-11 x 1-1/4 hex-hd cap

6шт.

474517C2

GASKET

TUBE, gasket eliminator

1шт.

15

9410356

PLUG

7/16-20 C-Z str thd-o-ring boss oil level

1шт.

17

67922C1

COVER

diff top small

1шт.

NLS

NO LONGER SERVICED

10шт.

18

380272R1

COVER

IPTO opening

1шт.

413-818

BOLT,Hex, 1/2" - 13 x 1-1/8", Gr 5

SCREW, 1/2-13 x 1-1/8 hex-hd cap

9шт.

474517C2

GASKET

TUBE, gasket eliminator

1шт.

19

152127H1

BREATHER,1/8"-27, Short

1/8-27 axle, Replaces 110891H

1шт.

20

382243R1

COVER ASSY

COVER, pump opening

1шт.

179838

BOLT,Hex, 3/8" - 16 x 7/8", Gr 5, Full Thd

3/8-16 x 7/8 hex-hd cap

12шт.

21

382244R4

GASKET

pump opening cover

1шт.

22

382256R1

COVER ASSY

COVER, oil filter

1шт.

179833

BOLT,Hex, 3/8" - 16 x 1/2", Gr 5, Full Thd

8шт.

474517C2

GASKET

TUBE, gasket eliminator

1шт.

23

67905C1

GASKET

diff top small cover

1шт.

24

528688R2

HOUSING

RETAINER, LH bull pinion brg, 4568 tractor

1шт.

24

528689R2

RETAINER, RH bull pinion brg, 4568 tractor

1шт.

271558

HOOD,Hex, 5/8" - 11 x 1 1/2", Gr 5

SCREW, 5/8-11 x 1-1/2 hex-hd cap

12шт.

25

530806R91

SEAL,53.59mm ID x 76.33mm OD x 9.53mm Thk

pinion shaft outer, 4568 tractor

2шт.

26

530789R1

O-RING,6.712" ID x 0.139" Width

O-RING, bull pinion brg and oil seal retainer

2шт.

27

528690R1

SHIM

retainer hsg, .035, 4568 tractor, 2 or as required

1шт.

27

391816R1

SHIM

retainer hsg, .035, 4586 tractor, 2 or as required

1шт.

27

528691R1

SHIM

retainer hsg, .012, 4568 tractor, 4 or as required

1шт.

27

391817R1

SHIM

retainer hsg, .012, 4586 tractor, 4 or as required

1шт.

27

528692R1

SHIM

retainer hsg, .007, 4568 tractor, 6 or as required

1шт.

27

391818R1

SHIM

retainer hsg, .007, 4586 tractor, 6 or as required

1шт.

27

528693R1

SHIM

retainer hsg, .004, 4568 tractor, 1 or as required

1шт.

27

391819R1

SHIM

retainer hsg, .004, 4586 tractor, 1 or as required

1шт.

27

528694R1

SHIM

retainer hsg, .003, 4568 tractor, 1 or as required

1шт.

27

391820R1

SHIM

retainer hsg, .003, 4586 tractor, 1 or as required

1шт.

28

70754C91

COVER

ASSY, LH axle carrier, 4568 tractor

1шт.

28

70755C91

COVER ASSY, RH axle carrier, 4568 tractor

1шт.

23891R1

12 PT SCREW

SCREW, 5/8-11 x 4-3/4 12-pt flange

8шт.

29

CARRIER, axle, Refer to axle listing this group

1шт.

30

134529C91

COVER ASSY, diff top main, Replaces 67899C1

1шт.

271556

WHEEL CYLINDER,Hex, 5/8" - 11 x 1 1/4", Gr 5

SCREW, 5/8-11 x 1-1/4 hex-hd cap

16шт.

474517C2

GASKET

TUBE, gasket eliminator

1шт.

31

GASKET, diff top main cover, For service use

1шт.

474517C2

GASKET

TUBE, gasket eliminator

1шт.

32

71865C91

HOUSING

ASSY, bull pinion brg, 4586 tractor

2шт.

21280R1

PLUG,Cup, 3"

3 in. OD cup

2шт.

26322R1

BOLT, 5/8 x 2 phc p/t type 8 Locking, 5/8"-11 x 2", G8

8шт.

474517C2

GASKET

TUBE, gasket eliminator

1шт.

16

369751R1

O-RING,0.072" Thk x 0.351" ID, -904, Cl 6, 90 Duro

4-1, 90 Duro, .351" ID x .072" Thk, 1/4 OD tube

1шт.

Выбрано товаров: 65