Запчасти Case IH 4586 (10-25) - HYDRAULICS, FOURTH VALVE AND CONNECTIONS, FOR FOUR AUXILIARY VALVES, 4586 TRACTORS (07) - HYDRAULICS

Схема запчастей Case IH 4586 - (10-25) - HYDRAULICS, FOURTH VALVE AND CONNECTIONS, FOR FOUR AUXILIARY VALVES, 4586 TRACTORS (07) - HYDRAULICS
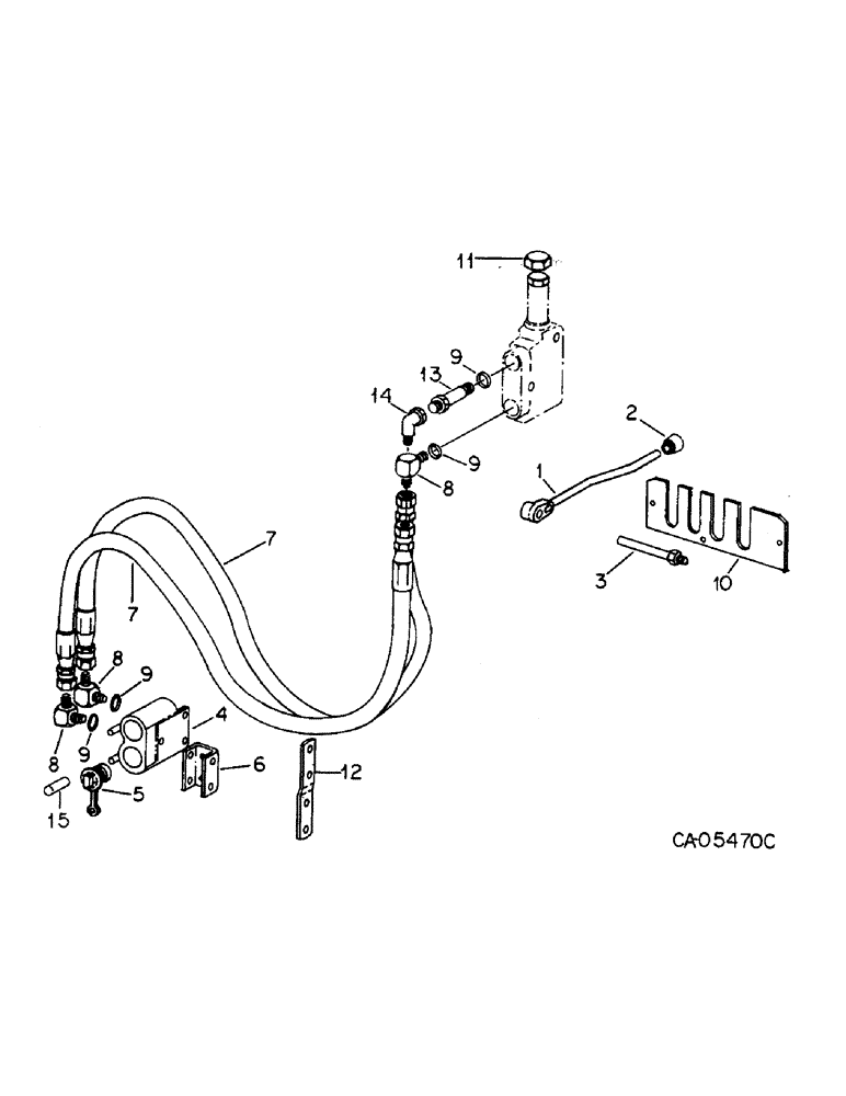
1
9
9
3
15
11
2
13
12
14
9
7
10
8
8
8
4
7
9
6
5
FIT
1:1
100%

Артикул

Название

Примечание

Количество

1

124532C3

LEVER

ASSY, valve actuating outer, Serial Range: -2098

1шт.

1

132637C1

LEVER

ASSY, valve actuating outer, Start Serial: 2099

1шт.

2

387885R1

KNOB

actuating lever, black, Serial Range: -2500

1шт.

2

147095C1

KNOB, actuating lever, tan, Start Serial: 2501

1шт.

3

129479C1

SHAFT

lever pivot

1шт.

98724H

AXLE PIN,1/2" x 1.688"

PIN, 1/2 x 1.688 pln clevis

1шт.

103374

COTTER PIN,3/32" x 1"

Pin, Split (Cotter), 3/32" x 1"

1шт.

4

544786R95

COUPLING, BREAK AWAY

COUPLER ASSY, female, For components, see list of parts under details of female coupler

1шт.

5

64757C1

PLUG

coupler dust

2шт.

6

69555C1

BRACKET

coupler

1шт.

180173

BOLT,Hex, 1/2" - 13 x 1", Gr 5

2шт.

120396

WASHER

17/32 x 1-1/16 x .074 znd

4шт.

120384

WASHER,1/2"

LOCK, 1/2"

4шт.

180177

BOLT,Hex, 1/2" - 13 x 1 1/2", Gr 5

SCREW, 1/2-13 x 1-1/2 znd hex-hd cap

2шт.

120378

NUT,Hex, 1/2" - 13, Gr 5

NUT, 1/2"-13, G5

2шт.

7

69556C1

HOSE

ASSY, valve to coupler, Serial Range: -2159

2шт.

7

141963C1

HOSE

ASSY, valve to coupler, Start Serial: 2160

2шт.

8

9410978

ELBOW,90 Degree, 7/8"-14, 37 Degree x 7/8"-14, O-Ring

7/8-14 C-Z 37 deg hyd flared tube 90 deg, Serial Range: -2159

4шт.

8

9410978

ELBOW,90 Degree, 7/8"-14, 37 Degree x 7/8"-14, O-Ring

7/8-14 C-Z 37 deg hyd flared tube 90 deg, without three point category IV hitch, Start Serial: 2160

3шт.

8

9410978

ELBOW,90 Degree, 7/8"-14, 37 Degree x 7/8"-14, O-Ring

7/8-14 C-Z 37 deg hyd flared tube 90 deg, with three point category IV hitch, Start Serial: 2160

1шт.

8

9411106

ELBOW

7/8-14 C-Z 37 deg hyd flared tube adj str thd 45 deg

2шт.

8

9411106

ELBOW

7/8-14 C-Z 37 deg hyd flared tube adj str thd 45 deg

2шт.

9

364885R1

O-RING,0.097" Thk x 0.755" ID, -910, Cl 6, 90 Duro

5/8 OD tube

4шт.

10

129476C1

COVER

four valve bank auxiliary

1шт.

552897R1

SELF-TAP SCREW,1/4" - 20 x 1/2"

SCREW, 1/4-20 x 1/2 zn hex-washer-hd tap

3шт.

11

124708C1

CAP

valve weather

1шт.

12

120012C1

SUPPORT

BRACKET, coupler mounting, For tractors with category IV three point hitch

1шт.

180175

BOLT,Hex, 1/2" - 13 x 1 1/4", Gr 5

1/2 x 1-1/4 type 5

2шт.

120384

WASHER,1/2"

LOCK, 1/2"

2шт.

13

9410230

HYD CONNECTOR,7/8"-14, 37 Degree x 7/8"-14, Pipe

CONNECTOR, 7/8-14 C-Z 37 deg hyd flrd tube long, Start Serial: 2160

1шт.

14

9410282

ELBOW,90 Degree, 7/8"-14, 37 Degree x 7/8"-14, 37 Degree Fem Sw

7/8-14 C-Z 37 deg tube 90 deg swivel, Start Serial: 2160

1шт.

15

139349C1

SLEEVE

coupling lever, tan

2шт.

Выбрано товаров: 32