Запчасти Case IH 4586 (13-14) - CAB AND SUPERSTRUCTURE, AIR CONDITIONER ATTACHMENT AND CONNECTIONS (05) - SUPERSTRUCTURE

Схема запчастей Case IH 4586 - (13-14) - CAB AND SUPERSTRUCTURE, AIR CONDITIONER ATTACHMENT AND CONNECTIONS (05) - SUPERSTRUCTURE
14
32
35
11
28
23
31
18
5
26
12
32
25
17
37
39
19
29
15
3
40
3
9
5
38
4
6
1
10
2
16
13
7
22
21
8
34
36
20
4
30
6
24
33
40
FIT
1:1
100%

Артикул

Название

Примечание

Количество

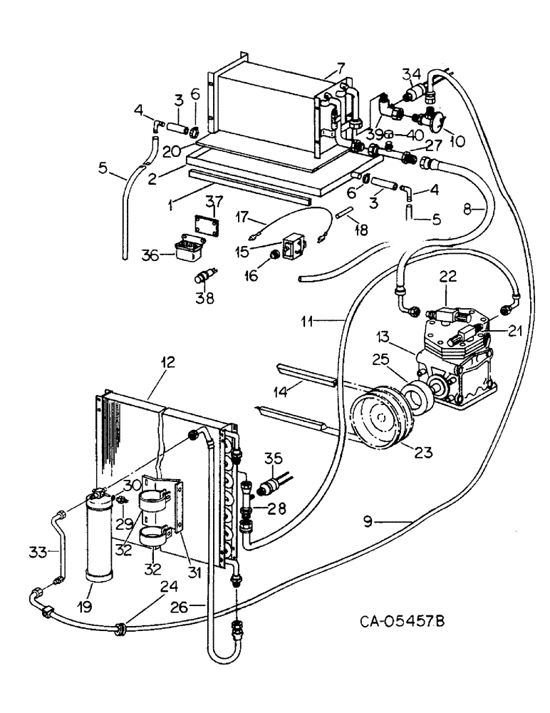
1

71750C1

STRIP

STRIP, elevator foam

1шт.

2

70175C3

PAN

PAN ASSY, condensation, Includes

1шт.

71751C1

SEALING STRIP

STRIP, condensation pan

1шт.

71753C1

SPARE PART STRIP, condensation seal

1шт.

3

TUBE, A/C to elbow drain, Use 12.25 inch from a roll marked 665181R1, 4568 tractor, Use 12 inch from a roll marked, 665181R1, 4586 tractor

1шт.

4

70176C1

ELBOW

ELBOW, drain tube

2шт.

5

TUBE, drain, Use 96 inch from a roll marked, 665181R1, 4568 tractor

1шт.

5

132629C1

SPARE PART HOSE, drain, 4586 tractor

2шт.

109239C2

CHECK VALVE

VALVE, CHECK, Drain

1шт.

6

279025R91

HOSE CLAMP,#06, .44/.78 Type F Worm

HOSE CLAMP, #06, .44/.78 Type F Worm

2шт.

7

70178C91

RADIATOR

EVAPORATOR ASSY, Includes ref. no. 10

1шт.

146653C1

NUT

NUT, 5/16-18 clip

4шт.

180077

BOLT,Hex, 5/16" - 18 x 3/4", Gr 5

BOLT, 5/16 x 3/4 type 5

4шт.

103320

LOCK WASHER,5/16"

WASHER, LOCK, 5/16"

4шт.

8

110024C1

HOSE ASSY.

HOSE ASSY, Serial Range: evaporator-compressor

1шт.

9

134550C1

A/C HOSE

HOSE ASSY, evaporator to condenser, Replaces 70294C1

1шт.

10

70179C1

LOCK VALVE

VALVE ASSY, expansion

1шт.

11

118863C1

HOSE ASSY.

HOSE ASSY, Serial Range: compressor-condenser

1шт.

12

118859C1

CONDENSER

CONDENSER ASSY

1шт.

463-1108

SCREW,Hex Hd, #10-24 x 1/2"

10-24 x 1/2 znd hex-hd mach

8шт.

120361

NUT,Hex Mach Screw, #10 - 24

NUT, #10-24

8шт.

13

118250C91

COMPRESSOR

COMPRESSOR ASSY, A/C w/screen, for components parts see detail under compressor listing

1шт.

13

1924006C2

REMAN-A/C COMPRESSOR

Reman For New PN 118250C91

1шт.

13

1924007C1

CORE-A/C COMPRESSOR

Return Number

1шт.

180122

BOLT,Hex, 3/8" - 16 x 1", Gr 5

BOLT, 3/8-16 x 1 znd hex-hd cap

5шт.

180116

BOLT,Hex, 3/8" - 16 x 1/2", Gr 5

BOLT, 3/8 x 1/2 type 5

1шт.

120382

LOCK WASHER,Helical Spring, 3/8"

WASHER, LOCK, 3/8"

6шт.

14

131303C91

V-BELT

A/C Compressor Set, Replaces 479219C91

1шт.

15

70500C2

SWITCH

SWITCH, thermostat, 4568 tractor

1шт.

15

109268C2

SWITCH

SWITCH, thermostat, 4586 tractor

1шт.

109311H

JAM NUT

NUT, 7/16-28 hex face

2шт.

16

539810R1

KNOB

KNOB, thermostat switch, 4568 tractor

1шт.

16

111282C1

KNOB

KNOB, thermostat switch, 4586 tractor

1шт.

17

69452C1

CABLE ASSY.

CABLE ASSY, blower, Serial Range: switch-thermostat

1шт.

18

46893H

CONNECTION

CONNECTOR, two wire line

1шт.

19

134552C1

RECEIVER-DRYER,Air Conditioner

RECEIVER, drier assy, Includes ref nos 29 and 30, Replaces 70185C91 by also ordering package 134649C92

1шт.

134553C2

BRACKET

BAR

1шт.

134554C1

COLLAR CLAMP

CLAMP

2шт.

86505867

BOLT,Hex, 1/4" - 20 x 1", Gr 5

BOLT, Hex, 1/4"-20 x 1", G5

2шт.

134555C1

NUT

NUT

2шт.

413-412

BOLT,Hex, 1/4" - 20 x 3/4", Gr 5

BOLT, Hex, 1/4"-20 x 3/4", G5, Full Thd

2шт.

120392

WASHER,1/4", SAE

WASHER, 9/32 x 5/8 x .065 znd

4шт.

120375

NUT,Hex, 1/4" - 20, Gr 5

NUT, 1/4"-20, G5

2шт.

134649C92

PACKAGE

SPARE PART PACKAGE, receiver dryer mounting service, 4568 tractors, Consists of

1шт.

134649C92

PACKAGE

SPARE PART PACKAGE, receiver dryer mounting service, 4586 tractors, Consists of, Serial Range: -901

1шт.

134555C1

NUT

NUT, 1/4-20 hex w/washer

2шт.

86505867

BOLT,Hex, 1/4" - 20 x 1", Gr 5

BOLT, Hex, 1/4"-20 x 1", G5

2шт.

134553C2

BRACKET

BAR, bracket

1шт.

155850H1

CLAMP,3/8", 1/4" Bolt

CLAMP, lead tube

1шт.

134556C1

TUBE,11.25" Length

TUBE ASSY, lead

1шт.

1250238C1

CLAMP

CLAMP

2шт.

454065

SCREW,Hex Hd, #10-32 x 3/4"

SCREW, no. 10 NF x 3/4 znd h/hd mach

2шт.

20

71752C1

STRIP

STRIP, evaporator & heater top foam

1шт.

21

117827C91

LOCK VALVE

VALVE ASSY, service, discharge, only serviceable items are

1шт.

118185C1

CAP ASSY.

CAP ASSY, valve stem

1шт.

118188C1

CAP

CAP, 1/4 SAE 45 deg flare

1шт.

22

117828C91

LOCK VALVE

VALVE ASSY, service, suction, only serviceable items are

1шт.

118185C1

CAP ASSY.

CAP ASSY, valve stem

1шт.

118188C1

CAP

CAP, 1/4 SAE 45 deg flare

1шт.

23

134547C91

CLUTCH ASSEMBLY

CLUTCH ASSY, compressor

1шт.

24

70291C1

GROMMET,1" ID x 1 3/8" Groove Dia

GROMMET, evaporator to condenser hose, 4568 tractor

1шт.

25

70833C1

SEAL

RING, compressor seal and dust guard

1шт.

26

119009C1

HOSE

HOSE ASSY, Serial Range: receiver-condenser

1шт.

27

129257C1

ADAPTER,1" OD, 5" Length

SPARE PART TUBE ASSY, evap. suction, 4586 tractor

1шт.

28

129256C1

ADAPTER

ADAPTER, a/c high press switch, 4586 tractor

1шт.

29

134557C1

SWITCH

SWITCH, low pressure cutout

1шт.

30

355967R1

O-RING,0.364" ID x 0.003" Width

O-RING, .364 x .070

1шт.

31

134553C2

BRACKET

BRACKET, receiver drier, Start Serial: 902

1шт.

32

1250238C1

CLAMP

CLAMP, receiver drier, Replaces 134554C1, Start Serial: 902

2шт.

86505867

BOLT,Hex, 1/4" - 20 x 1", Gr 5

BOLT, Hex, 1/4"-20 x 1", G5

2шт.

134555C1

NUT

NUT, 1/4-20 hex w/washer

2шт.

454065

SCREW,Hex Hd, #10-32 x 3/4"

SCREW, no. 10 NF x 3/4 znd h/hd mach

2шт.

33

134556C1

TUBE,11.25" Length

TUBE ASSY, lead, when receiver drier 134552C1 is used w/hose 70294C1, Serial Range: -901

1шт.

155850H1

CLAMP,3/8", 1/4" Bolt

CLAMP, lead tube

1шт.

34

111267C3

SWITCH

SWITCH ASSY, lower pressure

1шт.

35

111266C1

SWITCH, A/C HIGH PRE

SWITCH ASSY, high pressure

1шт.

109311H

JAM NUT

NUT, 7/16-28 hex face

2шт.

36

437882C1

RELAY

RELAY, A/C lockout

1шт.

37

132564C1

BRACKET

SPARE PART BAR, A/C relay lockout, bracket

1шт.

159920

SCREW,Cross Pan Hd, #10 - 24 x 1/2"

SCREW, Cross Pan Hd, #10-24 x 1/2"

2шт.

120217

LOCK WASHER,#10

WASHER, LOCK, #10

2шт.

120361

NUT,Hex Mach Screw, #10 - 24

NUT, #10-24

2шт.

38

109369C92

LAMP

LIGHT ASSY, A/C indicator

1шт.

39

142129C1

ELBOW

ELBOW ASSY, Schrader valve

1шт.

40

142155C1

CAP, protective closure

1шт.

Выбрано товаров: 85