Запчасти Case IH 4690 (6-178) - FRONT AXLE AND DIFFERENTIAL ASSEMBLY (06) - POWER TRAIN

Схема запчастей Case IH 4690 - (6-178) - FRONT AXLE AND DIFFERENTIAL ASSEMBLY (06) - POWER TRAIN
10
7
13
5
3
1
13
3
12
2
15
11
2
10
6
FIT
1:1
100%

Артикул

Название

Примечание

Количество

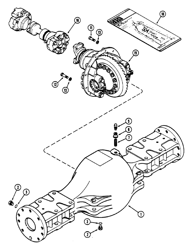
1

A150700

HOUSING

Axle

1шт.

2

A140222

PLUG

Drain, axle housing

2шт.

3

A51759

GASKET

Drain plug

2шт.

5

A12928

BREATHER

Differential oil

1шт.

6

221-1345

COUPLING, BREAK AWAY

Reducer, 3/8" PT x 1/8" PT

1шт.

7

221-1158

FITTING

NIPPLE - 3/8" PT x 1" long

1шт.

10

B17428

LOCTITE

Gasket eliminator, 2 oz. (50 CC) tube

1шт.

11

26-824

BOLT,Hex, 1/2" - 13 x 1-1/2", Gr 8

(Differential to Housing)

8шт.

12

26-828

BOLT,Hex, 1/2" - 13 x 1-3/4", Gr 8

(Differential to housing)

4шт.

13

92-8

LOCK WASHER,1/2"

12шт.

15

REF

INSTRUCTION

DIFFERENTIAL ASSEMBLY - axle (See Figure 6-190)

1шт.

16

REF

INSTRUCTION

SHAFT ASSEMBLY - drive, front axle (See Figure 6-186)

1шт.

Выбрано товаров: 12