Запчасти Case IH 4690 (6-200) - REAR AXLE AND DIFFERENTIAL ASSEMBLY, RIGID AXLE AND EXTENSION (06) - POWER TRAIN

Схема запчастей Case IH 4690 - (6-200) - REAR AXLE AND DIFFERENTIAL ASSEMBLY, RIGID AXLE AND EXTENSION (06) - POWER TRAIN
19
2
3
20
6
10
16
8
18
17
4
9
5
15
1
7
FIT
1:1
100%

Артикул

Название

Примечание

Количество

1

REF

INSTRUCTION

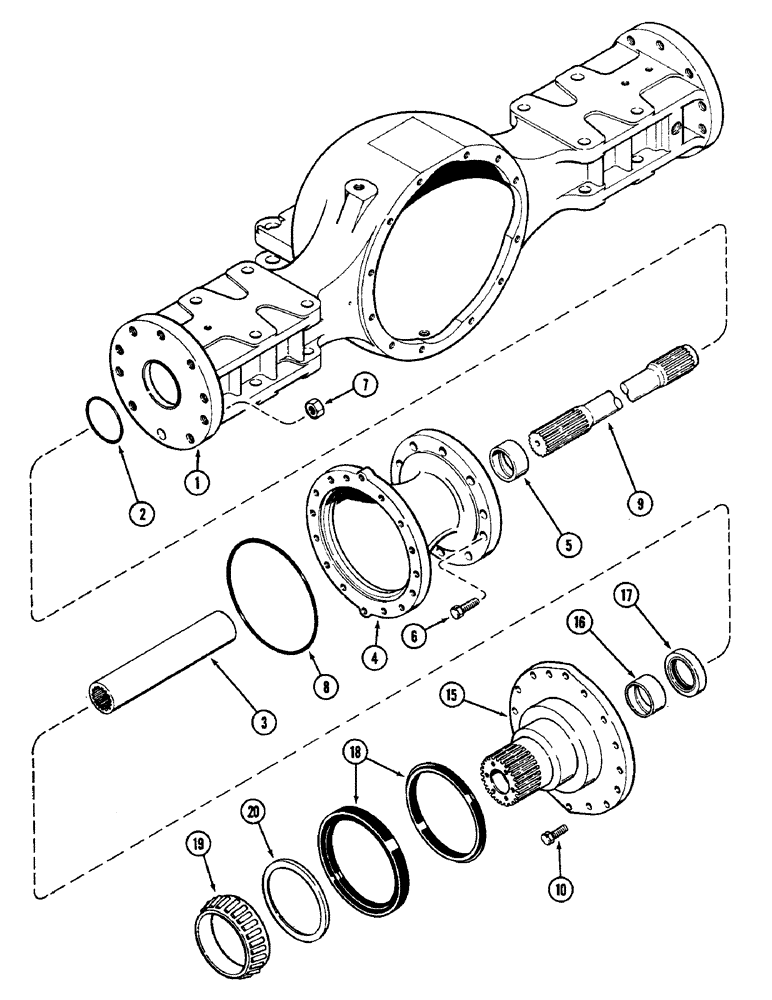
HOUSING - axle (See Figure 6-208)

1шт.

2

A21301

O-RING,0.139" Thk x 3.609" ID, -239, Cl 5, 75 Duro

(M92.07 ID x 3.17 Thk), Extension

2шт.

3

A75241

COUPLING

SPARE PART Axle shaft

2шт.

4

A75237

HOUSING

ASSEMBLY - extension, Includes: Ref. 5

2шт.

5

A75234

BUSHING

Coupling

1шт.

6

26-1232

BOLT,Hex, 3/4" - 10 x 2", Gr 8

18шт.

6

26-1244

BOLT,Hex, 3/4" - 10 x 2-3/4", Gr 8

(Bottom hole)

2шт.

7

25-1612

NUT,3/4"-10, G5, Hvy

(Bottom bolt)

2шт.

9

A75243

SHAFT

Axle, 28-5/8" (727.07 mm) long

2шт.

8

A75474

O-RING,0.139" Thk x 9.484" ID, -272, Cl 5, 75 Duro

Spindle (241.3 ID x 3.17 mm width)

2шт.

9

A75242

SHAFT

Axle, 32-1/2" (825.5 mm) long

2шт.

10

26-824

BOLT,Hex, 1/2" - 13 x 1-1/2", Gr 8

32шт.

15

A152503

SPINDLE

ASSEMBLY - wheel, Includes: Ref. 16 - 20

2шт.

16

A75234

BUSHING

Universal joint, 2-11/16" OD x 1-1/2" wide (68.26 x 38.1 mm)

1шт.

17

A153036

OIL SEAL

Oil, axle, 2-1/2" x 3-1/2" x 17/32" (63.5 x 88.9 x 13.49 mm)

1шт.

18

A76272

OIL SEAL,174.22mm ID x 219.53mm OD x 20.95mm Thk

ASSEMBLY - oil, spindle, 6-7/8" x 8-5/8" x 3/4" (174.6 x 219.07 x 19.05 mm)

1шт.

19

L31699

TAPERED BEARING

CONE, 5" (127.0 mm) ID

1шт.

20

A75256

RING

Bearing, 5-1/2" x 6-1/4" x 7/32" (139.7 x 158.7 x 5.56 mm)

1шт.

Выбрано товаров: 18