Запчасти Case IH 4690 (6-202) - REAR AXLE AND DIFFERENTIAL ASSEMBLY, WHEEL HUB AND AXLE PLANETARY (06) - POWER TRAIN

Схема запчастей Case IH 4690 - (6-202) - REAR AXLE AND DIFFERENTIAL ASSEMBLY, WHEEL HUB AND AXLE PLANETARY (06) - POWER TRAIN
7
6
31
13
32
26
34
25
4
22
28
8
18
3
24
19
21
23
30
2
17
5
11
22
9
12
27
20
1
21
33
FIT
1:1
100%

Артикул

Название

Примечание

Количество

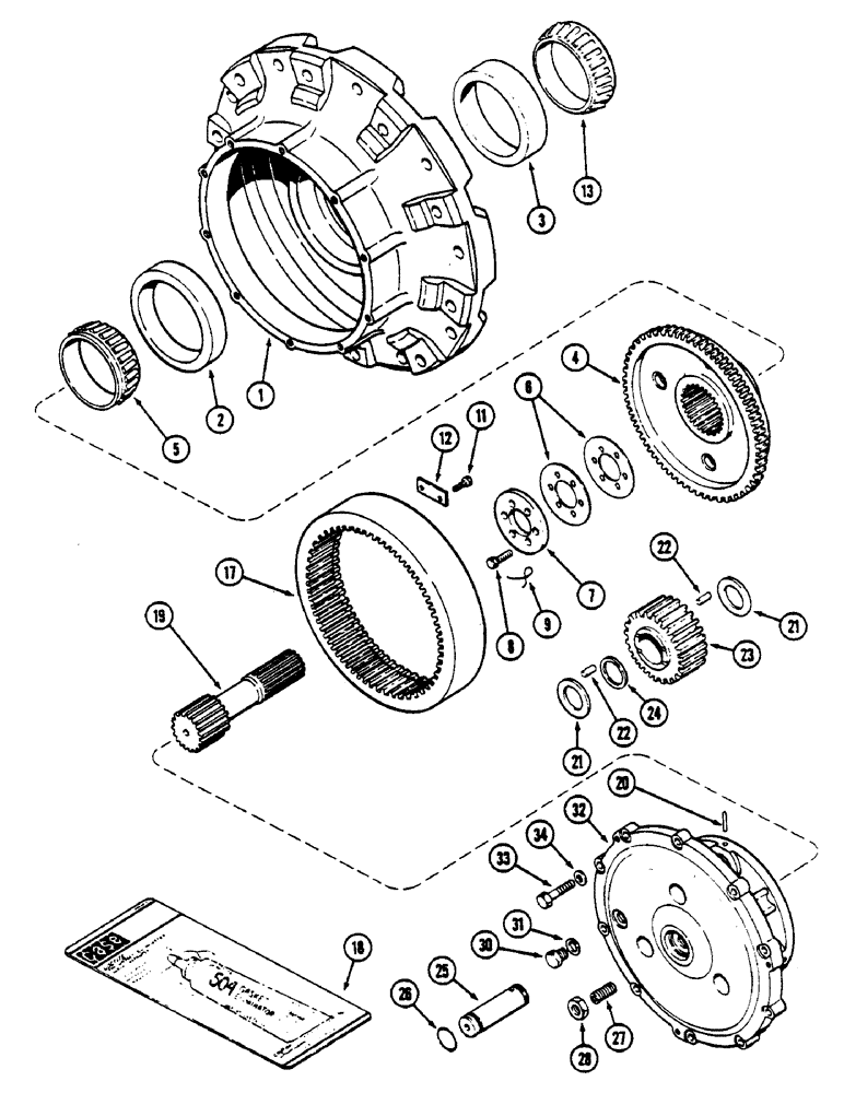
1

A151255

HUB

ASSEMBLY - wheel drive, Includes: Ref. 2 and 3

2шт.

2

A75262

CUP

- outer bearing, 7-3/4" OD x 1-1/2" wide (196.85 x 38.1 MM)

1шт.

3

L31698

BEARING CUP

CUP - inner bearing, 7-3/16" OD x 1-5/16" wide (182.56 x 30.16 MM)

1шт.

4

A76461

HOLDER

ASSEMBLY - planetary ring gear, Includes: Ref. 5

2шт.

5

A75263

CONE

- outer bearing

1шт.

6

A75264

SHIM,.003" Thk

Wheel hub brg. (0.0762 mm) .003" Thk

1шт.

6

A75265

SHIM,.007" Thk

Wheel hub brg. (0.1778 mm) .007" Thk

1шт.

6

A75266

SHIM,.020" Thk

Wheel hub brg. (0.5080 mm) .020" Thk

1шт.

7

A75267

CAP

- retainer, bearing

2шт.

8

A75268

BOLT

- drilled, 3/8" x 1-1/4" NC hex

12шт.

9

391-636

ELECTRICAL WIRE

WIRE - safety

1шт.

11

26-616

BOLT,Hex, 3/8" - 16 x 1", Gr 8

- 3/8" x 1" NC hex (Grade 8)

24шт.

12

A153458

RETAINER

- ring gear

12шт.

13

L31699

TAPERED BEARING

CONE - inner bearing, 5-1/2" x 6-1/4" x 7/32" (139.7 x 158.7 x 5.51 MM)

2шт.

17

A76019

GEAR

- ring, planetary

2шт.

18

B17428

LOCTITE

- gasket eliminator, 2 oz. (50 CC) tube

1шт.

19

A152632

SHAFT

- planet sun gear

2шт.

20

138-2033

PIN,6.35mm OD x 34.92mm L, Coiled

6шт.

21

A76593

WASHER

- planet pin, 2" x 3-1/4" x 1/32" (50.8 x 82.55 x 0.79 MM)

12шт.

22

A46421

ROLLER BEARING

BEARING KIT - needle roller (Includes 46, bearings)

6шт.

23

A76590

GEAR

- planet

6шт.

24

A76592

BEARING

SPACER - bearing, 2" x 2-29/64" x 1/32" (50.8 x 62.31 x 0.79 MM)

6шт.

25

A76591

PIN

- planet gear

6шт.

26

T13235

O-RING,0.21" Thk x 1.6" ID, -326, Cl 6, 90 Duro

- pin, 1-5/8 ID x 13/16" width (41.27 ID x 4.76 MM width)

6шт.

27

A151182

STUD

- adjusting

2шт.

28

25-1512

JAM NUT,Jam, 3/4"-10, G5

- jam, 3/4" NF hex

2шт.

30

A140222

PLUG

- fill or drain

2шт.

31

A51759

GASKET

- plug

2шт.

32

A153254

CARRIER

- planetary

2шт.

33

26-830

BOLT,Hex, 1/2" - 13 x 1-7/8", Gr 8

- 1/2" x 1-7/8" NC hex (Grade 8)

20шт.

34

L30674

WASHER

- 17/32" x 1-1/16" x 7/64" (13.49 x 26.99 x 2.78 MM)

20шт.

Выбрано товаров: 31