Запчасти Case IH 4690 (8-256) - TRANSMISSION TOP COVER AND CIRCUITRY (08) - HYDRAULICS

Схема запчастей Case IH 4690 - (8-256) - TRANSMISSION TOP COVER AND CIRCUITRY (08) - HYDRAULICS
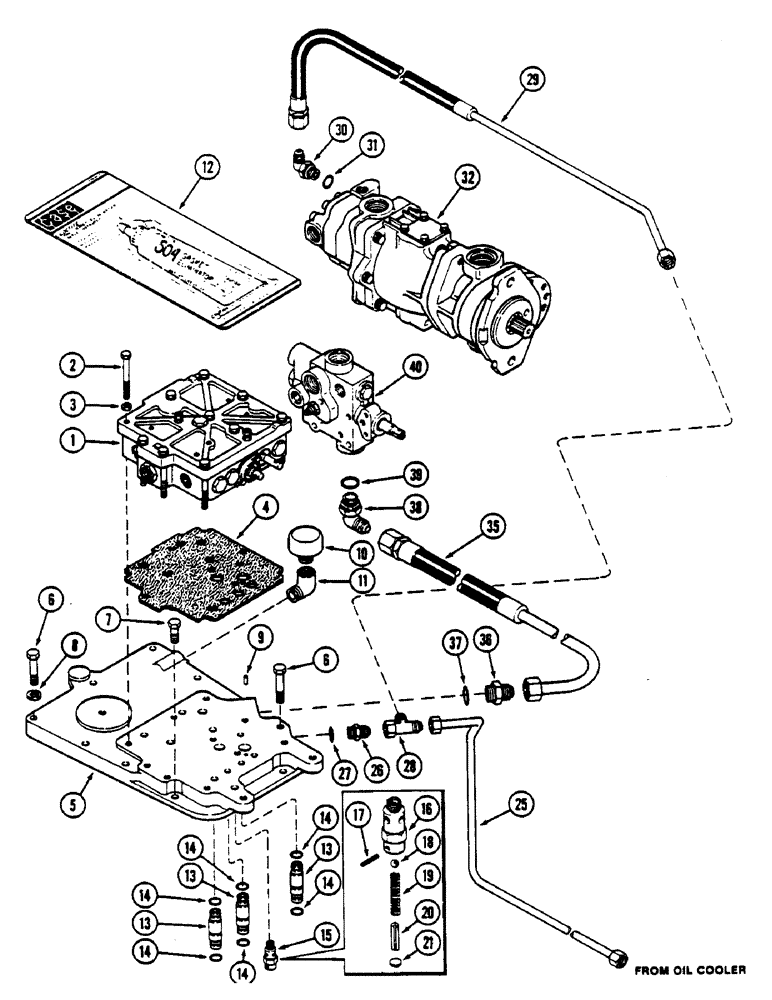
30
10
32
25
37
28
31
26
14
18
13
9
39
6
27
38
4
19
21
17
35
13
12
15
20
3
7
38
5
13
40
29
14
14
2
14
11
16
8
14
14
6
1
FIT
1:1
100%

Артикул

Название

Примечание

Количество

1

REF

INSTRUCTION

VALVE ASSEMBLY - transmission control (See Figure 8-260)

1шт.

2

113-203

BOLT,Hex, 3/8" - 16 x 3-1/2", Gr 5

10шт.

3

A140282

WASHER,9.78mm ID x 19.66mm OD x 0.81mm Thk

- 7/16" x 3/4" x 1/32" (11.11 x 19.05 x 0.79 MM)

10шт.

4

A155116

GASKET

-, Serial Range: valve-cover

1шт.

5

A153818

COVER

- top, transmission case

1шт.

Item #5 Has no gasket for top cover to transmission case. Use Loctite 504 (item #12), per service manual pg 6235-4.

1шт.

6

113-441

BOLT,Hex, 1/2" - 13 x 2-1/4", Gr 5

Hex, 1/2"-13 x 2 1/4", G5

7шт.

6

80087972

BOLT,Hex, 1/2" - 13 x 2 1/2", Gr 5

- 1/2" x 2-1/2" NC hex (Grade 5)

3шт.

7

113-417

BOLT,Hex, 1/2" - 13 x 1-1/4", Gr 5, Full Thd

1шт.

8

92-8

LOCK WASHER,1/2"

9шт.

9

D24005

PIN

- dowel, Serial Range: cover-case

1шт.

10

A75179

BREATHER

- transmission oil

1шт.

11

221-415

ELBOW,90 Degree, 3/4"-14, NPT

Street 90º, 3/4"-14, NPT

1шт.

12

B17428

LOCTITE

- gasket eliminator, 2 ounce (50 CC) tube

1шт.

13

A76120

TUBE

- oil distributor

3шт.

14

D31409

O-RING,0.07" Thk x 0.489" ID, -14, Cl 6, 90 Duro

- tube seal, 1/2 ID x 1/16" width (12.7 ID x 1.59 MM width)

6шт.

15

A60890

VALVE

ASSEMBLY - relief, lube oil

1шт.

16

NSS

NOT SOLD SEPARAT

BODY - relief valve (Order A60890), Includes: Ref. 17 - 21

1шт.

17

138-57

LOCK PIN,1/8" x 3/4", Slotted

PIN, 1/8" x 3/4", Slotted

1шт.

18

211-9

BALL,5/16" Dia

- 5/16" (7.94 MM) diameter

1шт.

19

A60889

SPRING

- valve ball

1шт.

20

138-96

LOCK PIN,3/16" x 1", Slotted

PIN, 3/16" x 1", Slotted

1шт.

21

195-506

WASHER,#6

- 5/32" x 5/16" x 1/32" (4 x 7.9 x 1 MM)

1шт.

25

A77040

TUBE

- return oil from cooler

1шт.

26

218-5059

HYD CONNECTOR,3/4"-16, 37 Degree x 3/4"-16, O-Ring

CONNECTOR ASSEMBLY - straight, 1/2" tube x 3/4" - 16, Incl. Ref 27

1шт.

28

218-845

TEE,37 Degree, 3/4"-16 x 3/4"-16, Fem Sw Run

- swivel, 1/2" tube x 3/4" - 16 x 3/4" - 16

1шт.

29

A151128

TUBE

- pump to tee, relief valve drain

1шт.

30

218-5106

90 ELBOW,90 Degree Elbow, 3/4" - 16 Male JIC x 3/4" - 16 Male ORB

ASSEMBLY - 90 degrees, 1/2" tube x 3/4" - 16, Includes: Ref. 31

1шт.

32

REF

INSTRUCTION

PUMP ASSEMBLY - hydraulic (See Figure 8-264)

1шт.

35

A77019

HOSE

- hydraulic pressure regulator, Serial Range: valve-cover

1шт.

36

218-5064

HYD CONNECTOR,1-1/16" - 12 Male JIC x 1-1/16" - 12 Male ORB

CONNECTOR ASSEMBLY - straight, 3/4" tube x 1-1/16" - 12, Incl. Ref. 37

1шт.

37

218-5008

O-RING,0.116" Thk x 0.924" ID, -912, Cl 6, 90 Duro

- 15/16 ID x 7/64" width (23.47 ID x 2.95 MM width)

1шт.

38

218-5108

ELBOW,90 Degree Elbow, 1-1/16" - 12 Male JIC x 1-1/16" - 12 Male ORB

ASSEMBLY - 90 degrees, 3/4" tube x 1-1/16" - 12, Incl. Ref. 39

1шт.

39

218-5008

O-RING,0.116" Thk x 0.924" ID, -912, Cl 6, 90 Duro

- 15/16 ID x 7/64" width (23.47 ID x 2.95 MM width)

1шт.

40

REF

INSTRUCTION

VALVE ASSEMBLY - regulator (See Figure 8-250)

1шт.

27

218-5006

O-RING,0.087" Thk x 0.644" ID, -908, Cl 6, 90 Duro

- 41/64 ID x 3/32" width (16.36 ID x 2.21 MM width)

1шт.

31

218-5006

O-RING,0.087" Thk x 0.644" ID, -908, Cl 6, 90 Duro

- 41/64 ID x 3/32" width (16.36 ID x 2.21 MM width)

1шт.

Выбрано товаров: 37