Запчасти Case IH 4690 (8-276) - REMOTE HYDRAULIC VALVE FLOW CONTROLS (08) - HYDRAULICS

Схема запчастей Case IH 4690 - (8-276) - REMOTE HYDRAULIC VALVE FLOW CONTROLS (08) - HYDRAULICS
28
5
21
30
22
11
3
4
1
10
27
31
31
2
29
26
33
6
9
12
30
24
7
23
25
8
FIT
1:1
100%

Артикул

Название

Примечание

Количество

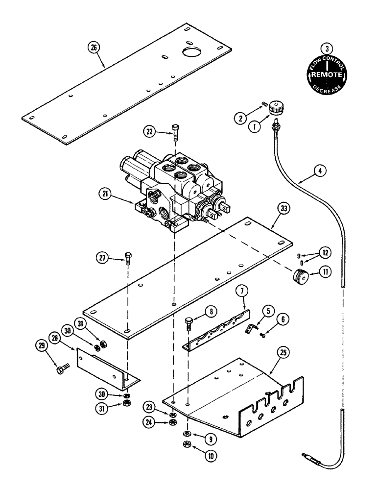
1

A145805

KNOB

- flow control cable

1шт.

2

178-1102

SET SCREW,Hex Soc, #10-32 x 1/4"

SCREW - set, #10-32 x 1/4" socket head

1шт.

3

321-4129

DECAL

- control knob

1шт.

4

A161343

CABLE

- control knob to valve (Includes set screw)

1шт.

5

A64179

INDEX

- knob

1шт.

6

187-1095

SELF-TAP SCREW,Hex Wash Hd, #8 x 1/2"

SCREW - #8 x 1/2" hex slotted head self-tapping (Replaces 187-1037)

1шт.

8

113-207

BOLT,Hex, 3/8" - 16 x 1", Gr 5

2шт.

9

192-21

LOCK WASHER,3/8"

WASHER, LOCK, 3/8"

2шт.

10

129-103

NUT,Hex, 3/8" - 16, Gr 5

NUT, 3/8"-16, G5

2шт.

11

A160814

KNOB

- valve, flow control

1шт.

12

178-1102

SET SCREW,Hex Soc, #10-32 x 1/4"

SCREW - set, #10-32 x 1/4" socket cone point

1шт.

21

A162211

VALVE

ASSEMBLY - remote hydraulic, 2 circuit (See page 8-292) (Replaces A141622), mounting

1шт.

22

13-668

BOLT,Hex, 3/8" - 16 x 4-1/4", Gr 5

- 3/8" x 1-3/4" NC hex (Grade 5)

3шт.

23

192-21

LOCK WASHER,3/8"

WASHER, LOCK, 3/8"

3шт.

24

129-103

NUT,Hex, 3/8" - 16, Gr 5

NUT, 3/8"-16, G5

3шт.

25

A152128

BRACKET

- control cable, remote valve

1шт.

26

A152078

PLATE

- mounting, remote valve (Prior P.I.N. 8860450)

1шт.

27

113-207

BOLT,Hex, 3/8" - 16 x 1", Gr 5

4шт.

28

A148390

BRACKET

ANGLE - support, mounting plate

2шт.

29

113-208

BOLT,Hex, 3/8" - 16 x 1-1/4", Gr 5

4шт.

30

192-21

LOCK WASHER,3/8"

WASHER, LOCK, 3/8"

8шт.

31

129-103

NUT,Hex, 3/8" - 16, Gr 5

NUT, 3/8"-16, G5

8шт.

33

A162418

PLATE - mounting, remote valve (P.I.N. 8860450 and after)

1шт.

Выбрано товаров: 23