Запчасти Case IH 4690 (8-320) - HITCH CONTROL VALVE ASSEMBLY, P.I.N 8860450 AND AFTER (08) - HYDRAULICS

Схема запчастей Case IH 4690 - (8-320) - HITCH CONTROL VALVE ASSEMBLY, P.I.N 8860450 AND AFTER (08) - HYDRAULICS
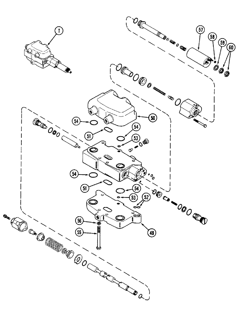
54
54
1
55
56
57
50
51
51
58
53
52
54
59
53
49
54
60
FIT
1:1
100%

Артикул

Название

Примечание

Количество

1

A161686

VALVE

ASSEMBLY - hitch control (Continued from Figure 8-318), Includes: Ref. 49 - 60, 2 - 48 on Figure 8-318, and kit

1шт.

49

A47949

PLATE

- end, LH

1шт.

50

A47952

PLATE

- end, port RH

1шт.

51

A47948

O-RING

- end, Serial Range: plate-valve

2шт.

Part of repair kit, P/N A47984

1шт.

52

A28090

O-RING,0.301" ID x 0.441" OD x 0.07"

-011, 70 Duro, .301" ID x .070" Thk - End plate to valve

2шт.

Part of repair kit, P/N A47984

1шт.

53

A47979

O-RING,0.07" Thk x 0.208" ID, -9, Cl 5, 75 Duro

- end plate to valve

2шт.

Part of repair kit, P/N A47984

1шт.

54

A47953

O-RING,0.364" ID x 0.504" OD

- end plate to valve

4шт.

Part of repair kit, P/N A47984

1шт.

55

A47956

BOLT

- end, Serial Range: plates-valve

4шт.

56

92-6

LOCK WASHER,3/8"

4шт.

57

A47947

COIL

ASSEMBLY - valve spool, Includes: Ref. 58

1шт.

58

129-13

NUT,#4-40

6шт.

59

A47955

WASHER

- coil

1шт.

60

A47950

NUT

- lock, coil

2шт.

A47984

SEAL

KIT - repair, Between sections, Includes: Refs. 51 through 54

1шт.

Выбрано товаров: 18