Запчасти Case IH 4690 (9-376) - SEAT, VINYL WITHOUT SWIVEL (09) - CHASSIS/ATTACHMENTS

Схема запчастей Case IH 4690 - (9-376) - SEAT, VINYL WITHOUT SWIVEL (09) - CHASSIS/ATTACHMENTS
19
6
19
31
18
42
41
18
45
16
30
18
32
28
51
19
25
35
12
9
44
21
24
42
11
18
5
10
23
15
22
1
34
7
33
50
28
3
40
4
29
2
17
43
17
36
27
20
13
8
FIT
1:1
100%

Артикул

Название

Примечание

Количество

NSS

NOT SOLD SEPARAT

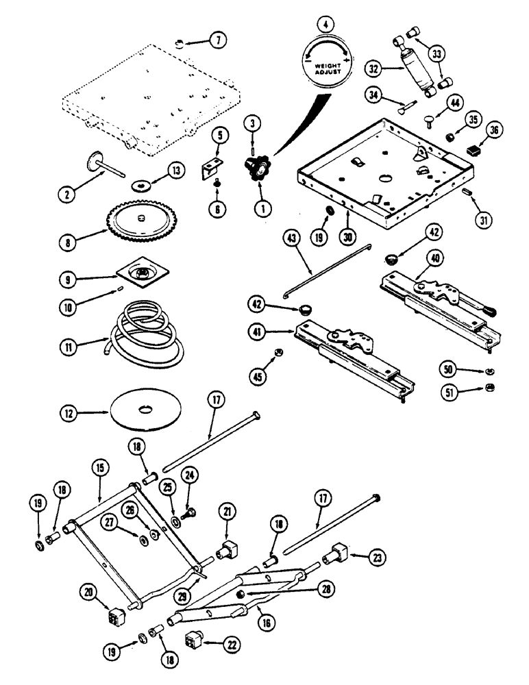
SEAT AND SUSPENSION ASSEMBLY - operator's (Vinyl without swivel) (Continued from Figure 9-374) (Order A163314), Includes: Ref. 1 - 45

1шт.

1

A45508

BUTTON

KNOB - weight adjustment

1шт.

2

A45513

GEAR

AND SHAFT - weight adjustment

1шт.

3

138-77

LOCK PIN,5/32" x 1", Slotted

PIN, 5/32" x 1", Slotted

1шт.

4

A45511

DECAL

- weight adjustment

1шт.

5

A45531

BRACKET

- shaft

1шт.

6

111-107

CARRIAGE BOLT,Short NK, 1/4"-20 x 1/2", G2

BOLT - 1/4" x 1/2" NC round head square neck (Grade 2)

2шт.

7

131-2

NUT,1/4"-20, GB

NUT - 1/4" NC hex, jam

2шт.

8

A45505

GEAR

AND SHAFT - suspension

1шт.

9

A45504

SPRING WASHER

- spring

1шт.

10

138-73

LOCK PIN,5/32" x 3/4", Slotted

PIN, 5/32" x 3/4", Slotted

1шт.

11

A45497

SPRING

- conical

1шт.

12

A45530

PAD

- spring

1шт.

13

A47386

WASHER

- thrust

1шт.

15

A45533

TUBE

ARM - outer

1шт.

16

N6873

TUBE,0.501" ID x 0.63" OD x 2" L

ARM - inner (Order A47760)

1шт.

17

A45057

SHAFT

- bearing

2шт.

18

A47760

BUSHING

TUBE - bearing

4шт.

19

131-425

PUSH-ON NUT,Push, 1/2"

NUT, LOCK, (Pal type) Push, 1/2"

4шт.

20

A45512

BLOCK

- slider, 1-3/16" (30.2 MM)

1шт.

21

A45516

BLOCK

- slider, 2-3/16" (55.6 MM)

1шт.

22

A45515

BLOCK

- slider, 1-9/16" (39.7 MM)

1шт.

23

A45517

BLOCK

- slider, 2-9/16" (65.1 MM)

1шт.

24

A45055

BOLT

BLOCK - 3/8" x 1-3/4" NC round head square neck

2шт.

25

A45110

WASHER

- spacer

2шт.

26

A45498

BUSHING

BEARING - cross pivot

2шт.

27

195-25

WASHER,3/8"

- 13/32" x 13/16" x 1/16" (10.3 x 20.6 x 1.6 MM)

2шт.

28

131-6

LOCK NUT,3/8"-16, GC

NUT - 3/8" NC hex jam

2шт.

29

A47070

INDICATOR

- ride adjustment

1шт.

30

A45550

FRAME

BASE - lower

1шт.

31

138-134

LOCK PIN,1/4" x 1", Slotted

PIN, 1/4" x 1", Slotted

1шт.

32

A45503

SHOCK ABSORBER

- seat

1шт.

33

A45501

BUSHING,0.504" ID x 0.87" OD x 1.417"

BEARING - shock absorber

2шт.

34

A45056

STEP BOLT

BOLT - shoulder

1шт.

35

131-203

LOCK NUT,3/8"-16, GB, LH

NUT - 3/8" NC hex nylon insert

1шт.

36

A45054

BUMPER,Neoprene

- seat

2шт.

40

A45522

SLIDE

ASSEMBLY - LH, seat mounting, Includes handle and spring

1шт.

L35503

SPRING

- slide return (Replaces A45060)

1шт.

41

A45523

SLIDE

ASSEMBLY - RH, seat mounting, includes spring

1шт.

L35503

SPRING

- slide return (Replaces A45060)

1шт.

42

NSS

NOT SOLD SEPARAT

SPACER - slider (Supplied with slides)

4шт.

43

A45524

ROD

- latch connecting

1шт.

44

11-514

CARRIAGE BOLT,Short NK, 5/16"-18 x 7/8", G2

BOLT - 5/16" x 7/8" NC round head square neck (Grade 2)

4шт.

45

232-4115

LOCK NUT,5/16"-18, GC

NUT - 5/16" NC hex nylon insert

4шт.

50

192-20

LOCK WASHER,Helical Spring, 0.318" ID, CST, ZND

WASHER, LOCK, 5/16"

4шт.

51

9635082

NUT,5/16" - 18, Gr 5

4шт.

Выбрано товаров: 46