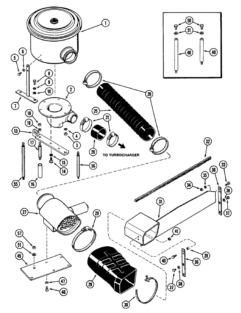
Запчасти Case IH 4690 (2-014) - AIR INDUCTION SYSTEM, 504BDTI DIESEL ENGINE (02) - ENGINE

Схема запчастей Case IH 4690 - (2-014) - AIR INDUCTION SYSTEM, 504BDTI DIESEL ENGINE (02) - ENGINE
55
36
51
47
26
37
10
27
13
57
37
46
30
8
32
5
15
21
50
31
18
3
25
45
38
56
39
34
16
51
9
48
35
2
29
7
14
1
33
40
4
6
49
17
20
28
38
36
41
19
FIT
1:1
100%

Артикул

Название

Примечание

Количество

1

REF

INSTRUCTION

AIR CLEANER ASSY - (See Figure 2-016) engine

1шт.

2

A150787

FITTING

ELBOW - mounting, air cleaner

1шт.

3

129-103

NUT,Hex, 3/8" - 16, Gr 5

6шт.

4

192-21

LOCK WASHER,3/8"

6шт.

5

114-105

BOLT,Hex, 5/16" - 24 x 5/8", Gr 5

2шт.

6

195-521

WASHER,5/16", SAE

11/32" x 11/16" x 1/16" (8.7 x 17. 5 x 1.6 mm)

2шт.

7

A147142

BRACE

Air cleaner

1шт.

8

113-219

BOLT,Hex, 3/8" - 16 x 2", Gr 5

2шт.

9

192-21

LOCK WASHER,3/8"

2шт.

10

195-25

WASHER,3/8"

13/32" x 13/16" x 1/16" (10.3 x 20.6 x 1.6 mm)

2шт.

13

A160508

PLATE

Elbow mounting

1шт.

14

113-207

BOLT,Hex, 3/8" - 16 x 1", Gr 5

2шт.

15

192-21

LOCK WASHER,3/8"

2шт.

16

A76859

BUSHING

SPACER - support, mounting plate

2шт.

17

A76858

STUD

Support

2шт.

18

129-105

NUT,Hex, 1/2" - 13, Gr 5

2шт.

19

192-23

LOCK WASHER,1/2"

2шт.

20

A75798

HOSE

Air, Serial Range: cleaner-turbocharger

1шт.

21

214-264

HOSE CLAMP,#52, 2.81" - 3.75", Type F Worm

(71.44 x 95.25 mm)

2шт.

25

A152651

INTAKE AIR HOSE,139.70 mm ID x 457.20 mm

Pre-cleaner to air cleaner

1шт.

26

214-273

HOSE CLAMP,#88, 5.12" - 6", Type F Worm

2шт.

27

A76869

CLEANER

PRE-CLEANER, air intake

1шт.

28

A149587

FUNNEL

Air intake

1шт.

29

214-285

HOSE CLAMP,#136, 8.12" - 9", Type F Worm

Funnel to pre-cleaner, 5-1/8" to 6" (139.5 x 52.4 mm)

1шт.

30

A160244

STRAP

, Serial Range: Funnel-baffle

1шт.

31

A149406

BAFFLE

Air, radiator top

1шт.

32

A161400

SEAL

Top baffle

1шт.

33

113-118

BOLT,Hex, 5/16" - 18 x 5/8", Gr 5

1шт.

34

9635082

NUT,5/16" - 18, Gr 5

1шт.

35

192-20

LOCK WASHER,Helical Spring, 0.318" ID, CST, ZND

1шт.

36

A149407

PLATE

SPARE PART Support, baffle

2шт.

37

113-204

BOLT,Hex, 3/8" - 16 x 1/2", Gr 5, Full Thd

4шт.

38

192-21

LOCK WASHER,3/8"

4шт.

39

G16006

BUSHING

SPACER - air baffle, RH side

2шт.

40

113-104

BOLT,Hex, 5/16" - 18 x 1-1/4", Gr 5

2шт.

41

131-176

LOCK NUT,Prev Torque, Hex, 5/16" - 18, Gr A

2шт.

45

A152630

PLATE ASSY.

Pre-cleaner mounting

1шт.

46

113-221

BOLT,Hex, 3/8" - 16 x 7/8", Gr 5

4шт.

47

192-21

LOCK WASHER,3/8"

4шт.

48

A76871

TUBE

SUPPORT - plate to block, 11" (279.0 mm) (Order A162433 and 129-105)

1шт.

49

A76872

TUBE

SUPPORT - plate to water pump, 7-3/4" (196.9 mm) (Order A162432 and 129-105)

1шт.

50

113-424

BOLT,Hex, 1/2" - 13 x 1", Gr 5, Full Thd

2шт.

51

192-23

LOCK WASHER,1/2"

2шт.

55

A162433

SUPPORT

Plate to block (Replaces A76871)

1шт.

56

A162432

SUPPORT

Plate to water pump (Replaces A76872)

1шт.

57

129-105

NUT,Hex, 1/2" - 13, Gr 5

2шт.

Выбрано товаров: 46