Запчасти Case IH 4690 (2-032) - CYLINDER HEAD AND COVER, 504BDTI DIESEL ENGINE (02) - ENGINE

Схема запчастей Case IH 4690 - (2-032) - CYLINDER HEAD AND COVER, 504BDTI DIESEL ENGINE (02) - ENGINE
34
10
33
30
20
21
7
12
5
3
8
33
25
15
4
6
24
29
23
11
2
13
14
9
21
16
22
31
1
FIT
1:1
100%

Артикул

Название

Примечание

Количество

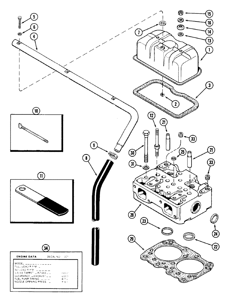
1

A58929

COVER

ASSY - Cylinder head, Incl. Ref. 2

3шт.

2

131-114

SPRING NUT,Rtnr, 1/4" - 20, 0.25" High

Cage, NC Tinnerman

1шт.

3

REF

INSTRUCTION

GASKET - cylinder head (See Figure 2-050)

3шт.

4

A66640

TUBE

Breather

1шт.

5

113-12

BOLT,Hex, 1/4" - 20 x 2-1/2", Gr 5

3шт.

6

A34133

GASKET

Bolt to tube, 9/32" x 1/2" x 3/64" (7.14 x 12.7 x 1.19 mm)

3шт.

7

A58635

GASKET,17.27mm ID x 32mm OD x 6.6mm Thk

Tube to cover, 11/16" x 1-1/4" x 1/4" (17.53 x 31.75 x 6.35 mm)

3шт.

8

A156416

HOSE,25.4 mm ID x 1016.00 mm, SAE J200F

Breather (Replaces A66132)

1шт.

9

214-256

HOSE CLAMP,#20, 0.81" - 1.75", Type F Worm

1-3/16" to 1-3/4"

1шт.

10

L18331

CABLE TIE,375.9mm L, Nylon, Black

CABLE STRAP Breather hose

1шт.

11

A22883

CLIP

CLAMP - breather, Serial Range: hose-block

1шт.

12

A67121

STUD

Cover and rocker arm bracket

6шт.

13

A142098

GROMMET

Cover stud

6шт.

14

A156097

WASHER,11.94mm ID x 31.22mm OD x 1.32mm Thk

WASHER - cover nut

6шт.

15

129-104

NUT,7/16"-14, G5

6шт.

16

195-29

WASHER,7/16"

15/32" x 59/64" x 1/16" (11.91 x 23.42 x 1.59 mm)

6шт.

20

A138261

HEAD (CYLINDER)

ASSY - cylinder (Casting no. A138337), Incl. Ref. 21 - 25

3шт.

20

AR152265

REMAN-CYLINDER HEAD

Cylinder Head

3шт.

20

AC152265

CORE-CYLINDER HEAD

Return Number

3шт.

21

A41783

GUIDE

Valve

4шт.

22

A66192

INSERT

Exhaust valve seat

2шт.

23

A66191

INSERT

Intake valve seat

2шт.

24

A34124

PLUG,Cup, 1 5/8", Stainless

(41.27 mm)

2шт.

25

A58620

PLUG,Cup, 3/4", Stainless

(19.05 mm)

3шт.

29

REF

INSTRUCTION

GASKET - head to block (Includes fire rings) (See Figure 2-050)

3шт.

30

A76638

BOLT

Head to block (5/8" x 6-1/4" NC hex)

30шт.

31

A58629

BEARING WASHER,16.66mm ID x 25.4mm OD x 3.04mm Thk

Head bolt, 21/32" x 1" x 1/8" (16.67 x 25.4 x 3.17 mm)

30шт.

33

221-843

PLUG,Hex Soc, 3/8"-18

6шт.

34

321-3991

DECAL

Engine data

1шт.

Выбрано товаров: 29