Запчасти Case IH 4690 (4-080) - CAB, HEADLINER WIRING (04) - ELECTRICAL SYSTEMS

Схема запчастей Case IH 4690 - (4-080) - CAB, HEADLINER WIRING (04) - ELECTRICAL SYSTEMS
9
4
18
2
6
19
3
20
15
1
18
22
16
11
14
10
23
7
13
14
21
18
5
15
17
8
12
FIT
1:1
100%

Артикул

Название

Примечание

Количество

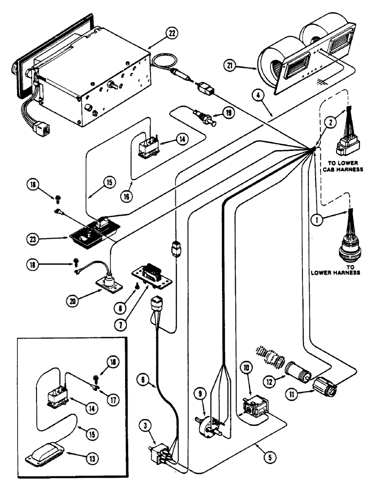
1

F98195

HARNESS

ASSEMBLY - headliner wiring (Cab serial no. 12036610 and after)

1шт.

1

F64546

HARNESS

ASSEMBLY - headliner wiring (Cab serial no. 12033908 to serial no. 12036610) (Order F98195)

1шт.

2

F64478

HARNESS

ASSEMBLY - headliner wiring (Prior to cab serial no. 12033908)

1шт.

3

REF

INSTRUCTION

SWITCH - blower (See Figure 9-424)

1шт.

4

F64443

ELECTRICAL WIRE

WIRE - switch to blower motor, red 88" (2235.2 MM)

1шт.

5

A42624

ELECTRICAL WIRE

WIRE - blower switch to air conditioner switch, black 6" (152.4 MM)

1шт.

6

F64222

HARNESS

- wire, blower switch resistor (1st used cab serial no. 12016090)

1шт.

7

F44900

RESISTOR

- voltage (1st cab serial no. 12016090)

1шт.

8

187-579

SELF-TAP SCREW,Hex Wash Hd, #10 x 1/2"

SCREW - self tapping #10-16 x 1/2" washer head

2шт.

9

REF

INSTRUCTION

SWITCH - wiper (See Figure 9-424)

1шт.

10

REF

INSTRUCTION

SWITCH - air conditioner (See Figure 9-424)

1шт.

11

REF

INSTRUCTION

SHELL - lighter socket (See Figure 9-424)

1шт.

12

REF

INSTRUCTION

SOCKET - lighter (See Figure 9-424)

1шт.

13

REF

INSTRUCTION

LAMP - dome (See Figure 9-406) (Prior cab serial no. 12036610)

1шт.

14

REF

INSTRUCTION

SWITCH - dome lamp (See Figure 9-406)

1шт.

15

F64126

ELECTRICAL WIRE

WIRE - switch to lamp, black 4" (101.6 MM) (Prior to cab serial no. 12036610)

1шт.

16

F64127

ELECTRICAL WIRE

WIRE - switch to door switch, white 70" (1778 MM)

1шт.

17

F64476

WIRE - switch to ground, black 15" (381 MM) (Prior to cab serial no. 12036610)

1шт.

18

187-1088

SELF-TAP SCREW,Hex Wash Hd, #10 x 1/2"

SCREW - self-tapping, #10-16 x 1/2" Phillips pan head

1шт.

19

F63895

SWITCH

- lamp, door opening

1шт.

20

REF

INSTRUCTION

LAMP - console (See Figure 9-406 and 9-408)

1шт.

21

REF

INSTRUCTION

BLOWER ASSEMBLY - cab (See Figure 9-412)

1шт.

22

REF

INSTRUCTION

RADIO - (See Figure 9-432)

1шт.

23

REF

INSTRUCTION

LAMP - dome (See Figure 9-408) (Cab serial no. 12036610 and after)

1шт.

Выбрано товаров: 24