Запчасти Case IH 4690 (4-104) - STARTER SOLENOID (04) - ELECTRICAL SYSTEMS

Схема запчастей Case IH 4690 - (4-104) - STARTER SOLENOID (04) - ELECTRICAL SYSTEMS
19
18
7
20
17
25
2
21
8
14
4
16
22
3
11
15
6
12
5
10
1
13
9
FIT
1:1
100%

Артикул

Название

Примечание

Количество

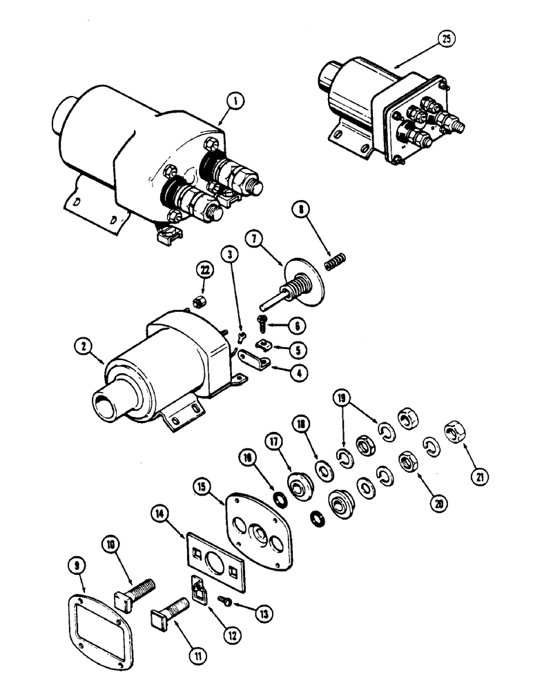
1

A25430

SOLENOID

ASSEMBLY - starter (Replaced by A47931), Includes: Ref. 2 - 22

1шт.

2

NSS

NOT SOLD SEPARAT

CASE AND COIL ASSEMBLY - solenoid (Order A47931), Includes: Ref. 3

1шт.

3

NSS

NOT SOLD SEPARAT

CLAMP - terminal, coil lead

1шт.

4

R15161

CONNECTOR, ELEC

CONNECTOR - ground

1шт.

5

R15182

CLIP

CLAMP - terminal

2шт.

6

D32502

SCREW,Hex, #10 - 32 x 3/8"

- terminal clamp

2шт.

7

D32498

CONTACT

DISC ASSEMBLY - contact

1шт.

8

D32499

SPRING

- contact disc return

1шт.

9

A42260

GASKET

- solenoid

1шт.

10

A41940

STUD

- battery terminal

1шт.

11

A41937

STUD

- starter terminal

1шт.

12

D29910

SUPPORT

- coil lead

1шт.

13

175-56

SCREW - coil lead, #6-32 x 3/16" truss head Slotted Truss Hd, #6-32 x 3/16"

1шт.

14

D32507

RUBBER INSULATOR

INSULATOR - plate

1шт.

15

D32504

COVER

PLATE - terminal

1шт.

16

D32508

INSULATOR

BUSHING - terminal studs, inside

2шт.

17

D32510

BUSHING

- terminal studs, outside

2шт.

18

D30006

WASHER

- terminal studs, 7/8" OD

2шт.

19

192-23

LOCK WASHER,1/2"

WASHER, LOCK, , Terminal studs 1/2"

4шт.

20

129-145

JAM NUT,Jam, 1/2"-13, G5

2шт.

21

129-105

NUT,Hex, 1/2" - 13, Gr 5

2шт.

22

D32500

NUT

ASSEMBLY - terminal (Includes lock washer)

4шт.

25

A47931

SOLENOID

ASSEMBLY - starter (Replaces A25430)

1шт.

Выбрано товаров: 23