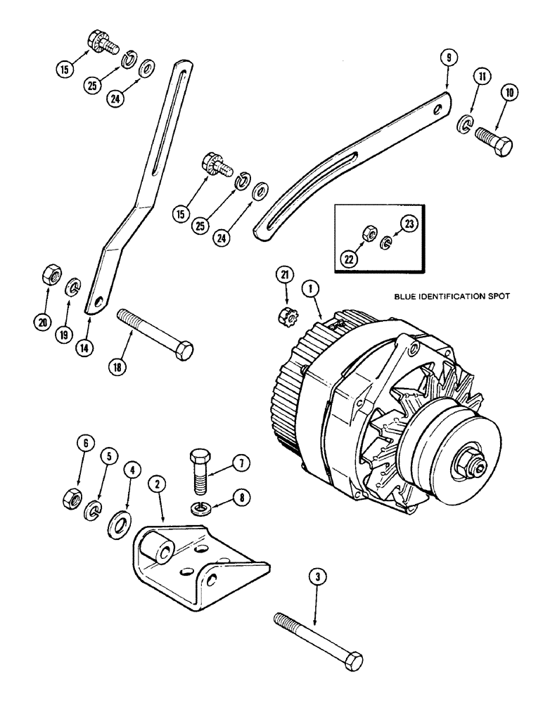
Запчасти Case IH 4690 (4-110) - ALTERNATOR MOUNTING (04) - ELECTRICAL SYSTEMS

Схема запчастей Case IH 4690 - (4-110) - ALTERNATOR MOUNTING (04) - ELECTRICAL SYSTEMS
14
22
7
24
2
25
9
15
25
19
20
1
8
11
23
18
3
15
6
10
4
5
24
21
FIT
1:1
100%

Артикул

Название

Примечание

Количество

1

REF

INSTRUCTION

ALTERNATOR ASSEMBLY - (See Figure 4-112 and 4-114)

1шт.

2

A161334

BRACKET

Mounting

1шт.

3

113-267

BOLT,Hex, 3/8" - 16 x 4", Gr 5

1шт.

4

195-103

WASHER,5/16"

WASHER - 3/8" x 7/8" x 5/64" (9.5 x 22.2 x 1.9 mm)

2шт.

5

192-21

LOCK WASHER,3/8"

1шт.

6

129-103

NUT,Hex, 3/8" - 16, Gr 5

1шт.

7

113-207

BOLT,Hex, 3/8" - 16 x 1", Gr 5

3шт.

8

192-21

LOCK WASHER,3/8"

3шт.

9

A139873

STRAP

Adjusting, alternator belt

1шт.

10

113-221

BOLT,Hex, 3/8" - 16 x 7/8", Gr 5

1шт.

11

192-21

LOCK WASHER,3/8"

1шт.

14

A141842

STRAP

Support, alternator rear

1шт.

15

121-130

SERRATED BOLT,Hex, 5/16" - 18 x 3/4", Gr 5

(U.S. thread)

1шт.

15

814-8025

BOLT,Hex, M8 x 1.25 x 25mm, Cl 8.8, Full Thd

2шт.

Metric alternator has blue identification spot on upper mounting leg.

1шт.

18

113-252

BOLT,Hex, 3/8" - 16 x 3-3/4", Gr 5

(Timing gear cover bolt)

1шт.

19

192-21

LOCK WASHER,3/8"

1шт.

20

129-103

NUT,Hex, 3/8" - 16, Gr 5

1шт.

21

193-1008

NUT,Keps, w/LW,#12-24

(Battery terminal)

1шт.

22

825-1106

NUT,Hex, M6, Cl 8

(Battery terminal)

1шт.

Metric alternator has blue identification spot on upper mounting leg.

1шт.

23

80682

LOCK WASHER,1/4"

(With metric unit)

1шт.

24

195-21

WASHER,5/16"

(11/32 x 11/16 x 1/16") (8.7 x 17.5 x 1.6 mm)(Used with ref. 15 metric bolts)

2шт.

24

95-6

WASHER,3/8"

WASHER - 7/8" x 1" x 7/64" (11.1 x 25.4 x 2.8 mm)

1шт.

25

192-20

LOCK WASHER,Helical Spring, 0.318" ID, CST, ZND

(Used with ref. 15 metric bolts)

2шт.

Выбрано товаров: 25