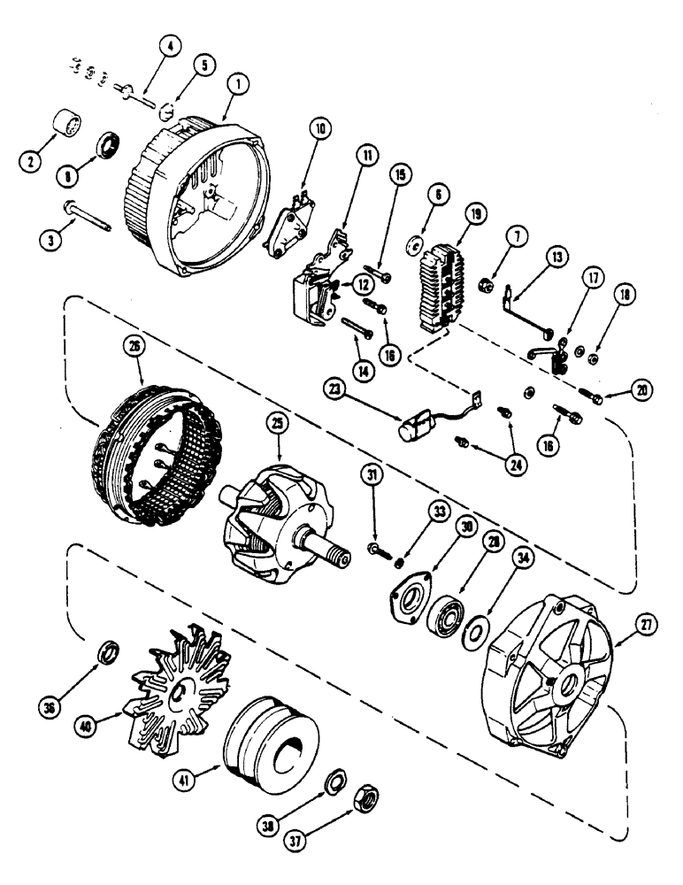
Запчасти Case IH 4690 (4-112) - ALTERNATOR ASSEMBLY, WITH U.S. STANDARD MOUNTING HARDWARE (04) - ELECTRICAL SYSTEMS

Схема запчастей Case IH 4690 - (4-112) - ALTERNATOR ASSEMBLY, WITH U.S. STANDARD MOUNTING HARDWARE (04) - ELECTRICAL SYSTEMS
14
6
2
5
34
36
7
19
18
33
28
16
3
27
40
41
11
13
4
23
26
25
10
16
24
12
6
37
38
17
31
15
20
36
1
FIT
1:1
100%

Артикул

Название

Примечание

Количество

A147160

ALTERNATOR

ALTERNATOR ASSEMBLY - 72 amp (Delco #1102930) (J I Case installed), Includes: Ref. 1 - 38

1шт.

A47444

REMAN-ALTERNATOR

Alternator Assembly engine (Remanufactured), Includes: Ref. 1 - 38

1шт.

A47445

CORE-ALTERNATOR

Alternator core number used to return used alternator for credit

1шт.

103804A1GV

ALTERNATOR

Value, 12V, 72A

1шт.

103804A1R

REMAN-ALTERNATOR

Remanufactured Alternator, 12 volt 72 ampere

1шт.

103804A1C

CORE-ALTERNATOR

Return Part Number

1шт.

ZAP804A1R

REMAN-ALTERNATOR

Remanufactured 12 VOLT, 100 AMP Alternator (Higher Amp version of 72 amp 103804A1R)

1шт.

103804A1C

CORE-ALTERNATOR

Return Part Number

1шт.

A47044

ALTERNATOR

ALTERNATOR ASSEMBLY - 72 amp (Delco 1102922) (Without pulley and fan) (Service only), Includes: Ref. 1 - 38

1шт.

87297246

REMAN-ALTERNATOR

Reman for New PN A47044

1шт.

87297247

CORE-ALTERNATOR

Return Part Number

1шт.

1

A47041

FRAME

FRAME ASSEMBLY - slip ring end

1шт.

2

A47046

ROLLER BEARING,0.6699" ID x 0.9375" OD x 0.67"

BEARING - roller

1шт.

3

163-6

SCREW,Hex, #10 - 24 x 1 3/4"

BOLT - thru #10-24 x 1-3/4" hex washer head

4шт.

A45225

MULTIPOLE CONNECTOR

TERMINAL KIT - battery, Includes: Ref. 4 - 7

1шт.

4

NSS

NOT SOLD SEPARAT

STUD - terminal

1шт.

5

NSS

NOT SOLD SEPARAT

INSULATOR - terminal

1шт.

6

NSS

NOT SOLD SEPARAT

WASHER - insulating

1шт.

7

NSS

NOT SOLD SEPARAT

NUT ASSEMBLY - terminal

2шт.

8

A43693

SEAL

SEAL - oil, slip ring end

1шт.

10

A45213

REGULATOR

REGULATOR - voltage

1шт.

11

A47042

HOLDER

BRUSH HOLDER ASSEMBLY - (Includes brushes)

1шт.

12

A47987

BRUSH, COMMUTATOR

BRUSH BRUSH - alternator

1шт.

13

A47045

TERMINAL CONNECTOR

TERMINAL - relay

1шт.

14

182-558

SCREW,Slotted Pan Hd, #8-32 x 1 1/4"

SCREW - pivot, #8-32 x 1-1/4" pan head

1шт.

15

A47043

SCREW,#8 - 32 x 21"

SCREW - ground, brush holder

1шт.

16

A45223

SCREW,Spcl, #8 - 32 x 1 1/8"

SCREW - insulated, brush holder

2шт.

17

A45219

DIODE ELEMENT

DIODE - trio

1шт.

18

129-16

NUT,#8-32

NUT, #8-32

3шт.

19

A45394

RECTIFIER

RECTIFIER BRIDGE

1шт.

20

A45221

SCREW,Hex Wshr Hd, #8 - 32 x 0.99"

SCREW - rectifier bridge, #8-32 x 1"

1шт.

23

A47734

CAPACITOR

CAPACITOR ASSEMBLY - (Includes bracket) (Replaces A45017)

1шт.

24

A45228

SELF-TAP SCREW,Hex Wash Hd, #8-32 x .59", Spc

SCREW - capacitor, #8-32 x 3/8"

2шт.

25

A47047

ROTOR

ROTOR ASSEMBLY - (Includes slip ring)

1шт.

26

A47040

STATOR

STATOR ASSEMBLY - alternator

1шт.

27

A47577

FRAME

FRAME - drive end

1шт.

28

A45230

BEARING ASSY

BEARING - ball, drive end

1шт.

30

A44433

PLATE

PLATE - bearing retainer

1шт.

31

173-210

SCREW,Sl Rnd Hd, #10 - 24 x 3/8"

SCREW - bearing plate, #10-24 x 3/8" round head

3шт.

33

195-512

WASHER,#10

WASHER - 7/32" x 7/16" x 1/16" (5.6 x 11.1 x 1.6 MM)

3шт.

34

A45232

WASHER

WASHER - grease slinger, bearing

1шт.

36

A72047

COLLAR

COLLAR - outer, rotor shaft

1шт.

37

A25546

NUT

NUT - pulley and, Serial Range: fan-shaft

1шт.

38

R16171

SPRING WASHER

WASHER - lock

1шт.

40

A43384

FAN

FAN - alternator

1шт.

41

L59716

PULLEY

PULLEY - alternator

1шт.

Выбрано товаров: 0