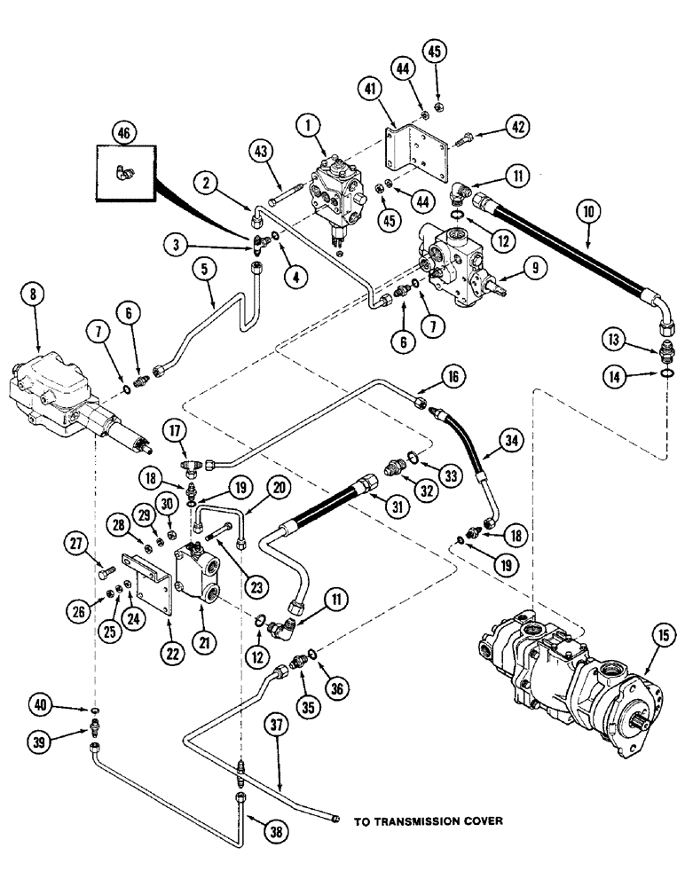
Запчасти Case IH 4690 (5-130) - REAR STEER HYDRAULICS, PRIORITY AND CONTROL VALVES, P.I.N. 8860450 & AFTER (05) - STEERING

Схема запчастей Case IH 4690 - (5-130) - REAR STEER HYDRAULICS, PRIORITY AND CONTROL VALVES, P.I.N. 8860450 & AFTER (05) - STEERING
23
27
13
18
5
38
3
9
20
46
36
32
44
26
44
12
16
1
24
8
19
43
29
19
37
25
2
31
6
6
33
42
17
10
11
30
7
39
14
41
22
28
15
18
4
45
11
40
21
7
45
34
35
12
FIT
1:1
100%

Артикул

Название

Примечание

Количество

1

REF

INSTRUCTION

VALVE ASSEMBLY - control, rear steer (See Figure 5-148)

1шт.

2

A162182

TUBE

Regulator valve to rear steering valve

1шт.

3

218-5182

TEE,9/16" - 18 Male JIC x 9/16" - 18 Male JIC x 9/16" - 18 Male ORB

CONNECTOR ASSEMBLY, 3/8" tube (Used tractor with hitch), Includes: Ref. 4

1шт.

4

218-5005

O-RING,0.078" Thk x 0.468" ID, -906, Cl 6, 90 Duro

(M11.89 ID x 1.98 Thk)

1шт.

5

A162611

TUBE

Hitch valve to rear steering valve

1шт.

6

218-5057

HYD CONNECTOR,9/16" - 18 JIC x 9/16" - 18 ORB

ASSEMBLY, Incl. Ref. 7

2шт.

7

218-5005

O-RING,0.078" Thk x 0.468" ID, -906, Cl 6, 90 Duro

(M11.89 ID x 1.98 Thk)

1шт.

8

REF

INSTRUCTION

VALVE ASSEMBLY - control hitch (See Figure 8-314)

1шт.

9

REF

INSTRUCTION

VALVE ASSEMBLY - pressure regulator (See Figure 8-250)

1шт.

10

A148749

HOSE

Hydraulic pump to regulator valve

1шт.

11

218-5108

ELBOW,90 Degree Elbow, 1-1/16" - 12 Male JIC x 1-1/16" - 12 Male ORB

Assy, 3/4" tube, Incl. Ref. 12

2шт.

12

218-5008

O-RING,0.116" Thk x 0.924" ID, -912, Cl 6, 90 Duro

(M23.47 ID x 2.95 Thk)

1шт.

13

218-5077

HYD CONNECTOR,1-1/16" - 12 Male JIC x 1-5/16" - 12 Male ORB

ASSEMBLY, 3/4" tube x 1", Incl. Ref. 14

1шт.

14

218-5010

O-RING,0.116" Thk x 1.171" ID, -916, Cl 6, 90 Duro

(M29.74 ID x 2.95 Thk)

1шт.

15

REF

INSTRUCTION

PUMP ASSEMBLY - hydraulic (See Figure 8-264 thru 8-272)

1шт.

16

A162184

TUBE

Priority sensing

1шт.

17

218-836

TEE,37 Degree, 9/16"-18 x 9/16"-18, Fem Sw Br

CONNECTOR, 3/8" tube x 3/8" tube x 9/16"

1шт.

18

218-5352

HYD CONNECTOR,9/16"-18, 37 Degree x 7/16"-20, O-Ring

ASSY, Incl. Ref. 19

2шт.

19

218-5003

O-RING,0.072" Thk x 0.351" ID, -904, Cl 6, 90 Duro

(M8.92 ID x 1.83 Thk)

1шт.

20

A162180

TUBE

Priority valve drain

1шт.

21

REF

INSTRUCTION

VALVE ASSEMBLY - rear steering (See Figure 5-146)

1шт.

22

A161768

BRACKET

SPARE PART Mounting, priority valve

1шт.

23

13-544

BOLT,Hex, 5/16" - 18 x 2-3/4", Gr 5

2шт.

24

95-5

WASHER,3/8" x 7/8" x .083"

WASHER - flat, 5/16"

2шт.

25

92-5

LOCK WASHER,5/16"

2шт.

26

9635082

NUT,5/16" - 18, Gr 5

Hex

2шт.

27

13-620

BOLT,Hex, 3/8" - 16 x 1-1/4", Gr 5, Full Thd

2шт.

28

95-6

WASHER,3/8"

2шт.

29

92-6

LOCK WASHER,3/8"

2шт.

30

25-106

NUT,3/8"-16, G5

Hex

2шт.

31

A162188

TUBE

HOSE ASSEMBLY - regulator valve to priority valve

1шт.

32

218-5064

HYD CONNECTOR,1-1/16" - 12 Male JIC x 1-1/16" - 12 Male ORB

Assy, Straight, 3/4" tube, Incl. Ref. 33

1шт.

33

218-5008

O-RING,0.116" Thk x 0.924" ID, -912, Cl 6, 90 Duro

(M23.47 ID x 2.95 Thk)

1шт.

34

A162183

HOSE

ASSEMBLY - pump to priority valve

1шт.

35

218-5059

HYD CONNECTOR,3/4"-16, 37 Degree x 3/4"-16, O-Ring

ASSEMBLY - straight, 1/2" tube, Incl. Ref 36

1шт.

36

218-5006

O-RING,0.087" Thk x 0.644" ID, -908, Cl 6, 90 Duro

(M16.36 ID x 2.21 Thk)

1шт.

37

A162253

TUBE

ASSEMBLY - regulator, Serial Range: valve-sump

1шт.

38

A163223

TUBE

Hitch valve drain

1шт.

39

218-5053

HYD CONNECTOR,7/16" - 20 JIC x 7/16" - 20 ORB

ASSEMBLY, Incl. Ref. 40

1шт.

40

218-5003

O-RING,0.072" Thk x 0.351" ID, -904, Cl 6, 90 Duro

(M8.92 ID x 1.83 Thk)

1шт.

41

A161768

BRACKET

SPARE PART Mounting, rear steering valve

1шт.

42

13-620

BOLT,Hex, 3/8" - 16 x 1-1/4", Gr 5, Full Thd

2шт.

43

13-660

BOLT,Hex, 3/8" - 16 x 3-3/4", Gr 5

2шт.

44

92-6

LOCK WASHER,3/8"

4шт.

45

25-106

NUT,3/8"-16, G5

Hex

4шт.

46

218-5105

ELBOW,90 Degree Elbow, 9/16" - 18 Male JIC x 9/16" - 18 Male ORB

Tube to valve (Used tractor without hitch)

1шт.

Выбрано товаров: 0