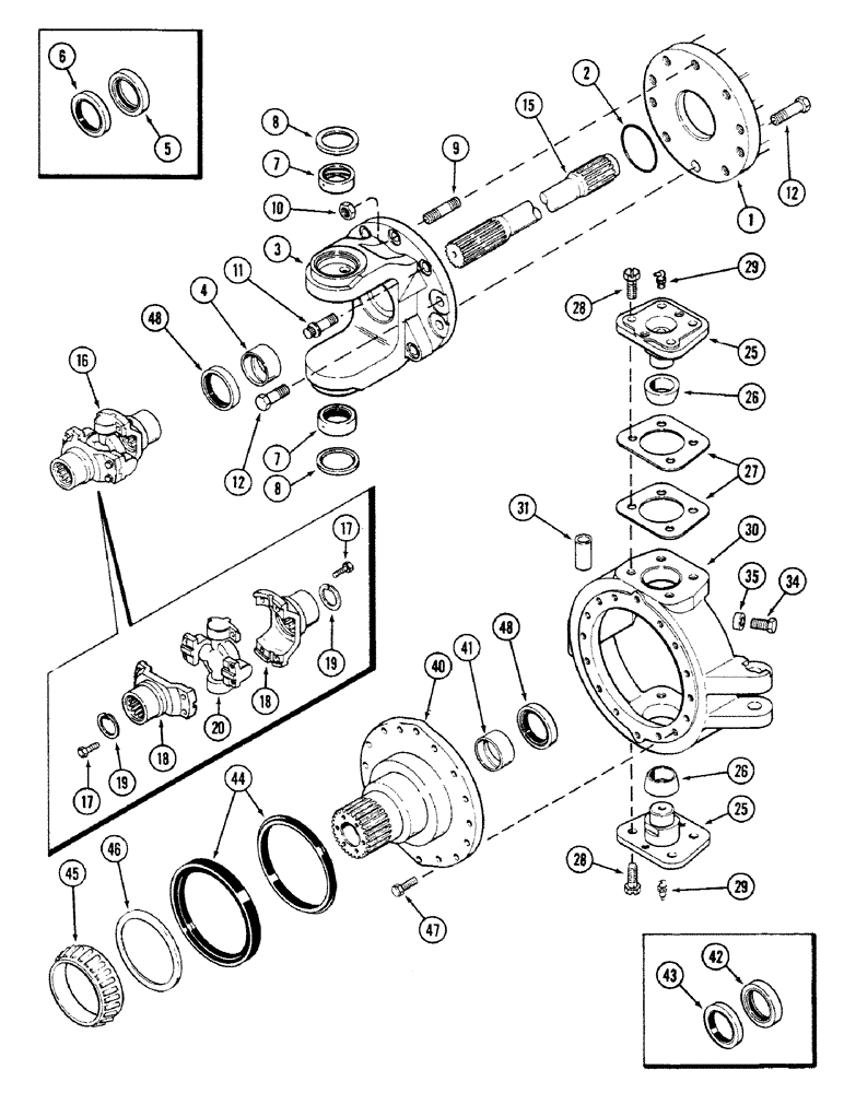
Запчасти Case IH 4694 (6-228) - REAR AXLE ASSEMBLY, RIGHT TRUNNION AND SPINDLE, TRUNNION WITH BUSHING (06) - POWER TRAIN

Схема запчастей Case IH 4694 - (6-228) - REAR AXLE ASSEMBLY, RIGHT TRUNNION AND SPINDLE, TRUNNION WITH BUSHING (06) - POWER TRAIN
48
28
6
20
7
43
29
47
25
11
9
10
26
41
5
46
29
2
1
8
35
45
15
12
31
27
18
25
26
19
8
28
18
12
19
42
40
3
4
17
7
17
44
30
16
34
48
FIT
1:1
100%

Артикул

Название

Примечание

Количество

1

REF

INSTRUCTION

HOUSING - axle (See Figure 6-226)

1шт.

2

A21301

O-RING,0.139" Thk x 3.609" ID, -239, Cl 5, 75 Duro

- housing

1шт.

3

A151030

AXLE

TRUNNION ASSEMBLY - axle, Includes: Ref. 4 - 8

1шт.

For repairs order 1 each of A152610 trunnion, 113-14 bolt, 13-1012 bolt, 219-41 fitting, and 221-1849 plug.

1шт.

4

A179704

BUSHING,63.55mm ID x 68.43mm OD x 38.1mm L

- universal joint, 2-11/16 OD x 1-1/2 inch wide

1шт.

5

NSS

NOT SOLD SEPARAT

SEAL - oil, 3/8 inch wide (Order A168810)

1шт.

6

NSS

NOT SOLD SEPARAT

SEAL - oil, 1/4 inch wide (Order A168810)

1шт.

7

A76570

BEARING WASHER,1.75" ID x 2.8122" OD x 1.07"

RING - bearing, king pin

2шт.

8

A142970

SEAL,63.88mm ID x 73.18mm OD x mm Thk

- grease, king pin

2шт.

9

A77281

STUD

- trunnion to axle housing, 3/4 NC x 2-7/8 inch

1шт.

10

25-1612

NUT,3/4"-10, G5, Hvy

- hex, 3/4 inch

1шт.

11

166-134

12 PT SCREW,Flg, 3/4" - 10 x 2", Gr 8

BOLT - 12 point head, 3/4 NC x 2 inch, grade 8

2шт.

11

166-139

12 PT SCREW,Flg, 3/4" - 10 x 3 1/4", Gr 8

BOLT - 12 point head, 3/4 NC x 3-1/4 inch, grade 8

2шт.

12

26-1232

BOLT,Hex, 3/4" - 10 x 2", Gr 8

4шт.

12

26-1240

BOLT,Hex, 3/4" - 10 x 2-1/2", Gr 8

- hex, 3/4 NC x 2-1/2 inch, grade 8

1шт.

15

A75243

SHAFT

- axle, 32-1/2 inch long

1шт.

16

A75275

JOINT

ASSEMBLY - universal (Order components), Includes: Ref. 17 - 20

1шт.

17

A12870

BOLT,Hex, 7/16" - 20 x 1 1/16"

- universal joint to slip yoke

8шт.

18

A44175

YOKE

- slip

2шт.

19

A44249

SNAP RING,1.812", Int, #181

Ring, Snap, 1.812", Int, #181

2шт.

20

D50866

SPIDER,49.28mm Cap Dia, 117.35mm L, Grease-able

U-JOINT - universal (Includes bearings)

1шт.

25

A152640

PIN

ASSEMBLY - king, upper and lower, Includes: Ref. 26

2шт.

26

A76576

BEARING WASHER,44.44mm ID x 63.88mm OD x 24.89mm Thk

RING - bearing

1шт.

27

A182553

SHIM,.002" Thk

King pin .002" Thk

1шт.

27

A136186

SHIM,82.96mm ID x 126.75mm OD x 0.13mm Thk

King pin .005" Thk

1шт.

27

A136187

SHIM,82.96mm ID x 126.75mm OD x 0.38mm Thk

King pin .015" Thk

1шт.

28

26-1028

BOLT,Hex, 5/8" - 11 x 1-3/4", Gr 8

- hex, 5/8 x 1-3/4 inch, grade 8

8шт.

29

219-3

LUBE NIPPLE,1/8" - 27 NPTF

FITTING - straight lube, 1/8 inch PT

2шт.

30

A152552

HOUSING

ASSEMBLY - spindle, Includes: Ref. 31

1шт.

31

A75239

BUSHING,22.28mm ID x 28.66mm OD x 56.34mm L

- tie rod pivot bolt

1шт.

34

26-1020

BOLT,Hex, 5/8" - 11 x 1-1/4", Gr 8

- hex, stop, 5/8 NC x 1-1/4 inch, grade 8

1шт.

35

A140011

BUSHING

SPACER - 21/32 x 1 x 5/16 inch

1шт.

40

A152503

SPINDLE

ASSEMBLY - wheel, Includes: Ref. 41 - 46

1шт.

41

A179704

BUSHING,63.55mm ID x 68.43mm OD x 38.1mm L

- universal joint, 2-11/6 OD x 1-1/2 inch wide

1шт.

41

NSS

NOT SOLD SEPARAT

SEAL - oil, 3/8 inch wide (Order A168810)

1шт.

43

NSS

NOT SOLD SEPARAT

SEAL - oil, 1/4 inch wide (Order A168810)

1шт.

44

A76272

OIL SEAL,174.22mm ID x 219.53mm OD x 20.95mm Thk

ASSEMBLY - oil, spindle

1шт.

45

306854C91

BEARING

CONE - bearing, wheel

1шт.

46

A75256

RING

- backup, bearing cone

1шт.

47

26-824

BOLT,Hex, 1/2" - 13 x 1-1/2", Gr 8

14шт.

47

26-820

BOLT,Hex, 1/2" - 13 x 1-1/4", Gr 8

2шт.

48

A168810

OIL SEAL,61.4mm ID x 89.31mm OD x 16mm Thk

- oil and dust

2шт.

Выбрано товаров: 42