Запчасти Case IH 4694 (6-270) - PTO INPUT AND OUTPUT SHAFTS, GEARS AND COVERS (06) - POWER TRAIN

Схема запчастей Case IH 4694 - (6-270) - PTO INPUT AND OUTPUT SHAFTS, GEARS AND COVERS (06) - POWER TRAIN
26
12
36
6
5
15
4
30
28
2
1
18
14
16
19
1
15
13
25
35
12
10
33
29
25
11
32
9
27
11
9
37
26
17
31
3
16
12
FIT
1:1
100%

Артикул

Название

Примечание

Количество

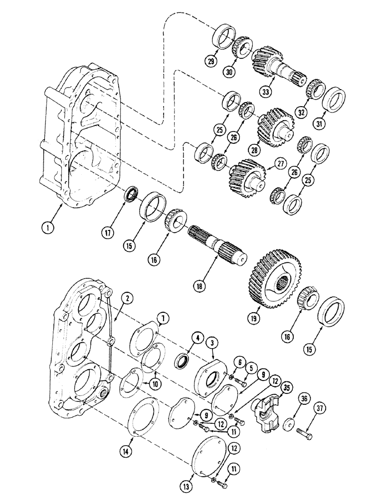
A168215

HOUSING

ASSEMBLY - PTO complete (Includes parts on page 6-266), Includes: Ref. 1 - 33

1шт.

1

REF

INSTRUCTION

HOUSING - PTO (See Figure 6-272)

1шт.

2

REF

INSTRUCTION

COVER - housing (See Figure 6-272)

1шт.

3

A138440

COVER

- input shaft bearing

1шт.

4

H749218

OIL SEAL,44.45mm ID x 63.65mm OD x 7.95mm Thk

- oil, cover

1шт.

5

113-209

BOLT,Hex, 3/8" - 16 x 1-1/2", Gr 5

3шт.

6

192-21

LOCK WASHER,3/8"

WASHER, LOCK, 3/8"

3шт.

7

A138442

SHIM,.005" Thk

Cover (0.127 mm) .005" Thk

1шт.

7

A138441

SHIM,.007" Thk

Cover (0.177 mm) .007" Thk

1шт.

9

A168265

COVER ASSY

COVER - idler gear bearing

2шт.

10

A168266

SHIM

- cover, 0.127 MM (Blue)

1шт.

10

A168267

SHIM

- cover, 0.178 MM (White)

1шт.

11

113-208

BOLT,Hex, 3/8" - 16 x 1-1/4", Gr 5

10шт.

12

A76640

GASKET

- idler gear cover

10шт.

13

A138434

BEARING COVER,3.56" ID x 6.12" OD x 0.5"

COVER - output bearing

1шт.

14

A158643

SHIM

- cover, 0.127 MM

1шт.

14

A158696

SHIM

- cover, 0.178 MM

1шт.

15

A182603

BUSHING

CUP - bearing (Replaces A7890)

2шт.

16

A158711

ROLLER BEARING,50.813 mm ID x 112.737 mm OD x 23.863, 30.365 mm

CONE - bearing

2шт.

17

H749218

OIL SEAL,44.45mm ID x 63.65mm OD x 7.95mm Thk

- oil

1шт.

18

A168385

SHAFT

- output (1-3/8")

1шт.

A168386 shaft is 1 3/4"

1шт.

19

A168384

GEAR WHEEL

GEAR - output

1шт.

25

A55807

BEARING, CUP,83.7375 mm OD x 23.7105, 30.2635 mm

CUP - bearing, idler shaft

4шт.

26

ST791

TAPERED BEARING,1.6255" ID x 3.376" OD x 1.202"

CONE - bearing, idler shaft (Order D44321)

4шт.

27

A158641

GEAR

- idler, lower

1шт.

28

A158640

GEAR

- idler, upper

1шт.

29

ST987

BEARING CUP

CUP - bearing, input shaft rear

1шт.

30

ST2118

TAPERED BEARING,1.75" ID x 3.27" OD x 0.9375"

CONE - bearing, input shaft rear

1шт.

31

A138433

BEARING CUP

CUP - bearing, input shaft front

1шт.

32

S113921

TAPERED BEARING

CONE - bearing, input shaft front

1шт.

33

A158639

SHAFT

- pinion, input

1шт.

35

A76560

YOKE

- input shaft

1шт.

36

A75206

WASHER,13.5mm ID x 50.8mm OD x 9.53mm Thk

- yoke

1шт.

37

113-2436

BOLT,Locking, 1/2" - 13 x 2-1/4", Gr 5

- hex, 1/2 NC x 2-1/4 inch

1шт.

Выбрано товаров: 35