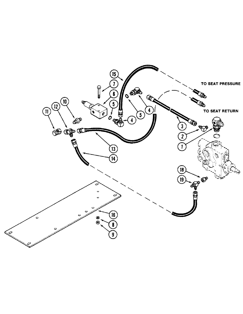
Запчасти Case IH 4694 (8-290) - OPERATOR SEAT HYDRAULIC SYSTEM (08) - HYDRAULICS

Схема запчастей Case IH 4694 - (8-290) - OPERATOR SEAT HYDRAULIC SYSTEM (08) - HYDRAULICS
12
10
14
4
11
18
6
15
3
2
19
8
4
5
5
9
7
16
13
1
FIT
1:1
100%

Артикул

Название

Примечание

Количество

1

REF

INSTRUCTION

ELBOW ASSEMBLY - hydraulic regulator (See page 8-288)

1шт.

2

218-481

ELBOW,90 Degree Elbow, 7/16" - 20 Male JIC x 1/8" - 27 Male NPTF

- 90 degree, 1/4 tube 7/16-20 thread x 1/8 inch PT

1шт.

3

H347971

HOSE,0.25" ID x 13.00, SAE 100R1A

Regulator Valve to Seat Control Valve 0.25" ID x 13.00, SAE 100R1A

1шт.

4

218-5278

ELBOW,9/16" - 18 JIC x 7/16" - 20 ORB

ASSEMBLY - 90 degree adjustable, 3/8 tube 9/16-18 thread x 1/4 tube 7/16-20 inch thread, Incl. Ref. 5

2шт.

5

218-5003

O-RING,0.072" Thk x 0.351" ID, -904, Cl 6, 90 Duro

- 11/32 ID x 5/64 inch width (9 ID x 2 MM width)

1шт.

6

REF

INSTRUCTION

VALVE ASSEMBLY - seat control (See Figure 8-300)

1шт.

7

113-15

BOLT,Hex, 1/4" - 20 x 2-1/4", Gr 5

- hex, 1/4-20 NC x 2-1/4 inch

2шт.

8

192-19

LOCK WASHER,Helical Spring, 0.256" ID, CST, ZND

WASHER, LOCK, 1/4"

2шт.

9

129-121

NUT,1/4"-28, G5

2шт.

10

218-443

HYD CONNECTOR,9/16" - 18 Male JIC x 1/4" - 18 Male NPTF

CONNECTOR - straight, 3/8 tube 9/16-18 x 1/4 inch PT

1шт.

11

218-980

ELBOW,90 Degree, 9/16"-18, 37 Degree x 9/16"-18, 37 Degree Fem Sw

ASSEMBLY - 90 degree swivel, 3/8 tube 9/16-18 inch thread

1шт.

12

218-5222

TEE,37 Degree, 9/16"-18, x 9/16"-18, Fem Sw Run

- swivel, 3/8 tube 9/16-18 inch thread

1шт.

13

H256529

HYDRAULIC HOSE,6.35 mm ID x 838.20 mm, SAE 100R1A

- Seat return (Replaces H171017) 6.35 mm ID x 838.20 mm, SAE 100R1A

1шт.

14

H347971

HOSE,0.25" ID x 13.00, SAE 100R1A

Seat Control Valve Drain 0.25" ID x 13.00, SAE 100R1A

1шт.

15

H168625

HYDRAULIC HOSE,6.35 mm ID x 381.00 mm, SAE 100R1

Seat Pressure, Replaces H168633 6.35 mm ID x 381.00 mm, SAE 100R1

1шт.

16

REF

INSTRUCTION

PLATE - remote valve mounting (See Figure 8-322)

1шт.

Выбрано товаров: 0