Запчасти Case IH 4694 (8-354) - REMOTE HYDRAULIC ATTACHMENTS, HYDRAULIC CYLINDER, HOSES AND COUPLINGS (08) - HYDRAULICS

Схема запчастей Case IH 4694 - (8-354) - REMOTE HYDRAULIC ATTACHMENTS, HYDRAULIC CYLINDER, HOSES AND COUPLINGS (08) - HYDRAULICS
2
3
9
4
8
24
2
20
25
28
21
10
6
5
26
3
11
4
15
7
5
22
23
27
1
16
FIT
1:1
100%

Артикул

Название

Примечание

Количество

A149501

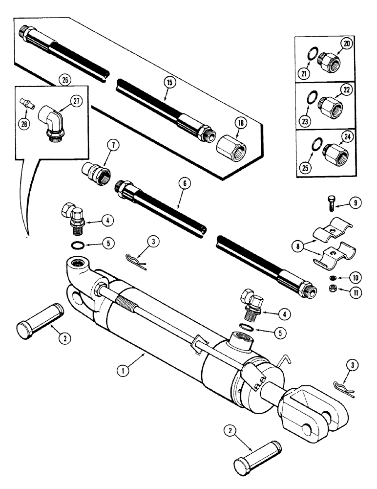
ATTACHMENT - remote hydraulic cylinder, with hoses (Machinery item), Includes: Ref. 1 - 16

1шт.

1

REF

INSTRUCTION

CYLINDER ASSEMBLY - hydraulic, remote (See Figure 8-358)

1шт.

2

A27347

PIN

- cylinder yoke

2шт.

3

A29054

HAIR PIN COTTER

- retaining, yoke pin

2шт.

4

218-5201

90 ELBOW,90 Degree, 7/8"-14 O-Ring x 1/2" NPSM Fem

ASSEMBLY - 90 degrees, 1/2 PT x 7/8-14 inch thread, Includes: Ref. 5

2шт.

5

237-6010

O-RING,0.097" Thk x 0.755" ID, -910, Cl 6, 90 Duro

10-1, 90 Duro, .755" ID x .097" Thk (19 ID x 2 MM width)

1шт.

6

A135006

HYDRAULIC HOSE,0.50" ID x 106.00", SAE 100R1 per SAE 100 R1

0.50" ID x 106.00", SAE 100R1 per SAE 100 R1

2шт.

6

A135007

HYDRAULIC HOSE,0.50" ID x 118.00", SAE 100R1 per SAE 100 R1

0.50" ID x 118.00", SAE 100R1 per SAE 100 R1

2шт.

7

REF

INSTRUCTION

COUPLING ASSEMBLY - male breakway (See Figure 8-356)

2шт.

8

A27440

CLAMP

- hose

2шт.

9

113-102

BOLT,Hex, 5/16" - 18 x 3/4", Gr 5

Hex, 5/16"-18 x 3/4", G5, Full Thd

1шт.

10

192-20

LOCK WASHER,Helical Spring, 0.318" ID, CST, ZND

WASHER, LOCK, 5/16"

1шт.

11

9635082

NUT,5/16" - 18, Gr 5

1шт.

15

A135109

HYDRAULIC HOSE,1/2" ID x 31" L, SAE 100R1

0.50" ID x , SAE 100R1 - Extension 31.00"

2шт.

16

A135110

ADAPTER

- hose, 1/2 PT x 7/8-14 inch thread

2шт.

20

A135687

ADAPTER

ASSEMBLY - coupling, 7/8-14 male x 7/8-18 inch female (For J.I. Case Implement hose), hydraulic hose adapters, Includes: Ref. 21

1шт.

21

237-6010

O-RING,0.097" Thk x 0.755" ID, -910, Cl 6, 90 Duro

10-1, 90 Duro, .755" ID x .097" Thk (19 ID x 2 MM width), hydraulic hose adapters

1шт.

22

A135688

ADAPTER

ASSEMBLY - coupling, 7/8-14 male x 3/4-16 inch female (For John Deere Implement hose), hydraulic hose adapters, Includes: Ref. 23

1шт.

23

237-6010

O-RING,0.097" Thk x 0.755" ID, -910, Cl 6, 90 Duro

10-1, 90 Duro, .755" ID x .097" Thk (19 ID x 2 MM width), hydraulic hose adapters

1шт.

24

218-5095

ADAPTER,7/8" - 14 ORB x 1/2" NPT

ASSEMBLY - coupling, 7/8-14 male x 1/2 inch PT female (For International Harvester Implement hose), hydraulic hose adapters, Includes: Ref. 25

1шт.

25

237-6010

O-RING,0.097" Thk x 0.755" ID, -910, Cl 6, 90 Duro

10-1, 90 Duro, .755" ID x .097" Thk (19 ID x 2 MM width), hydraulic hose adapters

1шт.

26

A65964

REGULATOR

ASSEMBLY - oil return, remote cylinder return, Includes: Ref. 27 and 28

1шт.

27

A65955

ELBOW,90 Degree, 7/8"-14" O-Ring x 1/2" NPT Fem

- 90 degree, regulator, remote cylinder return

1шт.

28

A57369

SPOOL

- regulator, remote cylinder return

1шт.

Выбрано товаров: 24