Запчасти Case IH 4694 (9-486) - AIR CONDITIONING, SANKYO-SANDEN COMPRESSOR MOUNTING (09) - CHASSIS/ATTACHMENTS

Схема запчастей Case IH 4694 - (9-486) - AIR CONDITIONING, SANKYO-SANDEN COMPRESSOR MOUNTING (09) - CHASSIS/ATTACHMENTS
16
10
2
16
1
17
11
30
5
15
32
6
27
21
9
20
25
27
8
3
17
33
4
12
18
23
31
19
FIT
1:1
100%

Артикул

Название

Примечание

Количество

1

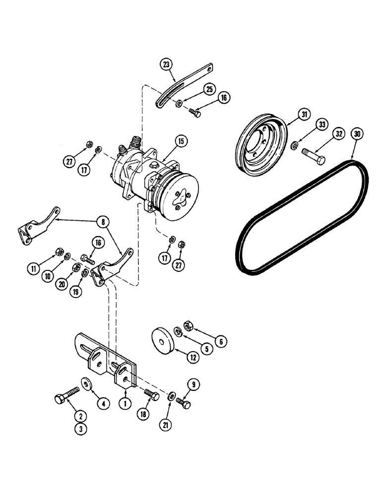
A177392

BRACKET

- support, Serial Range: compressor-frame

1шт.

2

113-626

BOLT,Hex, 5/8" - 11 x 2-1/2", Gr 5

1шт.

3

113-604

BOLT,Hex, 5/8" - 11 x 2", Gr 5

1шт.

4

195-541

WASHER,5/8", SAE

- flat, 21/32 x 1-5/16 x 7/64 inch (17 x 33 x 3 MM)

2шт.

5

192-25

LOCK WASHER,5/8"

WASHER, LOCK, 5/8"

2шт.

6

129-107

NUT,5/8"-11, G5

2шт.

8

A177395

BRACKET

- support, compressor

2шт.

9

138-208

LOCK PIN,1/2" x 2 1/2", Slotted

BOLT - hex, 3/8 NC x 1-1/4 inch

2шт.

10

192-21

LOCK WASHER,3/8"

WASHER, LOCK, 3/8"

2шт.

11

129-103

NUT,Hex, 3/8" - 16, Gr 5

NUT, 3/8"-16, G5

2шт.

12

A161813

BUSHING

SPACER - compressor bracket

1шт.

15

REF

INSTRUCTION

COMPRESSOR ASSEMBLY - air (See Figure 9-496)

1шт.

16

814-10035

BOLT,Hex, M10 x 1.5 x 35mm, Cl 8.8, Full Thd

5шт.

17

892-1110

LOCK WASHER,M10

WASHER - lock, M10

5шт.

18

814-10025

BOLT,Hex, M10 x 1.5 x 25mm, Cl 8.8, Full Thd

2шт.

19

192-21

LOCK WASHER,3/8"

WASHER, LOCK, 3/8"

2шт.

20

825-1110

NUT,M10, Cl 8

hex M10, Cl 8

2шт.

21

195-105

WASHER,7/16"

- flat, 7/16 x 1 x 5/64 inch (11 x 25 x 2 MM)

2шт.

23

A166827

BRACKET

STRAP - adjusting, compressor belt

1шт.

25

895-15010

WASHER,11mm ID x 24mm OD x 2mm Thk

1шт.

27

825-1110

NUT,M10, Cl 8

hex M10, Cl 8

1шт.

30

A135265

V-BELT,0.50" W

Compressor Drive 0.50" W

1шт.

31

A161843

PULLEY

- crankshaft, compressor drive

1шт.

32

113-417

BOLT,Hex, 1/2" - 13 x 1-1/4", Gr 5, Full Thd

6шт.

33

192-23

LOCK WASHER,1/2"

WASHER, LOCK, 1/2"

6шт.

Выбрано товаров: 25