Запчасти Case IH 4694 (9-492) - AIR CONDITIONING, SANKYO-SANDEN COMPRESSOR HOSES AND TUBES, P.I.N. 8866632 AND AFTER (09) - CHASSIS/ATTACHMENTS

Схема запчастей Case IH 4694 - (9-492) - AIR CONDITIONING, SANKYO-SANDEN COMPRESSOR HOSES AND TUBES, P.I.N. 8866632 AND AFTER (09) - CHASSIS/ATTACHMENTS
15
22
14
5
18
21
14
18
25
6
19
3
18
3
17
12
16
020
2
13
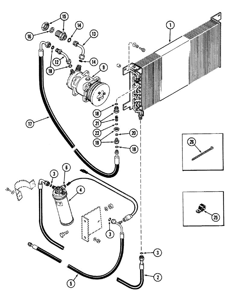
1
4
9
3
26
FIT
1:1
100%

Артикул

Название

Примечание

Количество

1

REF

INSTRUCTION

CONDENSER - air conditioning (See Figure 9-488)

1шт.

2

A152068

HOSE

-, Serial Range: condenser-receiver-drier

1шт.

3

A61198

O-RING,0.07" Thk x 0.301" ID, -11

- packing

3шт.

4

REF

INSTRUCTION

RECEIVER-DRIER - air conditioning (See Figure 9-488)

1шт.

5

A149771

HOSE

- receiver-drier to cab connector

1шт.

6

A65779

SWITCH

- high pressure

1шт.

9

REF

INSTRUCTION

COMPRESSOR ASSEMBLY - air (See Figure 9-496)

1шт.

12

A177818

TUBE ASSY.

TUBE - compressor hose

1шт.

13

A177816

PIPE

TUBE - cab, Serial Range: connection-compressor

1шт.

14

A61197

O-RING,1.78mm Thk x 27mm ID

- coupling

1шт.

15

A61194

COUPLING, BREAK AWAY

COUPLING ASSEMBLY - cab hose, Includes: Ref. 16

1шт.

16

A42668

GASKET

- coupling

1шт.

17

A177817

HOSE

-, Serial Range: compressor-condenser

1шт.

18

A61195

O-RING,0.364" ID x 0.5" OD

- coupling

3шт.

19

A61196

COUPLING, BREAK AWAY

COUPLING ASSEMBLY - hose, Includes: Ref. 20

1шт.

20

A42667

GASKET

- coupling

1шт.

21

A42663

COUPLING,1/2" - 20 NPT

COUPLING ASSEMBLY - condenser, Includes: Ref. 22

1шт.

22

A42665

O-RING,0.239" ID x 0.375" OD x 0.07"

- piston

1шт.

25

49855

CLAMP

- condenser hose

1шт.

26

L18337

CABLE TIE,9.95"-12.1" lg

STRAP - tie, 15 inch, nylon

1шт.

Выбрано товаров: 20