Запчасти Case IH 4694 (2-030) - CYLINDER HEAD AND COVER, 504BDTI DIESEL ENGINE (02) - ENGINE

Схема запчастей Case IH 4694 - (2-030) - CYLINDER HEAD AND COVER, 504BDTI DIESEL ENGINE (02) - ENGINE
15
9
13
21
16
25
33
29
14
5
22
12
10
7
30
34
8
23
6
31
3
21
6
24
11
20
1
33
2
FIT
1:1
100%

Артикул

Название

Примечание

Количество

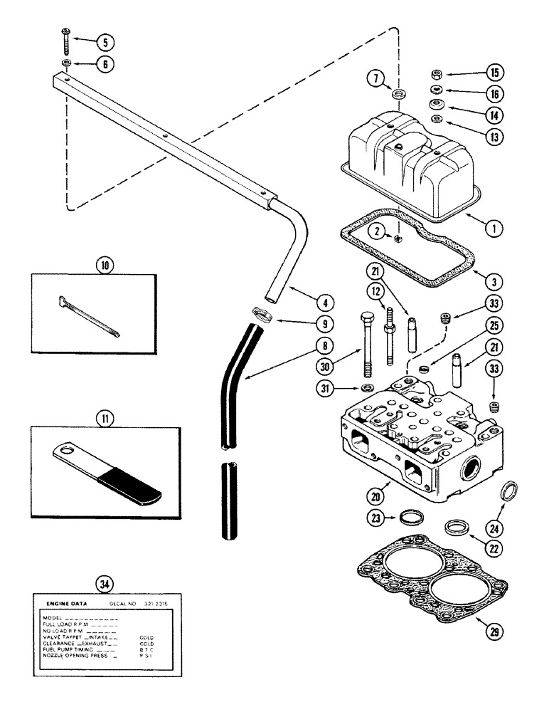
1

A166170

COVER

COVER ASSEMBLY - cylinder head, Includes: Ref. 2

3шт.

2

131-114

SPRING NUT,Rtnr, 1/4" - 20, 0.25" High

NUT - Tinnerman, cage, 1/4 inch NC

1шт.

3

REF

INSTRUCTION

GASKET - cylinder head (See Figure 2-046)

3шт.

4

A166120

TUBE

TUBE - breather

1шт.

5

182-587

SCREW,Cross Pan Hd, 1/4"-20 x 2 1/2"

BOLT - hex, 1/4 NC x 2-1/2 inch

3шт.

6

A166102

WASHER,6.45mm ID x 12.7mm OD x 0.81mm Thk

GASKET - bolt to tube, 9/32 x 1/2 x 3/64 inch (7 x 13 x 2 MM)

3шт.

7

A58635

GASKET,17.27mm ID x 32mm OD x 6.6mm Thk

GASKET - tube to cover, 11/16 x 1-1/4 x 1/4 inch (18 x 32 x 6 MM)

3шт.

8

A156416

HOSE,25.4 mm ID x 1016.00 mm, SAE J200F

Breather

1шт.

9

214-256

HOSE CLAMP,#20, 0.81" - 1.75", Type F Worm

CLAMP - hose, 1-3/16 to 1-3/4 inch

1шт.

10

L18337

CABLE TIE,9.95"-12.1" lg

CABLE STRAP STRAP - tie, 15 inch, nylon

1шт.

11

A22883

CLIP

CLAMP - breather, Serial Range: hose-block

1шт.

12

A67121

STUD

STUD - cover and rocker arm bracket

6шт.

13

A142098

GROMMET

GROMMET - cover stud

6шт.

14

A156097

WASHER,11.94mm ID x 31.22mm OD x 1.32mm Thk

WASHER - cover nut

6шт.

15

129-104

NUT,7/16"-14, G5

NUT, 7/16"-14, G5

6шт.

16

195-529

WASHER,7/16", SAE

WASHER - 15/32 x 59/64 x 1/16 inch (12 x 23 x 2 mm)

6шт.

20

A138261

HEAD (CYLINDER)

HEAD ASSEMBLY - cylinder (Casting no. A152437), Includes: Ref. 21 - 25

3шт.

20

AR152265

REMAN-CYLINDER HEAD

Cylinder Head

3шт.

20

AC152265

CORE-CYLINDER HEAD

Return Number

3шт.

21

A57448

GUIDE

GUIDE - valve

4шт.

22

A66192

INSERT

INSERT - exhaust valve seat

2шт.

23

A66191

INSERT

INSERT - intake valve seat

2шт.

24

A34124

PLUG,Cup, 1 5/8", Stainless

PLUG - cup type, 1-5/8 inch (41 MM)

2шт.

25

A58620

PLUG,Cup, 3/4", Stainless

PLUG - cup type, 3/4 inch (19 MM)

1шт.

29

REF

INSTRUCTION

GASKET - head to block (Includes fire rings) (See Figure 2-046)

3шт.

30

A76638

BOLT

BOLT - hex, head to block, 5/8 NC x 6-1/4 inch

30шт.

31

A58629

BEARING WASHER,16.66mm ID x 25.4mm OD x 3.04mm Thk

WASHER - head bolt, 21/32 x 1 x 1/8 inch (17 x 25 x 3 MM)

30шт.

33

221-843

PLUG,Hex Soc, 3/8"-18

PLUG - socket head, 3/8 inch PT

6шт.

34

321-3991

DECAL

DECAL - engine data

1шт.

Выбрано товаров: 0