Запчасти Case IH 4694 (2-038) - CRANKSHAFT AND FLYWHEEL, 504BDTI DIESEL ENGINE (02) - ENGINE

Схема запчастей Case IH 4694 - (2-038) - CRANKSHAFT AND FLYWHEEL, 504BDTI DIESEL ENGINE (02) - ENGINE
8
27
26
20
14
11
15
2
10
3
6
40
9
4
35
36
38
5
29
22
39
19
12
13
7
25
37
1
6
5
21
FIT
1:1
100%

Артикул

Название

Примечание

Количество

1

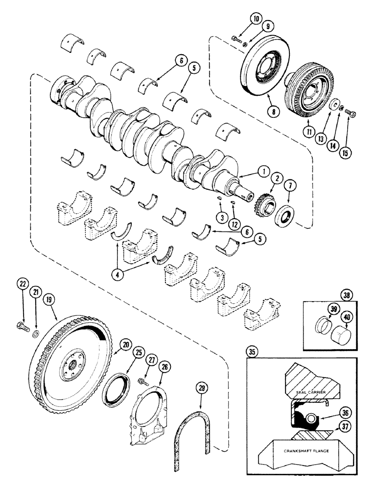
A77270

CRANKSHAFT

ASSEMBLY - engine, Includes: Ref. 2 and 3

1шт.

2

A66404

GEAR

- front

1шт.

3

126-129

WOODRUFF KEY,#C, 5/16" x 1 1/8", HT

1шт.

4

A58565

WASHER

- thrust, standard 0.156 inch (3.96 MM)

2шт.

4

A42447

WASHER

- thrust, oversize 0.162 inch (4.11 MM)

2шт.

5

A43090

BEARING LINER

LINER - main bearing, wide, standard (Set of 2)

2шт.

5

A43124

LINING

LINER - main bearing, wide, 0.002 inch undersize (0.05 MM) (Set of 2)

2шт.

5

A43125

CRANKSHAFT BEARING

LINER - main bearing, wide, 0.010 inch undersize (0.25 MM) (Set of 2)

2шт.

5

A43126

LINING

LINER - main bearing, wide, 0.020 inch undersize (0.51 MM) (Set of 2)

2шт.

5

A43217

REFLECTOR

LINER - main bearing, wide, 0.030 inch undersize (0.76 MM) (Set of 2)

2шт.

6

A43089

BEARING LINER

LINER - main bearing, narrow, standard (Set of 2)

3шт.

6

A43120

LINING

LINER - main bearing, narrow, 0.002 inch undersize (0.05 MM) (Set of 2)

3шт.

6

A43121

SET OF CONN ROD BRGS STD

LINER - main bearing, narrow, 0.010 inch undersize (0.25 MM) (Set of 2)

3шт.

6

A43122

LINING

LINER - main bearing, narrow, 0.020 inch undersize (0.51 MM) (Set of 2)

3шт.

6

A43123

SET OF CONN ROD BRGS STD

LINER - main bearing, narrow, 0.030 inch undersize (0.76 MM) (Set of 2)

3шт.

7

A157044

OIL SEAL,63.78mm ID x 92.2mm OD x 9.91mm Thk

- oil, front, 2-5/8 x 3-5/8 x 1/2 inch (77 x 93 x 13 MM)

1шт.

8

A157010

HITCH DAMPER

DAMPER - pulley

1шт.

9

A50820

WASHER

- hardened, 3/8 inch

6шт.

10

26-620

BOLT,Hex, 3/8" - 16 x 1-1/4", Gr 8

6шт.

11

A166051

PULLEY

- crankshaft, belt drive

1шт.

12

126-129

WOODRUFF KEY,#C, 5/16" x 1 1/8", HT

1шт.

13

A156428

WASHER

- 21/32 ID x 2-1/8 OD x 23/64 inch (17 x 54 x 9 MM)

1шт.

14

192-25

LOCK WASHER,5/8"

WASHER, LOCK, 5/8"

1шт.

15

114-613

BOLT,Hex, 5/8" - 18 x 1-1/2", Gr 5

SCREW - hex, pulley, 5/8 NF x 1-1/2 inch

1шт.

19

A153946

FLYWHEEL

- splined, Includes: Ref. 20

1шт.

20

A27920

GEAR

- ring (137 teeth)

1шт.

21

A58629

BEARING WASHER,16.66mm ID x 25.4mm OD x 3.04mm Thk

WASHER - 21/32 x 1 x 1/8 inch (16 x 25 x 3 MM)

6шт.

22

28-1028

BOLT,Hex, 5/8" - 18 x 1-3/4", Gr 8

- hex, 5/8 NF x 1-3/4 inch

6шт.

25

A62050

OIL SEAL

- oil, rear, 4-3/8 x 5-3/8 x 1/2 inch (121 x 146 x 13 MM) (See ref 35)

1шт.

26

A57457

RETAINER

- rear oil seal

1шт.

27

193-554

SCREW,SEMS, Hex Hd, 3/8"-16 x 1 1/4", G5

BOLT - hex Sems, 3/8 NC x 1-1/4 inch

6шт.

29

A32830

GASKET

- retainer

1шт.

35

A43194

KIT

- wear, rear oil seal, Includes: Ref. 36 and 37

1шт.

36

NSS

NOT SOLD SEPARAT

SEAL - oil, crankshaft rear, wear seal kit

1шт.

37

NSS

NOT SOLD SEPARAT

SLEEVE - wear, seal kit

1шт.

38

A154684

SLEEVE

WEAR SLEEVE KIT - crankshaft pulley, Includes: Ref. 39 and 40, wear seal kit

1шт.

39

NSS

NOT SOLD SEPARAT

SLEEVE - wear, seal kit

1шт.

40

NSS

NOT SOLD SEPARAT

TOOL - installation, wear seal kit

1шт.

Выбрано товаров: 38