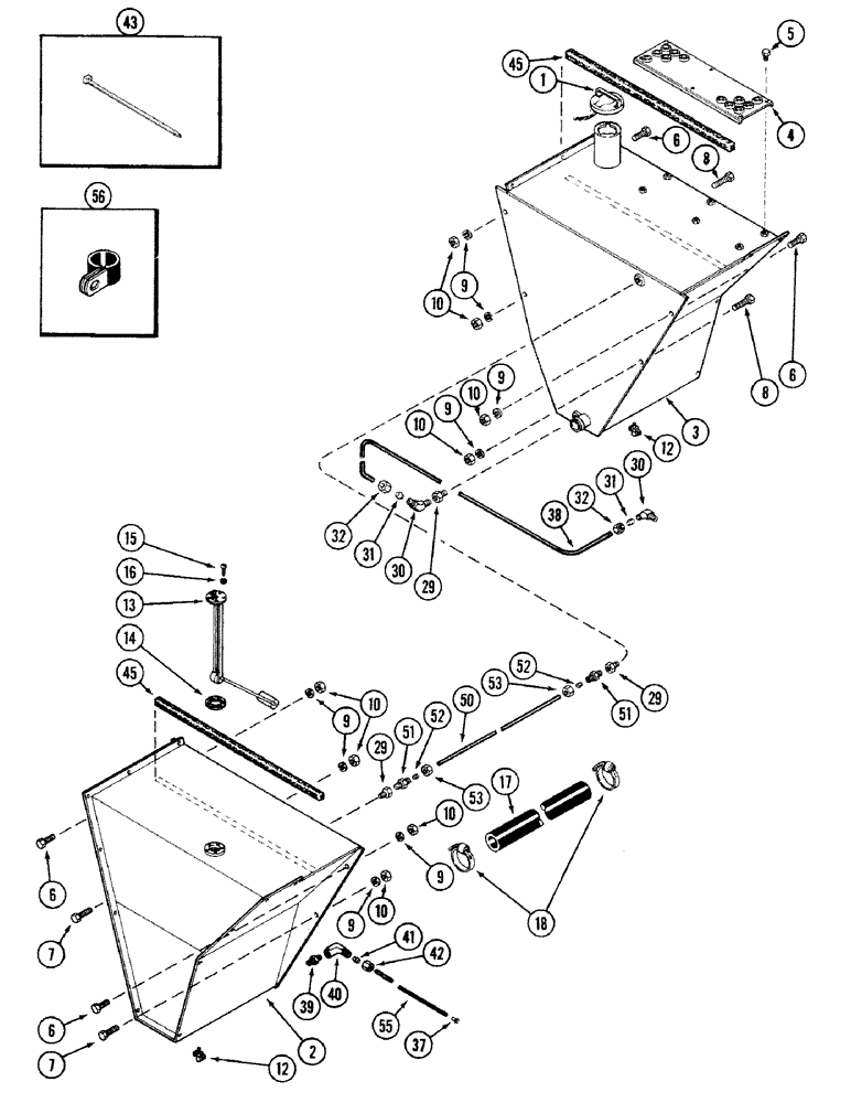
Запчасти Case IH 4694 (3-064) - FUEL TANK, 504BDTI DIESEL ENGINE, PRIOR TO P.I.N. 8866672 (03) - FUEL SYSTEM

Схема запчастей Case IH 4694 - (3-064) - FUEL TANK, 504BDTI DIESEL ENGINE, PRIOR TO P.I.N. 8866672 (03) - FUEL SYSTEM
39
9
9
38
10
7
9
10
42
8
1
9
45
32
9
41
30
52
56
10
3
37
16
15
30
14
51
4
12
29
52
45
5
40
17
31
31
32
8
55
10
2
9
50
10
18
13
43
7
6
29
12
53
53
6
6
51
6
29
10
FIT
1:1
100%

Артикул

Название

Примечание

Количество

1

51200859

CAP

- filler, left tank, vented

1шт.

A162191 Non-Vented Cap

1шт.

2

A160870

TANK

- fuel, right side

1шт.

3

A165103

TANK

- fuel, left side

1шт.

4

A165509

PLATE

- step

1шт.

5

113-6

BOLT,Hex, 1/4" - 20 x 3/8", Gr 5, Full Thd

6шт.

6

113-604

BOLT,Hex, 5/8" - 11 x 2", Gr 5

4шт.

7

113-626

BOLT,Hex, 5/8" - 11 x 2-1/2", Gr 5

2шт.

8

113-601

BOLT,Hex, 5/8" - 11 x 3", Gr 5

2шт.

9

192-25

LOCK WASHER,5/8"

WASHER, LOCK, 5/8"

8шт.

10

129-107

NUT,5/8"-11, G5

8шт.

12

217-81

VALVE

- drain, 1/8 inch PT

2шт.

13

A160044

SENDER UNIT

SENDER - fuel level (In right tank)

1шт.

14

A11822

GASKET

-, Serial Range: sender-tank

1шт.

15

173-221

SCREW,Sl Rnd Hd, #10 - 32 x 7/16"

CABLE - throttle control (68")

5шт.

16

192-18

LOCK WASHER,Helical Spring, #10, 0.196" ID, CST, ZND

WASHER, LOCK, #10

5шт.

17

A160192

HOSE,2.00" ID x 29.00", SAE 30R1 PER SAE J30 OR SAE 30R2 TYPE 2

2.00" ID x 29.00", SAE 30R1 per SAE J30 - Passage, Tank to Tank

1шт.

18

214-260

HOSE CLAMP,#36, 1.81" - 2.75", Type F Worm

2шт.

29

217-2

ADAPTER,1/4"-18 Fem NPTF x 1/4"-18 NPTF Male

- brass, 1/4 x 1/4 inch

3шт.

30

222-2726

ELBOW,45 Degree, 17/32"-24 x 1/4" NPT, Comp

ASSEMBLY - 45 degree, 3/8 tube 17/32-24 thread x 1/4 inch PT, Includes: Ref. 31 and 32

2шт.

31

222-2611

SLEEVE

- flange, 3/8 inch tube

1шт.

32

222-2601

NUT

NUT - hex, 3/8 tube, 17/32-24 inch thread

1шт.

37

A141160

INSERT

- tube

1шт.

38

A161184

TUBE

- fuel, tank to pump, 3/8 x 86 inch (10 x 2184 MM) (Order and cut from A167912)

1шт.

39

217-2

ADAPTER,1/4"-18 Fem NPTF x 1/4"-18 NPTF Male

- 1/4 x 1 inch

1шт.

40

222-5114

ELBOW,90 Degree, 7/16"-24 x 1/4" NPTF

ASSEMBLY - 90 degree, 3/8 tube x 1/4 inch PT, Includes: Ref. 41 and 42

1шт.

41

222-5186

SLEEVE,3/8" Tube

- 3/8 inch (10 MM) tube

1шт.

42

222-5181

NUT,9/16"-24

NUT - 3/8 inch (10 MM) tube

1шт.

43

L76747

STRAP

- nylon, fuel line tie (Order L18337)

2шт.

45

A150492

FOAM

- sealing, top of tank

2шт.

50

A63670

TUBE

- vent, tank to tank, 3/8 OD x 30 inch (10 x 762 MM)

1шт.

51

222-2626

FITTING,17/32"-24 x 1/4" NPT, Comp

CONNECTOR ASSEMBLY - 3/8 tube x 1/4 inch PT, Includes: Ref. 52 and 53

2шт.

52

222-2611

SLEEVE

- 3/8 inch tube

1шт.

53

222-2601

NUT

NUT - hex, 3/8 tube 17/32-24 inch thread

1шт.

55

A164699

TUBE - leakoff return from injector, 3/8 OD x 108 inch (10 x 2 743 MM) (Order and cut from L108947 bulk)

1шт.

56

R14668

CLAMP

- retaining

1шт.

Выбрано товаров: 36