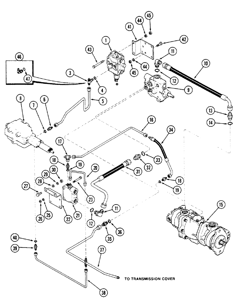
Запчасти Case IH 4694 (5-118) - REAR STEERING HYDRAULICS, PRIORITY AND CONTROL VALVES, PRIOR TO P.I.N. 8865320 (05) - STEERING

Схема запчастей Case IH 4694 - (5-118) - REAR STEERING HYDRAULICS, PRIORITY AND CONTROL VALVES, PRIOR TO P.I.N. 8865320 (05) - STEERING
17
47
3
44
21
4
18
44
41
23
39
18
40
19
32
46
19
12
7
28
29
45
11
25
12
37
31
9
45
26
5
15
22
8
6
16
30
33
38
27
36
42
13
10
1
20
35
34
43
11
14
FIT
1:1
100%

Артикул

Название

Примечание

Количество

1

REF

INSTRUCTION

VALVE ASSEMBLY - control, rear steering (See Figure 5-136)

1шт.

3

218-5182

TEE,9/16" - 18 Male JIC x 9/16" - 18 Male JIC x 9/16" - 18 Male ORB

CONNECTOR ASSEMBLY - tee, 3/8 tube 9/16 inch thread (Used on tractor with hitch), Includes: Ref. 4

1шт.

4

218-5005

O-RING,0.078" Thk x 0.468" ID, -906, Cl 6, 90 Duro

6-1, 90 Duro, .468" ID x .078" Thk (12 x 2 mm)

1шт.

5

A166683

PIPE

TUBE - hitch valve to rear steering valve

1шт.

6

218-5057

HYD CONNECTOR,9/16" - 18 JIC x 9/16" - 18 ORB

CONNECTOR ASSEMBLY - straight, 3/8 tube 9/16 inch thread, Incl. Ref. 7

1шт.

7

218-5005

O-RING,0.078" Thk x 0.468" ID, -906, Cl 6, 90 Duro

- 15/16 ID x 5/64 width (12 ID x 2 MM width)

1шт.

8

REF

INSTRUCTION

VALVE ASSEMBLY - hitch control (See Figure 8-372)

1шт.

9

REF

INSTRUCTION

VALVE ASSEMBLY - pressure regulator (See page 8-246)

1шт.

10

A148749

HOSE

- hydraulic pump to regulator valve

1шт.

11

218-5108

ELBOW,90 Degree Elbow, 1-1/16" - 12 Male JIC x 1-1/16" - 12 Male ORB

ASSEMBLY - 90 degree, 3/4 tube 1-1/16 inch thread, Incl. Ref. 12

2шт.

12

218-5008

O-RING,0.116" Thk x 0.924" ID, -912, Cl 6, 90 Duro

- 15/16 ID x 7/64 width (24 ID x 3 MM width)

1шт.

13

218-5077

HYD CONNECTOR,1-1/16" - 12 Male JIC x 1-5/16" - 12 Male ORB

CONNECTOR ASSEMBLY - straight, 3/4 tube 1 inch thread, Incl. Ref. 14

1шт.

14

218-5010

O-RING,0.116" Thk x 1.171" ID, -916, Cl 6, 90 Duro

- 1-11/16 ID x 7/64 inch width (30 ID x 3 MM width)

1шт.

15

REF

INSTRUCTION

PUMP ASSEMBLY - hydraulic (See Figure 8-308)

1шт.

16

A162184

TUBE

- priority sensing

1шт.

17

218-836

TEE,37 Degree, 9/16"-18 x 9/16"-18, Fem Sw Br

CONNECTOR - tee, 3/8 tube x 9/16 inch thread

1шт.

18

218-5352

HYD CONNECTOR,9/16"-18, 37 Degree x 7/16"-20, O-Ring

CONNECTOR ASSEMBLY - straight, 3/8 tube 9/16-18 thread x 1/4 tube 7/16-20 inch thread, Includes: Ref. 19

2шт.

19

218-5003

O-RING,0.072" Thk x 0.351" ID, -904, Cl 6, 90 Duro

- 11/32 x 1/2 x 5/64 inch (9 x 12 x 2 MM)

1шт.

20

A162180

TUBE

- priority valve drain

1шт.

21

REF

INSTRUCTION

VALVE ASSEMBLY - priority (See Figure 5-134)

1шт.

22

A161768

BRACKET

- mounting, priority valve

1шт.

23

113-119

BOLT,Hex, 5/16" - 18 x 2-3/4", Gr 5

2шт.

25

192-20

LOCK WASHER,Helical Spring, 0.318" ID, CST, ZND

WASHER, LOCK, 5/16"

2шт.

26

192-102

WASHER

NUT - hex, 5/16 inch NC

2шт.

27

113-208

BOLT,Hex, 3/8" - 16 x 1-1/4", Gr 5

2шт.

28

95-6

WASHER,3/8"

- flat, 7/16 x 1 x 5/64 inch (11 x 25 x 2 mm)

2шт.

29

192-21

LOCK WASHER,3/8"

WASHER, LOCK, 3/8"

2шт.

30

129-103

NUT,Hex, 3/8" - 16, Gr 5

NUT, 3/8"-16, G5

2шт.

31

A162188

TUBE

HOSE ASSEMBLY - regulator valve to priority valve

1шт.

32

218-5064

HYD CONNECTOR,1-1/16" - 12 Male JIC x 1-1/16" - 12 Male ORB

CONNECTOR ASSEMBLY - straight, 3/4 tube 1-1/16 inch thread, Incl. Ref. 33

1шт.

33

218-5008

O-RING,0.116" Thk x 0.924" ID, -912, Cl 6, 90 Duro

- 15/16 ID x 7/64 inch width (24 ID x 3 MM width)

1шт.

34

A162183

HOSE

ASSEMBLY - pump to priority valve

1шт.

35

218-5059

HYD CONNECTOR,3/4"-16, 37 Degree x 3/4"-16, O-Ring

CONNECTOR ASSEMBLY - straight, 1/2 tube 3/4 inch thread, Incl. Ref 36

1шт.

37

A162253

TUBE

ASSEMBLY - regulator, Serial Range: valve-sump

1шт.

38

A163223

TUBE

- hitch valve drain

1шт.

39

218-5053

HYD CONNECTOR,7/16" - 20 JIC x 7/16" - 20 ORB

CONNECTOR ASSEMBLY - straight, 1/4 tube 7/16 inch thread, Incl. Ref. 40

1шт.

40

218-5003

O-RING,0.072" Thk x 0.351" ID, -904, Cl 6, 90 Duro

- 11/32 ID x 5/64 inch width (9 ID x 2 MM width)

1шт.

41

A161768

BRACKET

- mounting, rear steering valve

1шт.

42

113-208

BOLT,Hex, 3/8" - 16 x 1-1/4", Gr 5

Includes: Ref. 44 Hex, 3/8"-16 x 1 1/4", G5, Full Thd

2шт.

43

113-252

BOLT,Hex, 3/8" - 16 x 3-3/4", Gr 5

Includes: Ref. 44 Hex, 3/8"-16 x 3 3/4", G5

2шт.

44

92-6

LOCK WASHER,3/8"

4шт.

45

25-106

NUT,3/8"-16, G5

- hex, 3/8 inch NC

4шт.

46

218-5105

ELBOW,90 Degree Elbow, 9/16" - 18 Male JIC x 9/16" - 18 Male ORB

ASSEMBLY - 90 degree, 3/8 tube 9/16-18 inch thread (Without hitch)

1шт.

47

218-5005

O-RING,0.078" Thk x 0.468" ID, -906, Cl 6, 90 Duro

6-1, 90 Duro, .468" ID x .078" Thk (12 x 16 x 2 mm)

1шт.

36

218-5006

O-RING,0.087" Thk x 0.644" ID, -908, Cl 6, 90 Duro

- 41/64 ID x 3/32 width (1 ID x 2 MM width)

1шт.

Выбрано товаров: 45