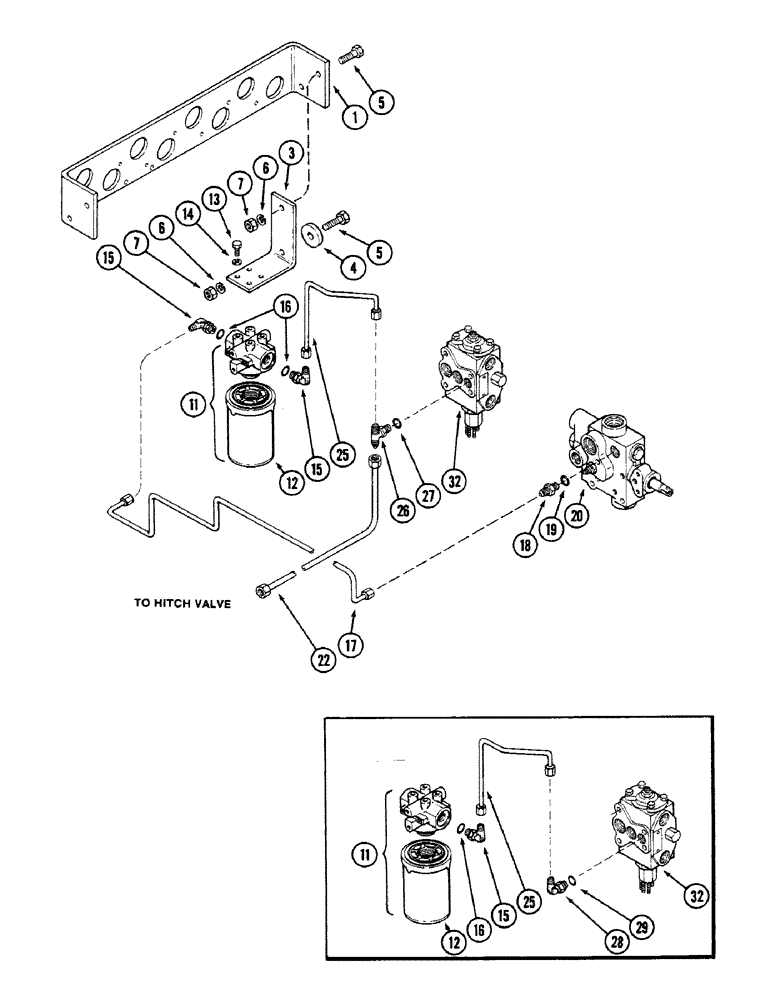
Запчасти Case IH 4694 (5-126) - REAR STEERING FILTER (05) - STEERING

Схема запчастей Case IH 4694 - (5-126) - REAR STEERING FILTER (05) - STEERING
32
16
3
18
14
5
26
25
32
6
27
15
25
15
28
1
13
16
15
17
19
11
6
5
7
12
12
22
4
11
7
29
20
FIT
1:1
100%

Артикул

Название

Примечание

Количество

1

A165737

PLATE ASSY.

PLATE - remote coupling mounting

1шт.

3

A164803

BRACKET

- filter mounting

1шт.

4

A156428

WASHER

SPACER - bracket, 21/32 x 2-1/8 x 23/64 inch (17 x 54 x 9 MM)

1шт.

5

113-412

BOLT,Hex, 1/2" - 13 x 1-3/4", Gr 5

2шт.

6

92-8

LOCK WASHER,1/2"

2шт.

7

129-105

NUT,Hex, 1/2" - 13, Gr 5

2шт.

11

A165030

FILTER, ENGINE OIL

FILTER ASSEMBLY - rear steering, Includes: Ref. 12

1шт.

12

A165029

HYDRAULIC OIL FILTER

ELEMENT - steering filter

1шт.

13

113-206

BOLT,Hex, 3/8" - 16 x 3/4", Gr 5, Full Thd

4шт.

14

192-21

LOCK WASHER,3/8"

WASHER, LOCK, 3/8"

4шт.

15

218-5128

ELBOW,90° Elbow, 9/16" - 18 Male JIC x 3/4" - 16 Male ORB

ASSEMBLY - 90 degree adjustable, 3/8 tube 9/16-18 x 1/2 tube 3/4-16 inch thread, Incl. Ref. 16

2шт.

16

218-5005

O-RING,0.078" Thk x 0.468" ID, -906, Cl 6, 90 Duro

6-1, 90 Duro, .468" ID x .078" Thk (12 x 2 mm)

1шт.

17

A164805

TUBE

ASSEMBLY - filter inlet

1шт.

18

218-5057

HYD CONNECTOR,9/16" - 18 JIC x 9/16" - 18 ORB

CONNECTOR ASSEMBLY - straight, 3/8 tube 9/16-18 inch thread, Incl. Ref. 19

1шт.

19

218-5005

O-RING,0.078" Thk x 0.468" ID, -906, Cl 6, 90 Duro

6-1, 90 Duro, .468" ID x .078" Thk (12 x 2 mm)

1шт.

20

REF

INSTRUCTION

VALVE ASSEMBLY - pressure regulator (See Figure 8-296)

1шт.

22

A166683

PIPE

TUBE - hitch valve to steering control valve

1шт.

25

A164804

TUBE

ASSEMBLY - filter outlet

1шт.

26

218-5182

TEE,9/16" - 18 Male JIC x 9/16" - 18 Male JIC x 9/16" - 18 Male ORB

ASSEMBLY - connector, 3/8 tube 9/16-18 inch thread (With hitch), Includes: Ref. 27

1шт.

27

218-5005

O-RING,0.078" Thk x 0.468" ID, -906, Cl 6, 90 Duro

6-1, 90 Duro, .468" ID x .078" Thk (12 x 2 mm)

1шт.

28

218-5105

ELBOW,90 Degree Elbow, 9/16" - 18 Male JIC x 9/16" - 18 Male ORB

ASSEMBLY - 90 degree adjustable, 3/8 tube 9/16-18 inch thread (Without hitch), Includes: Ref. 29

1шт.

29

218-5005

O-RING,0.078" Thk x 0.468" ID, -906, Cl 6, 90 Duro

6-1, 90 Duro, .468" ID x .078" Thk (12 x 2 mm)

1шт.

32

REF

INSTRUCTION

VALVE ASSEMBLY - rear steering control (See Figure 5-136)

1шт.

Выбрано товаров: 23