Запчасти Case IH 4694 (6-146) - HYDRAULIC MANIFOLD CIRCUIT, ELECTRIC SHIFT (06) - POWER TRAIN

Схема запчастей Case IH 4694 - (6-146) - HYDRAULIC MANIFOLD CIRCUIT, ELECTRIC SHIFT (06) - POWER TRAIN
28
20
25
6
26
17
10
30
7
11
10
13
16
21
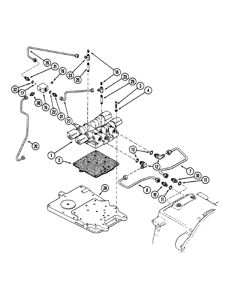
1
23
22
23
16
22
15
12
11
21
4
3
27
25
2
FIT
1:1
100%

Артикул

Название

Примечание

Количество

1

REF

INSTRUCTION

MANIFOLD ASSEMBLY - electric shift (See Figure 6-148)

1шт.

2

A157776

MANIFOLD GASKET

- manifold to transmission top cover

1шт.

3

113-233

BOLT,Hex, 3/8" - 16 x 1-3/4", Gr 5

9шт.

4

192-21

LOCK WASHER,3/8"

WASHER, LOCK, 3/8"

9шт.

6

A165827

TUBE

- (C1), Serial Range: clutch-valve

1шт.

7

A165826

TUBE

- (C4), Serial Range: clutch-valve

1шт.

10

218-5059

HYD CONNECTOR,3/4"-16, 37 Degree x 3/4"-16, O-Ring

CONNECTOR ASSEMBLY - straight, 1/2 tube 3/4-16 inch thread, Incl. Ref 11

2шт.

12

218-5106

90 ELBOW,90 Degree Elbow, 3/4" - 16 Male JIC x 3/4" - 16 Male ORB

ASSEMBLY - 90 degree adjustable, 1/2 tube 3/4-16 inch thread, Includes: Ref. 13

2шт.

15

A151936

BLOCK

- shuttle valve

1шт.

16

221-849

PLUG,Hex Soc, 1/8"-27

- square head, 1/8 inch PT

3шт.

17

211-12

BALL,7/16 Dia

- steel, 7/16 inch (11 MM) diameter

1шт.

20

A157709

TUBE

- valve to shift housing (See Figure 6-158)

1шт.

21

A151998

CONNECTOR, ELEC

CONNECTOR - straight

2шт.

23

A154012

FITTING

TEE - male side, (C2) and (C3) shuttle tube

2шт.

25

221-729

PIPE,Nipple, 1/8" NPT x 2 3/4"

NIPPLE - pipe, 1/8 x 2-3/4 inch

2шт.

26

A157708

TUBE

- (C2) shuttle

1шт.

27

A157707

TUBE

- (C3) shuttle

1шт.

28

REF

INSTRUCTION

COVER - transmission (See Figure 8-306)

1шт.

30

218-442

HYD CONNECTOR,1/2" - 20 Male JIC x 1/8" - 27 Male NPTF

CONNECTOR - straight, 5/16 tube 1/2-20 thread x 1/8 inch PT

1шт.

22

218-5004

O-RING,0.072" Thk x 0.414" ID, -905, Cl 6, 90 Duro

5-1, 90 Duro, .414" ID x .072" Thk, rubber, 5/16 inch (8 mm) OD

2шт.

11

218-5006

O-RING,0.087" Thk x 0.644" ID, -908, Cl 6, 90 Duro

- 41/64 x 13/16 x 3/32 inch (16 x 21 x 2 MM)

1шт.

13

218-5006

O-RING,0.087" Thk x 0.644" ID, -908, Cl 6, 90 Duro

- 41/64 x 13/16 x 3/32 inch (16 x 21 x 2 MM)

1шт.

Выбрано товаров: 22