Запчасти Case IH 4694 (6-152) - POWER SHIFT LINKAGE (06) - POWER TRAIN

Схема запчастей Case IH 4694 - (6-152) - POWER SHIFT LINKAGE (06) - POWER TRAIN
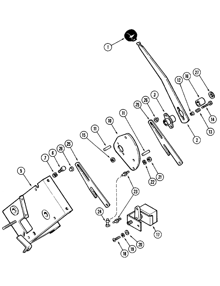
23
16
25
10
21
14
5
18
20
7
27
11
13
24
12
25
1
2
22
26
11
17
3
19
26
15
6
FIT
1:1
100%

Артикул

Название

Примечание

Количество

1

A177435

BALL KNOB

KNOB - hand lever (Replaces A137806)

1шт.

2

A164517

LEVER

- control

1шт.

3

A162299

BEARING,15.95mm ID

- lever

1шт.

5

A177100

BRACKET

- lever (Replaces A167030)

1шт.

6

113-207

BOLT,Hex, 3/8" - 16 x 1", Gr 5

4шт.

7

192-21

LOCK WASHER,3/8"

WASHER, LOCK, 3/8"

4шт.

10

A167299

QUADRANT

- power shift

1шт.

11

138-135

LOCK PIN,1/4" x 1 1/8", Slotted

PIN, LOCK, 1/4" x 1 1/8", Slotted

2шт.

12

A166458

GUIDE

- lever

2шт.

13

A169282

VALVE SPRING

SPRING - detent and lever return

2шт.

14

113-5

BOLT,Hex, 1/4" - 20 x 1-1/2", Gr 5

Hex, 1/4"- 20 x 1 1/2", G5

2шт.

15

131-1180

LOCK NUT,1/4"-20, GA

NUT, LOCK, 1/4"-20, GA

2шт.

16

T32988

SPACER

- shift lever

1шт.

17

A180201

SWITCH

ASSEMBLY - range shift (Replaces A164974)

1шт.

18

193-517

SCREW,SEMS, Hex Hd, 1/4"-20 x 1/2"

- Sems, 1/4 x 1/2 inch

1шт.

19

192-19

LOCK WASHER,Helical Spring, 0.256" ID, CST, ZND

WASHER, LOCK, 1/4"

1шт.

20

195-102

WASHER,1/4"

- flat, 5/16 x 3/4 x 1/16 inch (8 x 19 x 2 mm)

1шт.

21

A39888

NUT

- hex, 3/8-32

1шт.

22

193-30

LOCK WASHER,Int Tooth, 3/8"

WASHER, LOCK, Int Tooth, 3/8"

1шт.

23

A161786

STUD

- ball joint

2шт.

24

A164516

BALL JOINT

BODY ASSEMBLY - ball joint, Serial Range: quadrant-switch

1шт.

25

A166560

LEVER

- lockout

2шт.

26

S118721

NUT

- speed, quadrant roll pin

2шт.

27

195-2069

WASHER,21/32" x 15/16" x .134"

- 21/32 x 15/16 x 9/64 inch (17 x 24 x 4 MM)

1шт.

Выбрано товаров: 24