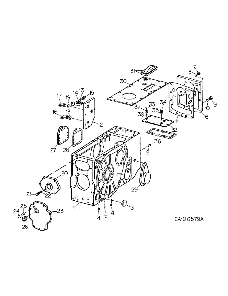
Запчасти Case IH 4786 (07-14) - DRIVE TRAIN, FRONT AXLE CENTER FRAME (04) - Drive Train

Схема запчастей Case IH 4786 - (07-14) - DRIVE TRAIN, FRONT AXLE CENTER FRAME (04) - Drive Train
20
8
23
7
17
24
36
13
27
31
2
14
33
12
6
3
34
19
32
16
18
21
4
22
29
10
38
37
28
4
25
5
9
1
26
19
30
35
11
15
FIT
1:1
100%

Артикул

Название

Примечание

Количество

1

67890C1

FRAME ASSY, rear, Consists of ref nos 2, 3, 4 & 5

1шт.

2

19846R1

DOWEL,1/2" x 1 1/4"

PIN, 1/2 x 1-1/4 dowel

1шт.

3

383331R1

PLUG,Cup, 4.26"

torsion bar cup

2шт.

4

444788

DRAIN PLUG,Sq Soc, 1/2"-14 NPTF

PLUG, 1/2-14 automotive sq-soc-hd drain

2шт.

5

9409947

DRAIN PLUG,Sq Soc, 3/4"-14 NPTF

PLUG, 3/4-14 automotive sq-soc-hd pipe

1шт.

6

67892C2

COVER, input

1шт.

271562

SHIELD,Hex, 5/8" - 11 x 2", Gr 5

5/8 x 2 pln type 5

10шт.

7

9410362

PLUG,Hex Hd, 1 3/16"-12 ORB

1-3/16-12 C-Z str-thd o-ring boss, oil level

1шт.

8

297459R1

O-RING,0.116" Thk x 1.048" ID, -914, Cl 6, 90 Duro

7/8 OD tube

1шт.

9

9410356

PLUG

7/16-20 str thd o-ring boss, oil level

1шт.

11

71902C1

GASKET

GASKET, input cover

1шт.

12

114272C1

COVER, drive attach opening

1шт.

179885

BOLT,Hex, 1/2" - 13 x 1 1/2", Gr 5

8шт.

474517C2

GASKET

TUBE, gasket eliminator

1шт.

13

114267C1

ELBOW,90 Degree, 1 1/2" Hose x 1 7/8"-12 ORB Beaded

hose adapter trans return, Optional w/71406C91

1шт.

13

71406C91

ELBOW ASSY, hose adapter trans return, Optional w/114267C1, Consists of ref nos 14 & 15

1шт.

14

9410983

ELBOW,90 Degree, 1 7/8"-12, 37 Degree x 1 7/8"-12, O-Ring

1-7/8-12 3M deg hyd flared tube adj str-thd 90 degrees

1шт.

15

114375C1

TUBE ASSY, 1-1/2 hose adapter

1шт.

16

9410979

ELBOW,90 Degree, 1 1/16"-12, 37 Degree x 1 1/16"-12, O-Ring

1-1/16-12 37 deg hyd flared tube adj str-thd 90 degrees

1шт.

17

124955C1

ELBOW, hose adapter transfer case return

1шт.

18

368269R1

O-RING,0.116" Thk x 0.924" ID, -912, Cl 6, 90 Duro

3/4 OD tube

1шт.

19

301016R1

O-RING,0.118" Thk x 1.720" ID, -924, Cl 6, 90 Duro

1.720 OD x .118

2шт.

20

67893C1

COVER

draft control adj opening

1шт.

413-1036

BOLT,Hex, 5/8" - 11 x 2-1/4", Gr 5

5/8 x 2-1/4 pln type 5

6шт.

474517C2

GASKET

TUBE, gasket eliminator

1шт.

21

9410356

PLUG

7/16-20 C-Z str thd-o-ring boss, oil level

1шт.

23

142329C1

COVER, PTO opening

1шт.

474517C2

GASKET

TUBE, gasket eliminator

1шт.

413-830

BOLT,Hex, 1/2" - 13 x 1-7/8", Gr 5

BOLT, 1/2 x 1-7/8 pln type 5

9шт.

24

9410362

PLUG,Hex Hd, 1 3/16"-12 ORB

1-3/16-12 C-Z str-thd-o-ring boss

1шт.

25

297459R1

O-RING,0.116" Thk x 1.048" ID, -914, Cl 6, 90 Duro

7/8 OD tube

1шт.

26

124949C2

CAGE

PLUG, oil level sight, Serial Range: -576

1шт.

26

142288C1

PLUG

oil level sight, Start Serial: 577

1шт.

27

118848C1

COVER

pump opening

1шт.

179838

BOLT,Hex, 3/8" - 16 x 7/8", Gr 5, Full Thd

3/8 x 7/8 pln type 5

12шт.

28

382244R3

GASKET

pump opening cover

1шт.

29

382256R1

COVER ASSY

COVER, oil filter

1шт.

474517C2

GASKET

TUBE, gasket eliminator

1шт.

179833

BOLT,Hex, 3/8" - 16 x 1/2", Gr 5, Full Thd

8шт.

30

109833C1

COVER ASSY, diff top main

1шт.

474517C2

GASKET

TUBE, gasket eliminator

1шт.

271556

WHEEL CYLINDER,Hex, 5/8" - 11 x 1 1/4", Gr 5

SCREW, 5/8-11 x 1-1/4 cap

16шт.

31

67903C2

COVER, diff bevel gear

1шт.

474517C2

GASKET

TUBE, gasket eliminator

1шт.

179816

BOLT,Hex, 5/16" - 18 x 3/4", Gr 5

6шт.

32

132728C2

COVER

ASSY, front diff top, small

1шт.

179839

BOLT,Hex, 3/8" - 16 x 1", Gr 5

10шт.

33

152127H1

BREATHER,1/8"-27, Short

1/8-27 axle

1шт.

34

9410358

PLUG

9/16-18

1шт.

35

364839R1

O-RING,0.078" Thk x 0.468" ID, -906, Cl 6, 90 Duro

6-1, 90 Duro, .468" ID x .078" Thk, 3/8 tube

1шт.

36

67905C1

GASKET

diff top small cover

1шт.

37

105408

COUPLING,1/8" NPT

1/8-27 pipe pln

1шт.

38

114794

NIPPLE,Nipple, 1/8" NPT x 2"

PIPE, 1/8-27 x 2.00 pln

1шт.

10

369751R1

O-RING,0.072" Thk x 0.351" ID, -904, Cl 6, 90 Duro

4-1, 90 Duro, .351" ID x .072" Thk, 1/4 OD tube

1шт.

22

369751R1

O-RING,0.072" Thk x 0.351" ID, -904, Cl 6, 90 Duro

4-1, 90 Duro, .351" ID x .072" Thk, 1/4 OD tube

1шт.

Выбрано товаров: 55