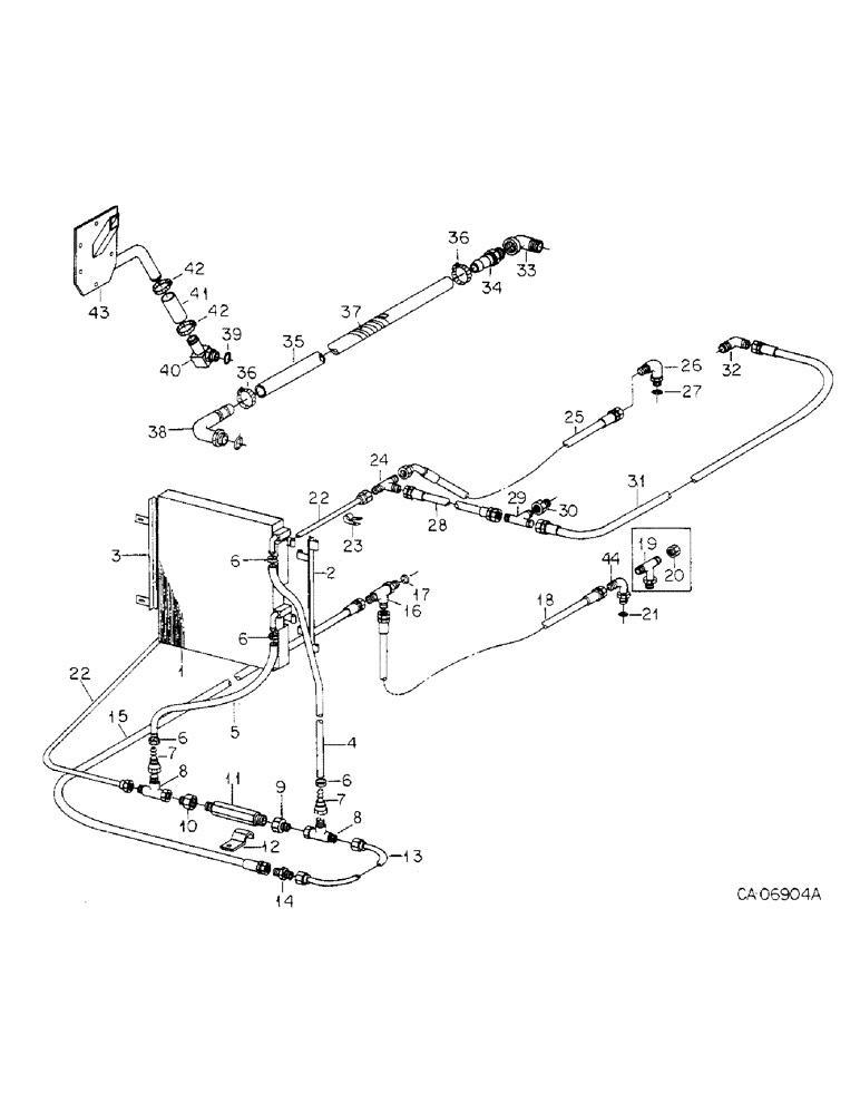
Запчасти Case IH 4786 (10-09) - HYDRAULICS, OIL COOLER AND TRANSMISSION CONNECTIONS (07) - HYDRAULICS

Схема запчастей Case IH 4786 - (10-09) - HYDRAULICS, OIL COOLER AND TRANSMISSION CONNECTIONS (07) - HYDRAULICS
39
33
6
23
24
6
43
37
34
36
32
44
17
26
27
30
16
1
40
2
6
7
5
15
8
11
42
38
4
19
22
6
31
18
10
7
41
22
21
13
29
42
9
36
25
35
8
12
3
28
20
14
FIT
1:1
100%

Артикул

Название

Примечание

Количество

1

132797C1

COOLER

ASSY, hydraulic oil

1шт.

180077

BOLT,Hex, 5/16" - 18 x 3/4", Gr 5

5/16 x 3/4 type 5

1шт.

120393

BEARING WASHER,5/16", SAE

WASHER, .344 x .688 x .051

1шт.

2

118828C1

SUPPORT

ASSY, oil cooler, LH

1шт.

Q986

PIN

5/16 x 2.625 pln hd type 1

2шт.

121222

COTTER PIN,3/32" x 3/4"

PIN, SPLIT (COTTER), 3/32" x 3/4"

2шт.

3

118823C1

ANGLE

ASSY, oil cooler, RH

1шт.

113-206

BOLT,Hex, 3/8" - 16 x 3/4", Gr 5, Full Thd

3/8 x 3/4 type 5

2шт.

120377

NUT,3/8" - 16, Gr 5

4шт.

120394

WASHER,3/8", SAE

WASHER, .406 x .812 x .051

4шт.

4

HOSE, oil cooler supply, Use 39.0 in. from bulk roll marked 73200C1

1шт.

5

HOSE, oil cooler return, Use 44.0 in. from bulk roll marked 73200C1

1шт.

6

274085R91

HOSE CLAMP,#10, 0.56/1.06 Type F Worm

CLAMP, hose

4шт.

7

132749C91

FITTING, 7/8-14 to 5/8 I.D. oil cooler hose

2шт.

8

9410334

TEE,37 Degree, 7/8"-14 x 7/8"-14, Fem Sw Run

7/8-14 three way 37 deg hyd flared tube

2шт.

9

483594R2

UNION

reducer 1.0 to 5/8 oil cooler by-pass valve

1шт.

10

1304639C1

REDUCER

UNION, reducer 3/4 to 5/8 oil cooler by-pass valve, Replaces 118913C1

1шт.

11

110578C91

VALVE

ASSY, oil cooler relief

1шт.

12

116687C1

BRACKET

CLAMP, oil cooler relief valve

1шт.

180177

BOLT,Hex, 1/2" - 13 x 1 1/2", Gr 5

1/2 x 1-1/2 type 5

1шт.

124589

BALL STUD,Hex, 5/8" - 11 x 2", Gr 5

5/8 type 5

1шт.

13

132727C1

TUBE

ASSY, brake regulator to oil cooler

1шт.

14

9402788

UNION,7/8"-14, 37 Degree x 7/8"-14, 37 Degree

7/8-14 37 deg hyd flared tube brake regulator hose to oil cooler tube

1шт.

15

132726C2

HOSE

ASSY, Brake Regulator to Oil Cooler Tube Assy

1шт.

16

1250265C1

TEE ASSY, lube and metering, Replaces 9411132

1шт.

17

364885R1

O-RING,0.097" Thk x 0.755" ID, -910, Cl 6, 90 Duro

5/8 OD tube

1шт.

18

116667C1

HOSE

ASSY, brake, Serial Range: regulator-dump

1шт.

19

138700C1

TEE

ASSY, lube & metering, Used with 9411132 tee

1шт.

20

9403373

CAP,37 Degree, 7/8"-14

7/8-14 37 deg hyd flared tube, Used with 9411132 tee

1шт.

21

364885R1

O-RING,0.097" Thk x 0.755" ID, -910, Cl 6, 90 Duro

5/8 OD tube

1шт.

22

124947C1

TUBE

ASSY, oil cooler by-pass to transmission secondary tee

1шт.

23

299410C1

CLAMP,5/8", Insul, 1/4" Bolt

5/8 closed tube

1шт.

159920

SCREW,Cross Pan Hd, #10 - 24 x 1/2"

1шт.

120361

NUT,Hex Mach Screw, #10 - 24

1шт.

24

9420983

TEE, 7/8-14 37 deg hyd flared tube three way transmission secondary

1шт.

25

129198C1

HOSE ASSY.

HOSE ASSY, transmission secondary tee to frt axle top cover rear port

1шт.

26

119054C1

ELBOW

ASSY, lube & metering front axle top cover

1шт.

27

364885R1

O-RING,0.097" Thk x 0.755" ID, -910, Cl 6, 90 Duro

5/8 OD tube

1шт.

28

114366C1

HOSE ASSY.

HOSE ASSY, transmission primary tee to secondary tee

1шт.

29

9403022

TEE,7/8"-14, 37 Degree x 1/2"-14, NPTF Br

transmission primary

1шт.

30

74886C1

ADAPTER

orifice

1шт.

31

105100C1

HOSE ASSY.

HOSE ASSY, transmission primary tee to transfer case

1шт.

32

114305C1

ELBOW

ASSY, lube & metering

1шт.

33

134934C1

ELBOW

1-1/2 side outler

1шт.

216341

LUBE NIPPLE

NIPPLE, 1-1/2 x 1-3/4 pln close pipe

1шт.

20971R1

PLUG

1-1/2 sq-hd pipe

1шт.

34

127651C1

PIPE

FITTING, 1-1/2 to 1.50 dia hose

1шт.

35

132877C2

HOSE,1.50" ID x 36.50"

Transfer Case to Front Axle Side Cover Center Port 1.50" ID x 36.50"

1шт.

36

224910C1

HOSE CLAMP,1.75/2.625 HD Worm, W/liner

CLAMP, 2.50 hose

2шт.

37

132878C1

GUARD

transfer case to front axle hose

1шт.

38

124955C1

ELBOW, hose adapter

1шт.

39

301016R1

O-RING,0.118" Thk x 1.720" ID, -924, Cl 6, 90 Duro

1.720 ID x .118

2шт.

40

114267C1

ELBOW,90 Degree, 1 1/2" Hose x 1 7/8"-12 ORB Beaded

1-1/2 in hose adapter

1шт.

41

142005C1

HOSE

transmission drain, Replaces 116708C2

1шт.

42

224910C1

HOSE CLAMP,1.75/2.625 HD Worm, W/liner

CLAMP, 2.50 hose

2шт.

43

129260C1

PLUG, DRAIN,7.46" Length

TUBE ASSY, transmission drain

1шт.

1250293C1

GASKET

transmission tube plate

1шт.

Выбрано товаров: 57