Запчасти Case IH 4890 (6-184) - CLUTCH OIL DISTRIBUTOR (06) - POWER TRAIN

Схема запчастей Case IH 4890 - (6-184) - CLUTCH OIL DISTRIBUTOR (06) - POWER TRAIN
19
22
21
18
17
1
16
8
19
23
6
10
6
15
4
5
20
9
2
3
7
FIT
1:1
100%

Артикул

Название

Примечание

Количество

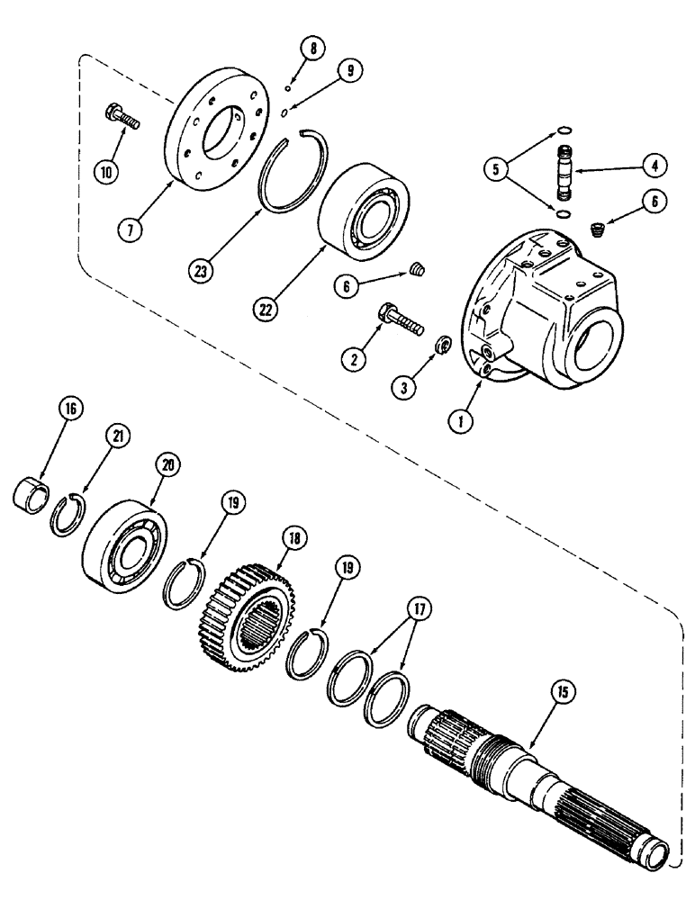
1

A146524

CARRIER

- oil distributor

1шт.

2

13-828

BOLT,Hex, 1/2" - 13 x 1-3/4", Gr 5

- 1/2 x 1-3/4" NC hex. (Grade 5)

5шт.

3

92-8

LOCK WASHER,1/2"

5шт.

4

A76120

TUBE

- oil, Serial Range: cover-carrier

3шт.

5

D31409

O-RING,0.07" Thk x 0.489" ID, -14, Cl 6, 90 Duro

- oil tube, 1/2 x 5/8 x 1/16" (12.7 x 15.9 x 1.6 MM)

6шт.

6

221-841

PLUG

- pipe, 1/4" hex. socket

6шт.

7

A146654

PLATE

- oil distribution

1шт.

8

211-9

BALL,5/16" Dia

- steel, 5/16" (7.9 MM) Diameter

1шт.

9

A58092

SEAL,Square, 0.066" Thk x 0.301" ID, -11

RING - seal, Serial Range: plate-carrier

1шт.

10

13-624

BOLT,Hex, 3/8" - 16 x 1-1/2", Gr 5

- 3/8 x 1-1/2" NC hex. (Grade 5)

6шт.

15

A146508

SHAFT

ASSEMBLY - output, planetary, Includes: Ref. 16

1шт.

16

A146506

BEARING

BUSHING - shaft

1шт.

17

A58384

RING

- seal

2шт.

18

A136786

GEAR

- drive, output shaft

1шт.

19

A58217

SNAP RING,#275, 2.594, Ext

RING - snap, gear retainer

2шт.

20

A142054

ROLLER BEARING,54.99mm ID x 120mm OD x 29mm W

BEARING - rear, output shaft (Replaces 40003)

1шт.

21

A20193

RING

- snap, rear bearing

1шт.

22

A136775

BALL BEARING,54.99mm ID x 120mm OD x 49.21mm W

BEARING - front, output shaft

1шт.

23

A136780

RING

- snap, front bearing

1шт.

Выбрано товаров: 19