Запчасти Case IH 4890 (6-206) - REAR AXLE AND DIFFERENTIAL HOUSING (06) - POWER TRAIN

Схема запчастей Case IH 4890 - (6-206) - REAR AXLE AND DIFFERENTIAL HOUSING (06) - POWER TRAIN
2
3
15
2
17
3
5
1
9
6
16
4
8
FIT
1:1
100%

Артикул

Название

Примечание

Количество

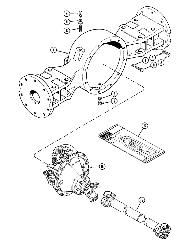
1

A155928

HOUSING

- axle and differential, rear (Order A144899)

1шт.

2

A140222

PLUG

- drain

2шт.

3

A51759

GASKET

- drain plug

2шт.

4

A12928

BREATHER

- oil, axle housing

1шт.

5

221-347

COUPLING,Pipe, 1 /2" x 1/8" NPT

- reducer, 1/2 x 1/8" PT

1шт.

6

221-1190

PIPE,Nipple, 1/2" NPT x 2"

NIPPLE - pipe, 1/2" PT x 2" long

1шт.

8

26-1028

BOLT,Hex, 5/8" - 11 x 1-3/4", Gr 8

- differential carrier, 5/8 x 1-3/4" NC hex. (Grade 8)

12шт.

9

92-10

LOCK WASHER,5/8"

WASHER, LOCK, 5/8"

12шт.

15

A151583

SHAFT

ASSEMBLY - drive, transmission to rear axle (See Figure 6-216)

1шт.

16

A146465

CARRIER

ASSEMBLY - differential (See Figure 6-200)

1шт.

17

B17428

LOCTITE

- gasket, 2 ounces (50 CC)

1шт.

Выбрано товаров: 11