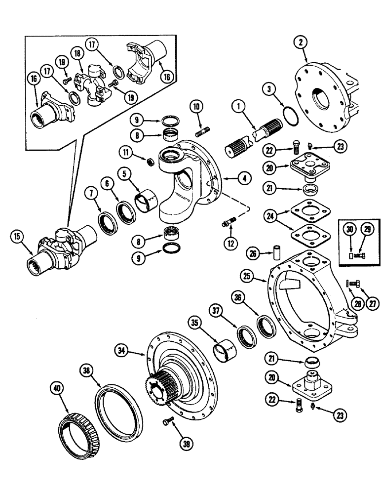
Запчасти Case IH 4890 (6-210) - REAR AXLE ASSEMBLY, RH TRUNNION, SPINDLE AND SHAFT (06) - POWER TRAIN

Схема запчастей Case IH 4890 - (6-210) - REAR AXLE ASSEMBLY, RH TRUNNION, SPINDLE AND SHAFT (06) - POWER TRAIN
9
29
35
24
21
22
37
10
20
38
30
9
7
22
28
26
19
17
23
18
23
17
6
2
16
25
11
8
21
34
39
5
40
15
8
27
4
20
16
12
3
1
19
36
FIT
1:1
100%

Артикул

Название

Примечание

Количество

1

A142967

SHAFT

- axle drive, 27-15/16" (709.6 MM) (Short axle)

1шт.

2

REF

INSTRUCTION

HOUSING - axle and differential (See Figure 6-206)

1шт.

3

A140321

O-RING,0.139" Thk x 4.359" ID, -245, Cl 5, 75 Duro

- seal, trunnion to housing, 4-3/8 x 4-5/8 x 1/8" (111.1 x 117.5 x 3.2 MM)

1шт.

4

A144900

BEARING ASSY

TRUNNION ASSEMBLY - axle, Includes: Ref. 5 - 9

1шт.

5

A144919

BUSHING

- axle, universal joint, 3-3/4" diameter x 2-1/4" wide (95.3 x 57.2 MM)

1шт.

6

A156958

OIL SEAL

- oil, inner

1шт.

7

A156959

OIL SEAL

- oil, outer

1шт.

8

A77282

CUP

RING - bearing, king pin, 3-3/16" OD (71 MM)

2шт.

9

A144015

RING

- seal

2шт.

10

A77281

STUD

- trunnion to axle housing

2шт.

11

25-1612

NUT,3/4"-10, G5, Hvy

- 3/4" NC hex.

2шт.

12

166-134

12 PT SCREW,Flg, 3/4" - 10 x 2", Gr 8

BOLT - 3/4 x 2" NC 12 point hex. socket (Grade 8)

8шт.

15

A142964

JOINT

UNIVERSAL JOINT ASSEMBLY - axle, Includes: Ref. 16 - 19

1шт.

16

A45000

YOKE

- slip, axle and sun gear shaft

2шт.

17

A10506

SNAP RING,2.44", Int, #244

Ring, Snap, , slip yoke 2.44", Int, #244

2шт.

18

A47549

UNIVERSAL JOINT

- yoke (Replaces A45040)

1шт.

19

A56245

BOLT,Hex, 1/2" x 2 3/8"

- universal to yoke, 1/2 x 2" NF hex.

4шт.

20

A152944

PIN

ASSEMBLY - king, Includes: Ref. 21

2шт.

21

A77283

RING,50.8mm ID x 80.96mm OD x 31.24mm W

- bearing, 2" ID x 2-7/8" OD (50.8 x 73 MM)

1шт.

22

26-1232

BOLT,Hex, 3/4" - 10 x 2", Gr 8

8шт.

23

219-3

LUBE NIPPLE,1/8" - 27 NPTF

FITTING - lube, 1/8" PT straight

4шт.

24

A153963

SHIM

- king pin, 0.005" (0.127 MM)

1шт.

24

A153964

SHIM

- king pin, 0.015" (0.381 MM)

1шт.

25

A152950

HOUSING

ASSEMBLY - spindle, Includes: Ref. 26

1шт.

26

A77287

BUSHING

- tie rod pivot

1шт.

27

113-709

BOLT,Hex, 3/4" - 10 x 1-1/2", Gr 5

Stop Hex, 3/4"-10 x 1 1/2", G5

1шт.

28

A150262

BUSHING

SPACER - stop, 25/32 x 1-1/4 x 23/32" (19.8 x 31.8 x 18.3 MM)

1шт.

29

113-708

BOLT,Hex, 3/4" - 10 x 2", Gr 5

Stop Hex, 3/4"-10 x 2", G5

1шт.

30

A153333

BUSHING

SPACER - stop, 25/32 x 1-1/4 x 1-3/64" (19.8 x 31.8 x 26.6 MM) (Used with 30.5 x 32 tires)

1шт.

34

A144620

SPINDLE

ASSEMBLY - wheel, Includes: Ref. 35 - 38

1шт.

35

A144919

BUSHING

- universal joint, 3-3/4" OD x 2-1/4" wide (95.3 x 57.2 MM)

1шт.

36

A156959

OIL SEAL

- oil, outer

1шт.

37

A156958

OIL SEAL

- oil, inner

1шт.

38

A140194

SEAL

- oil, outer large

1шт.

39

26-828

BOLT,Hex, 1/2" - 13 x 1-3/4", Gr 8

- 1/2 x 1-3/4" NC hex. (Grade 8)

16шт.

40

A140150

ROLLER BEARING,6.875" ID x 1.875"

CONE - wheel bearing, 6-7/8" ID x 1-7/8" wide (174.6 x 47.6 MM)

1шт.

Выбрано товаров: 0