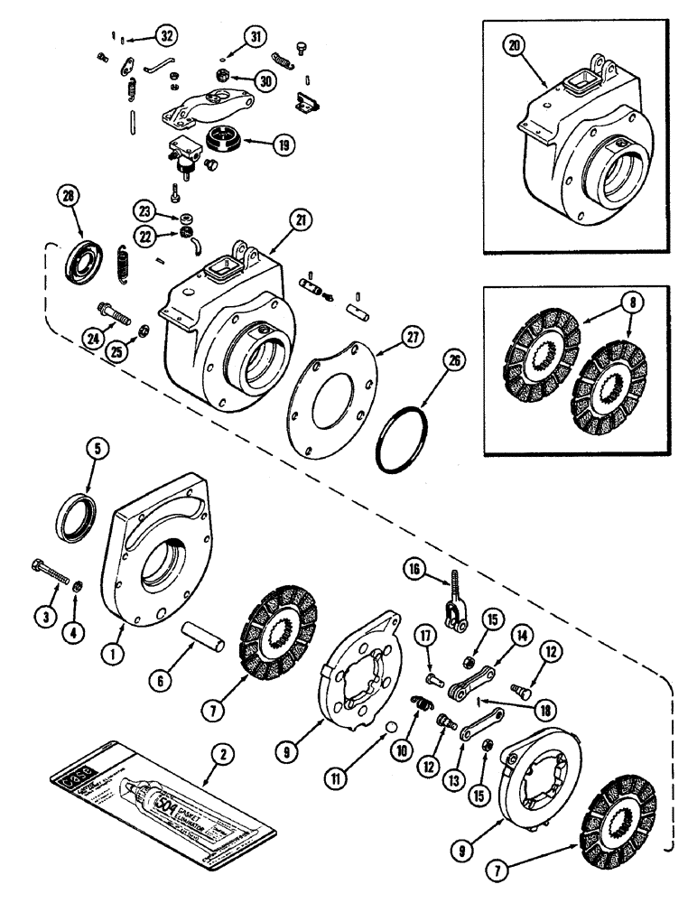
Запчасти Case IH 4890 (7-244) - TRANSMISSION BRAKE (07) - BRAKES

Схема запчастей Case IH 4890 - (7-244) - TRANSMISSION BRAKE (07) - BRAKES
9
31
1
25
17
23
27
11
7
16
2
30
12
5
28
6
20
9
21
14
15
32
4
12
26
10
15
3
7
18
22
24
8
19
13
FIT
1:1
100%

Артикул

Название

Примечание

Количество

1

A136764

COVER

- brake assembly

1шт.

2

B17428

LOCTITE

- gasket replacement, 2 ounces (50 CC)

1шт.

3

113-257

BOLT,Hex, 3/8" - 16 x 2-1/2", Gr 5

- 1/2 x 2-1/2" NC hex. (Grade 5)

8шт.

4

92-8

LOCK WASHER,1/2"

8шт.

5

A136660

OIL SEAL

- oil, brake cover

1шт.

6

A136770

PIN

- support, brake assembly

1шт.

7

A153056

DISC

- brake (Includes lining)

2шт.

Transmission serial no. 10229364 and after.

1шт.

8

A154347

DISC

- brake (Includes lining) (Order A153056)

2шт.

Prior to transmission serial no. 10229364.

1шт.

9

A136772

DISC

- brake actuating

2шт.

10

A41864

SPRING

- tension

4шт.

11

211-223

BALL,1" Dia

- actuating, 1" (25.4 MM) Diameter

6шт.

12

A136771

STEP BOLT

BOLT - shoulder, Serial Range: link-disc

2шт.

13

A136769

LINK

- straight, Serial Range: disc-rod

1шт.

14

A136768

LINK

- straddle, Serial Range: disc-rod

1шт.

15

25-158

JAM NUT,Jam, 1/2"-20, G5

- link bolt, 1/2" NF hex.

2шт.

16

A136767

ROD

- yoke, brake assembly to actuating lever

1шт.

17

141-7

CLEVIS PIN,5/8" x 1.610"

PIN - yoke, 5/8" (15.9 MM)

1шт.

18

132-48

COTTER PIN,1/8" x 1"

Pin, Split (Cotter), 1/8" x 1"

1шт.

19

A146418

COVER

- dust, brake rod

1шт.

20

A150845

HOUSING

- brake assembly (Order ref 21, 22 and 23)

1шт.

Prior to transmission serial no. 16200804.

1шт.

21

A157496

HOUSING

- brake assembly

1шт.

Transmission serial no. 16200804 and after.

1шт.

22

A30011

SEAL

- lube, inner

1шт.

Transmission serial no. 16200804 and after.

1шт.

23

A155602

SEAL

- outer, slave cylinder

1шт.

Transmission serial no. 16200804 and after.

1шт.

24

A60496

LOCK BOLT

BOLT - sealing, brake housing, 5/8 x 2-3/4" NC 12 point

6шт.

25

A64303

WASHER

- housing bolt, 41/64 x 1-1/16 x 1/16" (16.27 x 26.99 x 1.59 MM)

6шт.

26

A28183

O-RING,0.139" Thk x 6.234" ID, -259, Cl 5, 75 Duro

- housing seal, 6-1/4 x 6-1/2 x 1/8" (158.8 x 165.1 x 3.2 MM)

1шт.

27

A150782

SHIM

- housing to transmission 0.0075" (0.191 MM)

1шт.

27

A150780

SHIM

- housing to transmission 0.003" (0.076 MM)

1шт.

27

A150781

SHIM

- housing to transmission 0.005" (0.127 MM)

1шт.

28

A136659

OIL SEAL

- oil, brake housing

1шт.

30

A151674

NUT

- ratchet, Serial Range: rod-lever

1шт.

31

A27891

O-RING,0.103" Thk x 0.362" ID, -110, Cl 5, 75 Duro

- ratchet nut, 3/8 x 9/16 x 3/32" (9.5 x 14.3 x 2.4 MM)

1шт.

32

138-92

LOCK PIN,3/16" x 3/4", Slotted

PIN, (4.8 x 19.1 mm) 3/16" x 3/4", Slotted

1шт.

Выбрано товаров: 39